Запчасти Komatsu GD625A-1 ЭЛЕКТРИКА (ЦЕНТР. ЛИНИЯ) КОМПОНЕНТЫ ДВИГАТЕЛЯ И ЭЛЕКТРИКА

Схема запчастей Komatsu GD625A-1 - ЭЛЕКТРИКА (ЦЕНТР. ЛИНИЯ) КОМПОНЕНТЫ ДВИГАТЕЛЯ И ЭЛЕКТРИКА
FIT
1:1
100%

Артикул

Название

Примечание

Количество

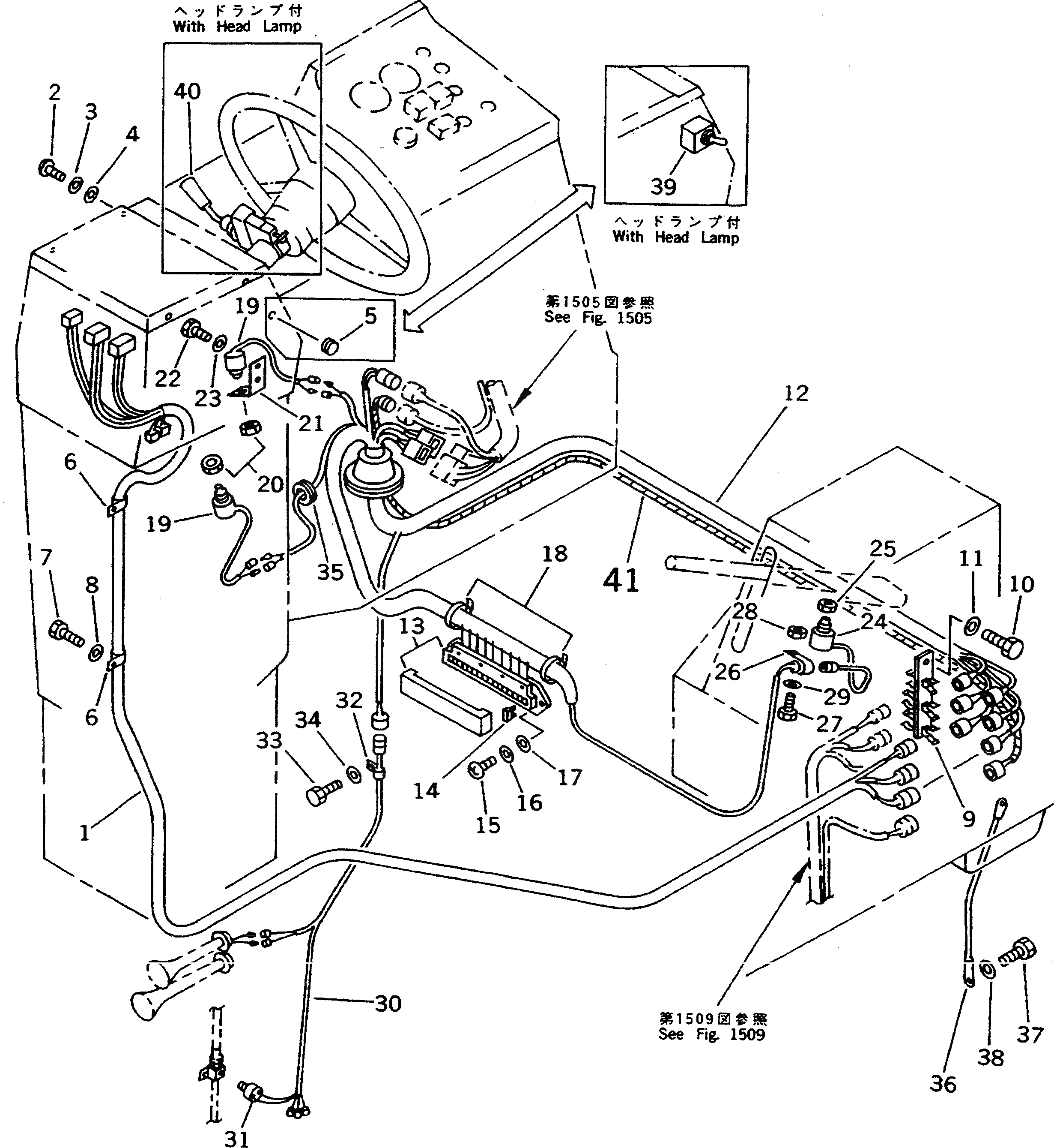
1

23B-06-21170

WIRE ASS'Y

SN: 60001-UP

1шт.

2

01220-40612

SCREW

SN: 60001-UP

4шт.

3

01643-30623

WASHER

SN: 60001-UP

4шт.

4

01640-20610

WASHER

SN: 60001-UP

4шт.

5

09415-00706

CAP

SN: 60001-UP

1шт.

6

08036-02514

CLIP

SN: 60001-UP

2шт.

7

01010-51016

BOLT

SN: 60001-UP

2шт.

8

01643-31032

WASHER

SN: 60001-UP

2шт.

9

23B-06-22361

BRACKET

SN: 60078-UP

1шт.

9

23B-06-22360

BRACKET

SN: 60001-60077

1шт.

10

01010-51016

BOLT

SN: 60001-UP

1шт.

11

01643-31032

WASHER

SN: 60001-UP

1шт.

|$12

23B-06-21510

WIRE ASS'Y

SN: 60032-UP

1шт.

|$13

23B-06-21190

WIRE ASS'Y

SN: 60001-60031

1шт.

12

23B-06-21520

WIRE

SN: 60032-UP

1шт.

12

23B-06-21210

WIRE

SN: 60001-60031

1шт.

13

283-06-16110

BOX,FUSE

SN: 60001-UP

1шт.

14

283-06-16180

FUSE, 5A

SN: 60001-UP

6шт.

14

283-06-16190

FUSE, 10A

SN: 60001-UP

5шт.

14

23B-06-12510

FUSE, 15A

SN: 60001-UP

3шт.

14

23B-06-12520

FUSE, 20A

SN: 60001-UP

5шт.

15

01220-40620

SCREW

SN: 60001-UP

2шт.

16

01643-30623

WASHER

SN: 60001-UP

2шт.

17

01640-20610

WASHER

SN: 60001-UP

2шт.

18

08034-00519

BAND

SN: 60001-UP

2шт.

19

08074-40000

SWITCH,BACK AND SAFETY

SN: 60001-UP

2шт.

20

236-06-23230

NUT

SN: 60001-UP

2шт.

21

233-45-11250

BRACKET

SN: 60001-UP

1шт.

22

01010-50616

BOLT

SN: 60001-UP

2шт.

23

01643-30623

WASHER

SN: 60001-UP

2шт.

24

23B-06-12310

SWITCH,PARKING BRAKE

SN: 60001-UP

1шт.

25

01583-11610

NUT

SN: 60001-UP

1шт.

26

08052-11711

CLIP

SN: 60001-UP

1шт.

27

01010-51025

BOLT

SN: 60001-UP

1шт.

28

01580-11008

NUT

SN: 60001-UP

1шт.

29

01643-31032

WASHER

SN: 60001-UP

1шт.

30

23B-06-11630

WIRE ASS'Y

SN: 60001-UP

1шт.

31

281-06-14280

SWITCH,STOP LAMP

SN: 60001-UP

1шт.

32

08036-11214

CLIP

SN: 60001-UP

1шт.

33

01010-51016

BOLT

SN: 60001-UP

1шт.

34

01643-31032

WASHER

SN: 60001-UP

1шт.

35

08037-02512

GROMMET

SN: 60001-UP

1шт.

36

238-06-11160

CABLE

SN: 60001-UP

1шт.

37

01010-51016

BOLT

SN: 60001-UP

2шт.

38

01643-31032

WASHER

SN: 60001-UP

2шт.

39

23A-06-12660

SWITCH,DIMMER

SN: 60032-UP

1шт.

39

235-06-13170

SWITCH,DIMMER

SN: 60001-60031

1шт.

40

23A-06-12650

SWITCH,TURN SIGNAL

SN: 60001-UP

2шт.

41

23B-06-13680

HARNESS

SN: 60078-UP

1шт.

Выбрано товаров: 49