Запчасти Komatsu GD625A-1 МАРКИРОВКА (АНГЛ.)(№-77) МАРКИРОВКА¤ ИНСТРУМЕНТ И РЕМКОМПЛЕКТЫ

Схема запчастей Komatsu GD625A-1 - МАРКИРОВКА (АНГЛ.)(№-77) МАРКИРОВКА¤ ИНСТРУМЕНТ И РЕМКОМПЛЕКТЫ
FIT
1:1
100%

Артикул

Название

Примечание

Количество

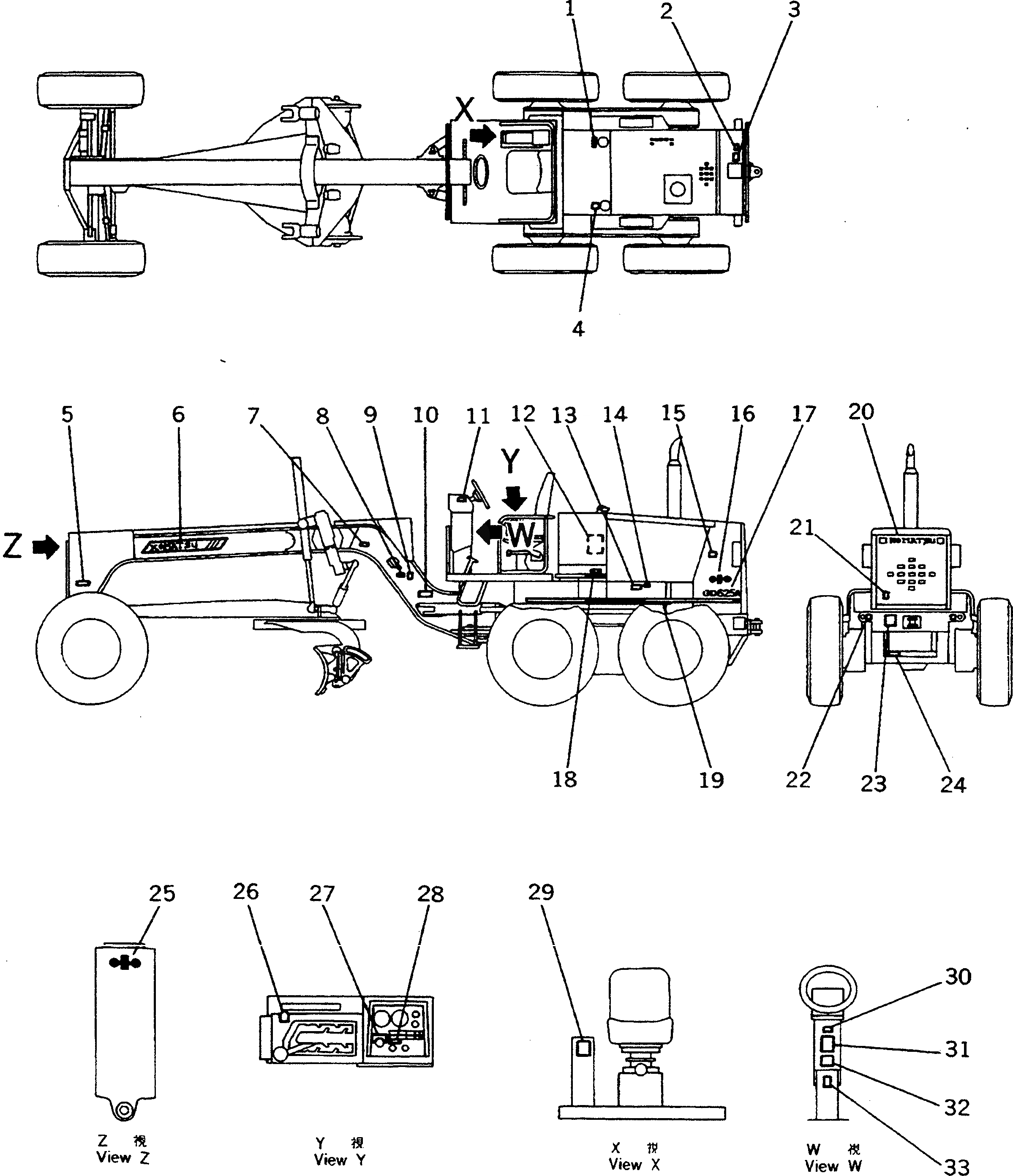
1

09101-13000

PLATE, INSTRUCTION,FUEL

SN: 60001-@

1шт.

2

09668-13000

PLATE, SAFETY,RADIATOR CAP

SN: 60001-@

1шт.

3

09650-30111

PLATE, INSTRUCTION,WATER LEVEL

SN: 60001-@

1шт.

4

09653-13000

PLATE, SAFETY,HYDRAULIC TANK CAP

SN: 60001-@

1шт.

5

234-53-32180

PLATE, CAUTION,STEERING HOSE

SN: 60001-60031

2шт.

6

23A-53-12210

PLATE, MARK,L.H.

SN: 60032-60077

1шт.

6

23A-53-12220

PLATE, MARK,R.H.

SN: 60032-60077

1шт.

6

23B-53-12120

PLATE,MASK, L.H.

SN: 60001-60031

1шт.

6

23B-53-12130

PLATE,MASK, R.H.

SN: 60001-60031

1шт.

6

09690-10630

PLATE, MARK,KOMATSU

SN: 60001-60031

2шт.

7

07843-30064

PLATE, CAUTION,AIR CYLINDER

SN: 60001-@

2шт.

8

09162-13000

PLATE, SAFETY,KEEP OUT

SN: 60001-@

2шт.

9

09161-13000

PLATE, CAUTION,ARTICULATE LOCK

SN: 60001-@

1шт.

10

09602-01643

PLATE, NAME,(LIMITED SUPPLY)

SN: 60001-60077

1шт.

10

04418-13060

SCREW

SN: 60001-@

4шт.

11

232-53-62780

PLATE, SAFETY,BANK PIN

SN: 60001-@

1шт.

12

23B-53-12260

CHART, OIL

SN: 60001-60077

1шт.

13

09664-30081

PLATE, SAFETY,BATTERY

SN: 60001-@

2шт.

14

09664-30065

PLATE, SAFETY,BATTERY

SN: 60001-60077

2шт.

15

09667-33000

PLATE, SAFETY,ENGINE COVER

SN: 60001-@

2шт.

16

09694-10280

PLATE, MARK,SYMBOL

SN: 60032-60077

2шт.

16

09694-10250

PLATE, MARK,SYMBOL

SN: 60001-60031

2шт.

17

23B-53-11320

PLATE, MARK,GD625A

SN: 60001-60077

2шт.

18

09652-30111

PLATE, CAUTION,WATER DRAIN

SN: 60001-@

1шт.

19

23B-53-11590

STRIPE

SN: 60001-@

2шт.

20

09690-10450

PLATE, MARK,KOMATSU

SN: 60001-60077

1шт.

21

234-53-32340

TAG

SN: 60001-@

1шт.

22

09960-01084

PLATE, MARK,HANDING

SN: 60071-@

4шт.

22

09960-11084

PLATE, MARK,HANDING

SN: 60001-60070

4шт.

23

232-98-55124

PLATE, MARK,LIFTING

SN: 60001-60077

1шт.

24

09152-13000

PLATE, SAFETY,AIR RESERVOIR

SN: 60001-@

1шт.

25

09694-00200

PLATE, MARK,SYMBOL

SN: 60001-60077

1шт.

26

236-54-24190

PLATE, OPERATING,ENGINE STOP

SN: 60001-60077

1шт.

27

09683-30160

PLATE, OPERATING,STARTING SWITCH

SN: 60001-60077

1шт.

28

23A-53-12121

PLATE, OPERATING,BANK PIN

SN: 60001-@

1шт.

29

232-53-62720

PLATE, CAUTION,TRANSMISSION LEVER

SN: 60001-@

1шт.

30

09651-13000

PLATE, SAFETY,BEFORE OPERATING

SN: 60001-@

1шт.

31

09164-13000

PLATE, SAFETY,AFTER OPERATING

SN: 60001-@

1шт.

32

23B-53-12140

PLATE, CAUTION,DRIVING

SN: 60001-@

1шт.

33

234-53-32310

PLATE, SAFETY

SN: 60001-@

1шт.

34

09649-13001

PLATE, INSTRUCTION,ENGINE STOP

SN: 60001-60077

1шт.

Выбрано товаров: 41