Запчасти Komatsu GD625A-1 ТРАНСМИССИЯ (УПРАВЛЯЮЩ. КЛАПАН) (/) СИЛОВАЯ ПЕРЕДАЧА

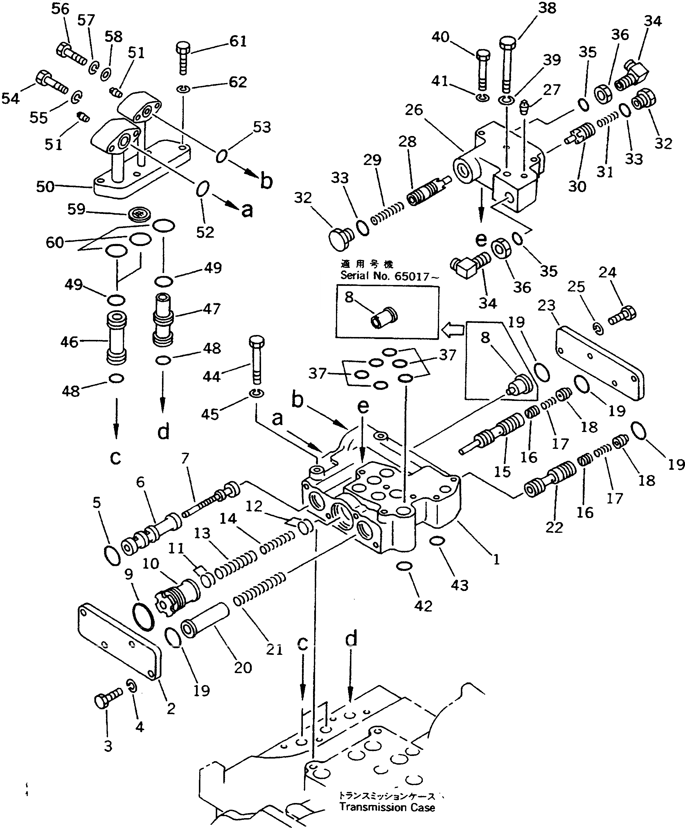
Схема запчастей Komatsu GD625A-1 - ТРАНСМИССИЯ (УПРАВЛЯЮЩ. КЛАПАН) (/) СИЛОВАЯ ПЕРЕДАЧА
FIT
1:1
100%

Артикул

Название

Примечание

Количество

|$$1

SERIAL NO. IN ( ) INDICATES TRANSMISSION SERIAL NO.

-1шт.

|$1

23B-15-00061

TRANSMISSION ASS'Y

SN: 65081-UP

1шт.

|$2

0

TRANSMISSION ASS'Y

SN: 65017-65080

1шт.

|$3

0

TRANSMISSION ASS'Y

SN: 60001-65016

1шт.

|$$5

THESE ASSEMBLIES CONSIST OF ALL PARTS SHOWN IN FIGS.2401 TO 2471

-1шт.

|$5

23B-15-11020

TRANSMISSION ASS'Y,(EXCEPT PTO)

SN: 65081-UP

1шт.

|$$7

THIS ASSEMBLY CONSISTS OF ALL PARTS SHOWN IN FIGS.2411 TO 2471.

-1шт.

|$7

23B-15-00191

VALVE ASS'Y,PRESSURE CONTROL

SN: 65017-UP

1шт.

|$8

0

VALVE ASS'Y,PRESSURE CONTROL

SN: 60001-65016

1шт.

1

232-15-15410

BODY

SN: 60001-UP

1шт.

2

232-15-15590

COVER

SN: 60001-UP

1шт.

3

01010-81030

BOLT

SN: 60001-UP

4шт.

4

01602-21030

WASHER,SPRING

SN: 60001-UP

4шт.

5

07000-73035

O-RING (K2)

SN: 60001-UP

1шт.

6

232-15-15540

SLEEVE

SN: 60001-UP

1шт.

7

23B-15-15522

SPOOL,QUICK RETURN VALVE

SN: 65017-UP

1шт.

7

23B-15-15520

SPOOL,QUICK RETURN VALVE

SN: 60001-65016

1шт.

8

23B-15-15550

STOPPER

SN: 65017-UP

1шт.

8

232-15-15550

STOPPER

SN: 60001-65016

1шт.

9

07000-73045

O-RING (K2)

SN: 60001-UP

1шт.

10

232-15-15490

VALVE

SN: 60001-UP

1шт.

11

238-15-15890

SHIM, 0.5MM

SN: 60001-UP

13шт.

12

232-15-15890

SHIM, 0.5MM

SN: 60001-UP

4шт.

13

234-15-26210

SPRING,(L=86.7)

SN: (5022)-UP

1шт.

13

0

SPRING,(L=86.7)

SN: 60001-(5021)

1шт.

14

232-15-16220

SPRING,(L=71.2)

SN: 60001-UP

1шт.

15

232-15-15470

VALVE,MODULATING

SN: 60001-UP

1шт.

16

195-15-15130

VALVE

SN: 60001-UP

2шт.

17

180-14-25560

SPRING,(L=35)

SN: 60001-UP

2шт.

18

175-15-15550

VALVE

SN: 60001-UP

2шт.

19

07000-73032

O-RING (K2)

SN: 60001-UP

4шт.

20

232-15-15460

STOPPER

SN: 60001-UP

1шт.

21

232-15-16160

SPRING,(L=115.5)

SN: 60001-UP

1шт.

22

232-15-15420

VALVE,PRIORITY

SN: 60001-UP

1шт.

23

232-15-15580

COVER

SN: 60001-UP

1шт.

24

01010-81030

BOLT

SN: 60001-UP

4шт.

25

01602-21030

WASHER,SPRING

SN: 60001-UP

4шт.

|$37

23B-15-00200

VALVE ASS'Y,LUB. AND COOLER BYPASS

SN: 60001-UP

1шт.

|$38

23B-15-00150

VALVE BODY ASS'Y

SN: 60001-UP

1шт.

26

0

BODY,VALVE

SN: 60001-UP

1шт.

27

07042-20108

PLUG

SN: 60001-UP

1шт.

28

232-15-14130

VALVE,COOLER BYPASS

SN: 60001-UP

1шт.

29

232-15-14160

SPRING,(L=71.4)

SN: 60001-UP

1шт.

30

232-15-14230

VALVE,LUBRICATION

SN: 60001-UP

1шт.

31

232-15-14260

SPRING, (L= 39.4)

SN: 60001-UP

1шт.

32

232-15-14280

PLUG

SN: 60001-UP

2шт.

33

07002-02434

O-RING (K2)

SN: 60001-UP

2шт.

34

07235-10628

ELBOW

SN: 65017-UP

2шт.

34

0

ELBOW

SN: 60001-65016

2шт.

35

07002-02434

O-RING (K2)

SN: 60001-UP

2шт.

36

07239-12410

NUT

SN: 60001-65016

2шт.

37

07000-72021

O-RING (K2)

SN: 60001-UP

6шт.

38

01011-81030

BOLT

SN: 60001-UP

1шт.

39

01602-21030

WASHER,SPRING

SN: 60001-UP

1шт.

40

01010-80860

BOLT

SN: 60001-UP

3шт.

41

01602-20825

WASHER,SPRING

SN: 60001-UP

3шт.

42

07000-72021

O-RING (K2)

SN: 60001-UP

7шт.

43

07000-72014

O-RING (K2)

SN: 60001-UP

3шт.

44

01010-81085

BOLT

SN: 60001-UP

2шт.

45

01602-21030

WASHER,SPRING

SN: 60001-UP

2шт.

46

23B-15-15650

TUBE

SN: 60001-UP

1шт.

47

07042-20108

PLUG

SN: 60001-UP

2шт.

48

07000-73022

O-RING (K2)

SN: 60001-UP

1шт.

49

07000-72012

O-RING (K2)

SN: 60001-UP

1шт.

50

01010-81055

BOLT

SN: 60001-UP

2шт.

51

01602-21030

WASHER,SPRING

SN: 60001-UP

2шт.

52

01010-80850

BOLT

SN: 60001-UP

2шт.

53

01602-20825

WASHER,SPRING

SN: 60001-UP

2шт.

54

01643-30823

WASHER

SN: 60001-UP

2шт.

55

238-15-15630

STRAINER

SN: 60001-UP

1шт.

56

07000-73035

O-RING (K2)

SN: 60001-UP

3шт.

57

01010-81240

BOLT

SN: 60001-UP

4шт.

58

01602-21236

WASHER,SPRING

SN: 60001-UP

4шт.

Выбрано товаров: 73