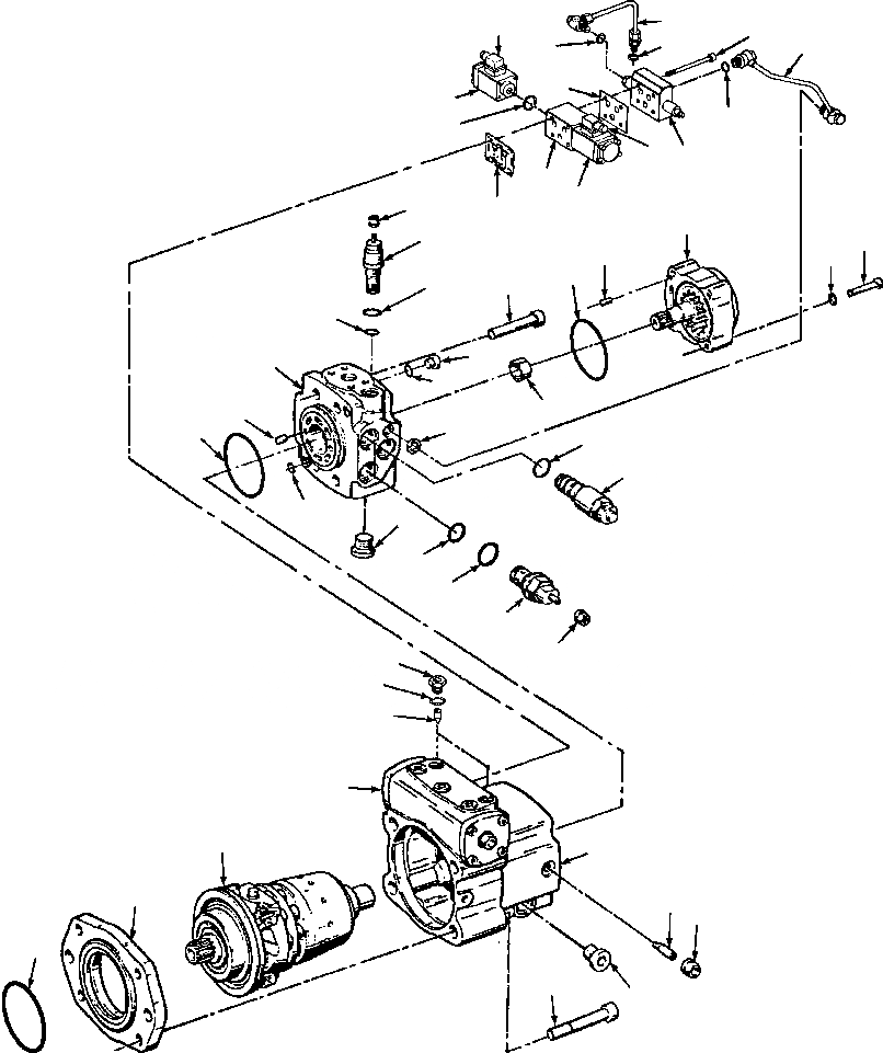
Запчасти Komatsu GD650A-1 AWD НАСОС ГИДРАВЛS

Схема запчастей Komatsu GD650A-1 - AWD НАСОС ГИДРАВЛS
4
10
12
1
5
5
6
9
2
8
11
3
7
9
24
13
16
23
14
17
15
18
25
19
26
21
27
22
28
20
29
2
33
32
30
31
38
37
35
36
39
40
41
47
48
42
49
43
44
50
46
45
FIT
1:1
100%

Артикул

Название

Примечание

Количество

|$0

1253 107 H91

PUMP, AWD

1шт.

1

134 305

KIT, CONTROL PIPE

1шт.

2

NSS

O-RING

2шт.

3

1267 880 H1

VALVE, PRESSURE OVERIDE

1шт.

4

134 311

KIT, PRESSURE OVERIDE CONTROL PIPE

1шт.

5

NSS

O-RING

2шт.

6

134 312

GASKET

1шт.

7

1267 882 H91

VALVE ASSEMBLY

1шт.

8

574 069 R1

O-RING

2шт.

9

1267 881 H1

SOLENOID

2шт.

10

134 314

CONNECTOR - BLACK

1шт.

11

134 313

CONNECTOR - GRAY

1шт.

12

1267 875 H1

BOLT

4шт.

13

134 301

GASKET

1шт.

14

31 210 R1

BOLT

4шт.

15

934 309 R1

WASHER, LOCK

4шт.

16

134 304

PUMP, CHARGE

1шт.

17

NSS

PIN

2шт.

18

NSS

O-RING

1шт.

19

NSS

BOLT

4шт.

20

NSS

BUSHING

1шт.

21

NSS

PLUG

1шт.

22

NSS

O-RING

1шт.

23

134 307

CARTRIDGE, PRESSURE RELIEF

1шт.

24

NSS

SEAL, LOCK NUT

1шт.

25

NSS

O-RING

1шт.

26

NSS

O-RING

1шт.

27

NSS

PLATE, CONNECTION

1шт.

28

NSS

PIN

1шт.

29

NSS

O-RING

1шт.

30

NSS

O-RING

1шт.

31

NSS

PLUG

1шт.

32

NSS

CARTRIDGE, CONTROL

1шт.

33

NSS

O-RING

1шт.

35

134 306

CARTRIDGE, MAIN RELIEF

2шт.

36

NSS

SEAL, LOCK NUT

1шт.

37

NSS

O-RING

1шт.

38

NSS

O-RING

1шт.

39

634 152 C1

PLUG

5шт.

40

369 751 R1

O-RING

5шт.

41

NSS

JET, FUEL

2шт.

42

1267 873 H1

HOUSING

1шт.

43

NSS

SCREW, ECCENTRIC

1шт.

44

NSS

SEAL, LOCK NUT

1шт.

45

630 215 C1

PLUG

1шт.

46

NSS

BOLT

4шт.

47

CONTROL, HYDRAULIC (SEE PG 10-068)

-29шт.

48

ROTARY GROUP (SEE PG 10-074)

-29шт.

49

NSS

FLANGE

1шт.

50

NSS

O-RING

1шт.

|$58

-1шт.

|$51

F1 - INCLUDED IN THE FOLLOWING:

-1шт.

|$52

134 303

KIT, SEAL

1шт.

|$59

-1шт.

|$54

F2 - INCLUDED IN THE FOLLOWING:

-1шт.

|$55

1267 876 H91

KIT, CARTRIDGE O-RING

1шт.

|$60

-1шт.

|$57

F3 - FOR PUMP MOUNTING, SEE PG 10-055

-1шт.

|$61

-1шт.

Выбрано товаров: 59