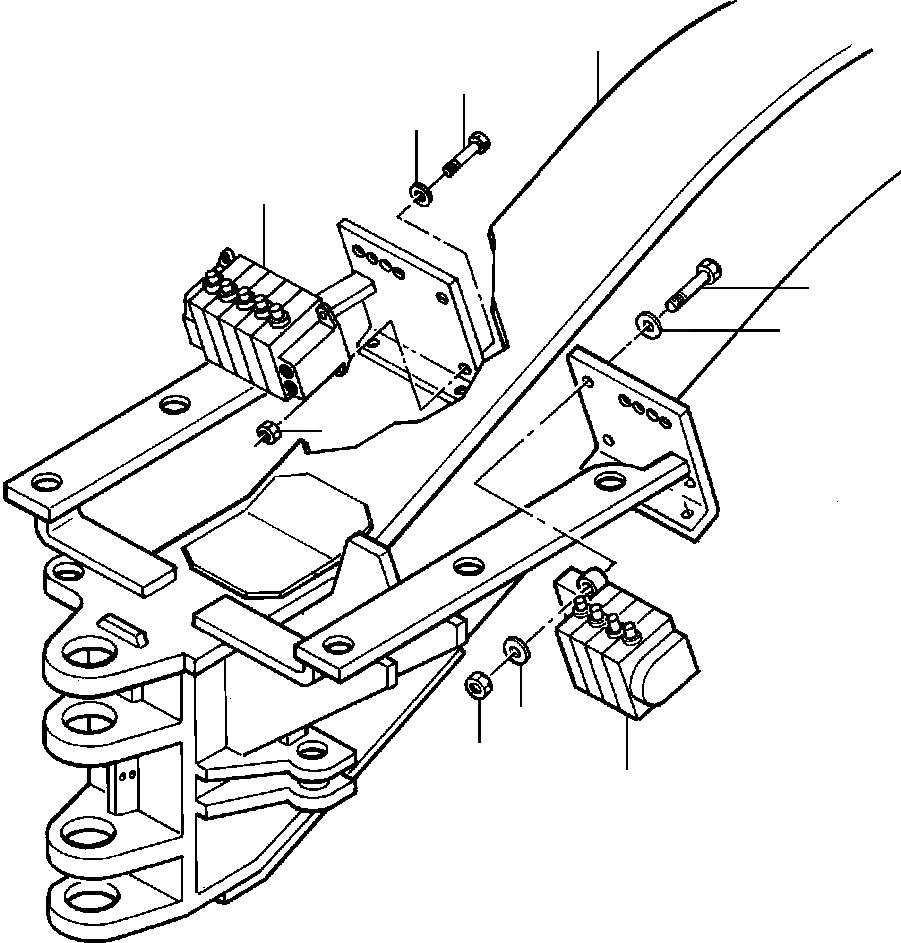
Запчасти Komatsu GD650A-1 КРЕПЛЕНИЕ КОНТРОЛЬНОГО КЛАПАНА ГИДРАВЛS

Схема запчастей Komatsu GD650A-1 - КРЕПЛЕНИЕ КОНТРОЛЬНОГО КЛАПАНА ГИДРАВЛS
1
3
4
2
5
4
7
4
7
6
FIT
1:1
100%

Артикул

Название

Примечание

Количество

1

FRAME, FRONT (SEE PG 09-002)

-29шт.

2

VALVE, CONTROL - L.H. (SEE PG 10-096)

-29шт.

3

24 842 R1

BOLT

1шт.

4

25 544 R1

WASHER, FLAT

11шт.

5

24 843 R1

BOLT

5шт.

6

VALVE, CONTROL - R.H. (SEE PG 10-102)

-29шт.

7

25 522 R1

NUT, HEX

6шт.

|$$8

-1шт.

|$8

FOR CONTROL LEVERS, SEE PG 05-007

-1шт.

Выбрано товаров: 9