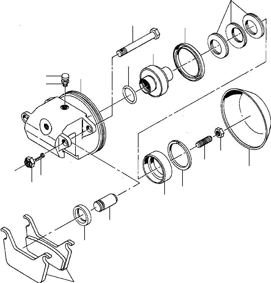
Запчасти Komatsu GD650A-1 СТОЯНОЧНЫЙ ТОРМОЗ CALIPER ТОРМОЗ.S

Схема запчастей Komatsu GD650A-1 - СТОЯНОЧНЫЙ ТОРМОЗ CALIPER ТОРМОЗ.S
8
13
4
7
3
16
18
17
12
11
5
15
14
10
9
6
2
1
FIT
1:1
100%

Артикул

Название

Примечание

Количество

|$0

1283 965 H91

CALIPER, PARKING BRAKE

1шт.

1

1430 228 H91

PAD, BRAKE

2шт.

|$2

1430 242 H91

KIT, SEAL

1шт.

2

NSS

SEAL, DUST

1шт.

3

NSS

O-RING

1шт.

4

NSS

SEAL, OIL

1шт.

5

1430 235 H1

SEAL, DUST

1шт.

6

1430 238 H1

ROD, PUSH

1шт.

7

1430 237 H1

PISTON

1шт.

8

1430 232 H91

SET, SPRING

1шт.

9

1430 236 H1

RING

1шт.

10

1430 231 H1

RING, LOCK

1шт.

11

1430 234 H1

SCREW, SET

1шт.

12

1430 233 H1

NUT, HEX

1шт.

13

1430 239 H1

BOLT

2шт.

14

1430 240 H1

NUT, CASTLE

2шт.

15

1430 241 H1

PIN, SPLIT

2шт.

16

NSS

BODY

1шт.

17

1430 229 H1

BLEEDER

1шт.

18

1430 230 H1

CAP, DUST

1шт.

Выбрано товаров: 20