Запчасти Komatsu GD650A-1 ТОПЛИВН. & ГИДР. БАК. ДРЕНАЖНЫЕ ПАТРУБКИ POWER

Схема запчастей Komatsu GD650A-1 - ТОПЛИВН. & ГИДР. БАК. ДРЕНАЖНЫЕ ПАТРУБКИ POWER
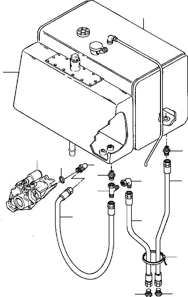
11
1
10
15
14
13
2
9
4
3
12
5
8
7
6
FIT
1:1
100%

Артикул

Название

Примечание

Количество

1

TANK, HYDRAULIC OIL (SEE PG 10-174)

-29шт.

2

9402 710

CONNECTOR

1шт.

3

9410 334

TEE

1шт.

4

9410 282

ELBOW

1шт.

5

66 650

HOSE

1шт.

6

9403 334

PLUD, HYDRAULIC OIL DRAIN

1шт.

7

9403 333

PLUG, FUEL TANK DRAIN

1шт.

8

935 522 C1

STRAP, TIE

3шт.

9

162 918

HOSE

1шт.

10

255 678 C1

CONNECTOR

1шт.

11

TANK, FUEL (SEE PG 12-012)

-29шт.

12

66 650

HOSE (SEE PG 10-004)

-29шт.

13

9410 978

ELBOW - 90°

-54шт.

14

364 885 R1

O-RING

-54шт.

15

PUMP, HYDRAULIC (SEE PG 10-060)

-29шт.

Выбрано товаров: 15