Запчасти Komatsu GD650A-1 THROTTLE УПРАВЛ-Е POWER

Схема запчастей Komatsu GD650A-1 - THROTTLE УПРАВЛ-Е POWER
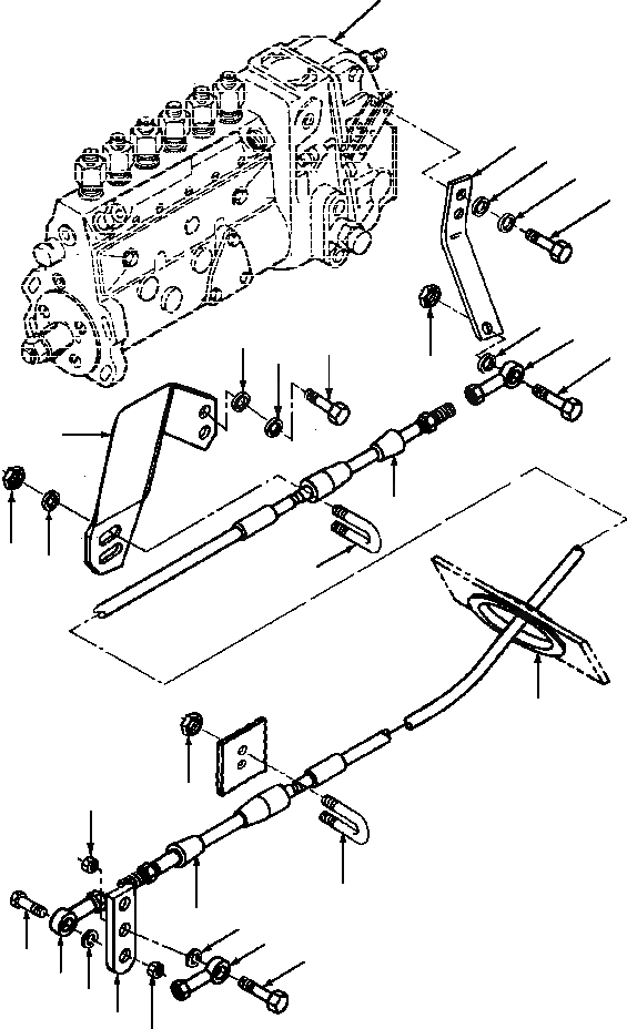
18
17
21
20
19
3
5
15
13
16
14
6
12
7
10
9
8
11
6
10
8
3
7
2
1
1
5
3
4
6
FIT
1:1
100%

Артикул

Название

Примечание

Количество

1

25 483 R1

BOLT

2шт.

2

LINKAGE, CONTROL (SEE PG 12-022)

-29шт.

3

120 380 R1

WASHER, LOCK

3шт.

4

BELLCRANK (SEE PG 12-022)

-29шт.

5

899 392 C1

END, ROD

2шт.

6

26 110 R1

NUT, HEX

2шт.

7

1285 764 H1

CABLE, GOVERNOR CONTROL

1шт.

8

29 358

U-BOLT

2шт.

9

27 326 R1

WASHER, FLAT

2шт.

10

9413 977

NUT, LOCK

4шт.

11

48 494

GROMMET

1шт.

12

1243 304 H3

BRACKET

1шт.

13

30 019 R1

BOLT

2шт.

14

933 965 R1

WASHER, LOCK

2шт.

15

30 176 R1

WASHER, FLAT

2шт.

16

25 483 R1

BOLT

1шт.

17

1244 986 H2

LEVER, THROTTLE

1шт.

18

PUMP, FUEL INJECTOR (SEE PG E4-006)

-29шт.

19

30 191 R1

BOLT

2шт.

20

933 833 R1

WASHER, LOCK

2шт.

21

30 209 R1

WASHER, FLAT

2шт.

Выбрано товаров: 21