Запчасти Komatsu GD650A-1 THROTTLE УПРАВЛ-Е - ДВОЙН. HP POWER

Схема запчастей Komatsu GD650A-1 - THROTTLE УПРАВЛ-Е - ДВОЙН. HP POWER
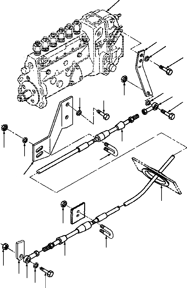
15
14
17
16
3
2
13
12
5
1
6
9
8
7
11
10
9
7
6
5
4
2
3
1
FIT
1:1
100%

Артикул

Название

Примечание

Количество

1

25 483 R1

BOLT

2шт.

2

899 392 C1

END, ROD

2шт.

3

69 518

SPACER

2шт.

4

BELLCRANK (SEE PG 12-022)

-29шт.

5

9413 950

NUT, LOCK

2шт.

6

1285 764 H1

CABLE, GOVERNOR CONTROL

1шт.

|$6

299 565 C1

CLAMP

1шт.

7

29 358

U-BOLT

2шт.

8

27 326 R1

WASHER, FLAT

2шт.

9

9413 977

NUT, LOCK

4шт.

10

48 494

GROMMET

1шт.

11

1269 438 H1

BRACKET

1шт.

12

30 019 R1

BOLT

2шт.

13

30 176 R1

WASHER, FLAT

2шт.

14

1269 439 H1

LEVER, THROTTLE

1шт.

15

PUMP, FUEL INJECTOR (SEE PG E4-010)

-29шт.

16

30 191 R1

BOLT

2шт.

17

30 209 R1

WASHER, FLAT

2шт.

Выбрано товаров: 0