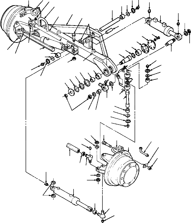
Запчасти Komatsu GD650A-1 AWD ПЕРЕДНИЙ МОСТ ПОДВЕСКА

Схема запчастей Komatsu GD650A-1 - AWD ПЕРЕДНИЙ МОСТ ПОДВЕСКА
1
2
23
16
12
11
3
10
18
6
17
4
7
18
20
8
15
35
34
33
32
19
19
31
20
39
43
30
11
21
21
44
54
12
22
14
45
9
23
53
13
29
27
28
14
12
36
26
25
18
13
8
11
24
22
37
4
38
11
12
20
5
19
13
14
48
42
43
2
47
44
46
49
50
39
40
41
16
42
51
52
40
41
44
43
13
4
14
FIT
1:1
100%

Артикул

Название

Примечание

Количество

|$0

158 206

AXLE ASSEMBLY, FRONT - AWD

1шт.

1

BOX, GEAR - L.H. (SEE PG 14-010)

-29шт.

2

158 213

GUARD, HOSE

2шт.

3

158 212

GUARD, HOSE

2шт.

4

152 285

ROD ASSEMBLY, LEANING WHEEL

1шт.

5

63 096

BUSHING, BALL

2шт.

6

157 663

AXLE WELDMENT, FRONT

1шт.

7

140 310

STUD

2шт.

8

140 514

WASHER, THRUST

6шт.

9

160 951

U-BOLT

2шт.

10

1286 119 H91

SHAFT, AXLE PIVOT

1шт.

11

158 210

BUSHING

6шт.

12

158 211

PLATE, COVER

6шт.

13

99 311

RING, RETAINING

6шт.

14

109 461

FITTING, GREASE

6шт.

15

157 536 H45

PIN

1шт.

|$16

82 193

PIN, COTTER

2шт.

16

117 175

FITTING, GREASE - 45°

3шт.

17

CYLINDER, LEANING WHEEL (SEE PG 10-152)

-29шт.

18

117 175

FITTING, GREASE - 45°

3шт.

19

59 976

NUT, LOCK

5шт.

20

1430 896 H1

WASHER, FLAT

3шт.

21

160 696

PIN, LEANING WHEEL

2шт.

22

85 045

WASHER, FLAT

4шт.

23

31 229 H45

BOLT - WELDED TO YOKE

2шт.

24

82 867

WASHER, FLAT

2шт.

25

157 919

O-RING

4шт.

26

140 561 H45

BEARING, THRUST

4шт.

27

1431 176 H1

REATINER, SEAL

4шт.

28

157 911

SPACER

2шт.

29

157 673

BUSHING

2шт.

30

157 912

PIN, PIVOT

2шт.

31

34 854

O-RING

2шт.

32

157 914

BUSHING

2шт.

33

71 489 C

GASKET

2шт.

34

157 915

COVER

2шт.

35

25 752 R1

BOLT

6шт.

|$37

37 094

WASHER, LOCK

6шт.

36

154 658

YOKE, STEERING - R.H

1шт.

|$39

157 918

YOKE, STEERING - L.H

1шт.

37

55 146

PIN, ROLL

2шт.

38

158 209

PIN

2шт.

39

154 130

ROD, TIE

1шт.

40

218 407

NUT, HEX

3шт.

41

1285 543 H91

SOCKET - R.H

3шт.

42

26 963 R1

NUT, SLOTTED

1шт.

|$46

103 389

PIN, COTTER

3шт.

43

92 340

WASHER, FLAT

4шт.

44

109 461

FITTING, GREASE

4шт.

45

1285 544 H91

SOCKET - L.H

1шт.

|$50

26 963 R1

NUT, SLOTTED

1шт.

|$51

103 389

PIN, COTTER

1шт.

46

BOX, GEAR - R.H. (SEE PG 14-010)

-29шт.

47

162 294

EXTENSION, VALVE

2шт.

48

86 784

BOLT, RIBBED NECK

12шт.

49

110 748

CLAMP, RIM

12шт.

50

10 790

NUT, HEX

12шт.

51

CYLINDER, STEERING (SEE PG 10-130)

-29шт.

52

140 308

SPACER

4шт.

53

49 305

NUT, LOCK

2шт.

54

140 255

NUT, HEX - L.H

1шт.

Выбрано товаров: 61