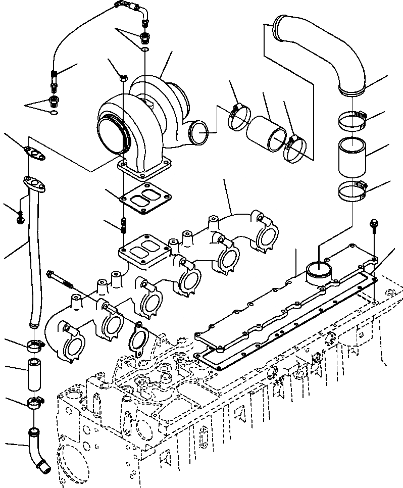
Запчасти Komatsu GD650A-1 TURBO ТРУБЫ ГОЛОВКА ЦИЛИНДРОВ

Схема запчастей Komatsu GD650A-1 - TURBO ТРУБЫ ГОЛОВКА ЦИЛИНДРОВ
1
3
17
2
6
5
1
18
5
9
16
15
8
7
13
11
12
11
10
4
4
4
4
14
FIT
1:1
100%

Артикул

Название

Примечание

Количество

1

1282 066 H2

ELBOW, PLAIN ADAPTER

2шт.

|$1

1294 458 H1

O-RING

1шт.

2

1294 153 H1

HOSE, FLEXIBLE

1шт.

3

TURBOCHARGER (SEE PG E1-014)

-29шт.

4

1239 531 H1

CLAMP, HOSE

4шт.

5

1294 856 H1

HOSE, PLAIN

2шт.

6

1241 032 H1

TUBE, AIR

1шт.

7

GASKET, INTAKE MANIFOLD COVER (SEE PG E1-016)

-29шт.

8

COVER, INTAKE MANIFOLD (SEE PG E1-016)

-29шт.

9

MANIFOLD, EXHAUST (SEE PG E1-016)

-29шт.

10

1240 658 H1

TUBE, TURBO OIL DRAIN

1шт.

11

1270 366 H1

CLAMP, HOSE

2шт.

12

1240 659 H1

HOSE, PLAIN

1шт.

13

1241 033 H2

CONNECTION, TURBO OIL DRAIN

1шт.

14

1240 140 H1

BOLT

2шт.

15

1240 549 H1

STUD

4шт.

16

GASKET, TURBOCHARGER (SEE PG E1-014)

-29шт.

17

1240 550 H1

NUT, HEX

4шт.

18

GASKET, OIL DRAIN (SEE PG E1-014)

-29шт.

Выбрано товаров: 19