Запчасти Komatsu GD650A-1 ПЕРЕДН. ПРИВОД COVER БЛОК ЦИЛИНДРОВ

Схема запчастей Komatsu GD650A-1 - ПЕРЕДН. ПРИВОД COVER БЛОК ЦИЛИНДРОВ
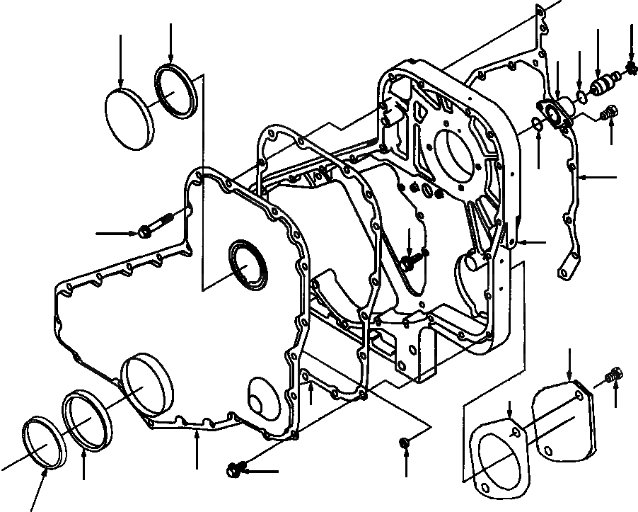
6
9
7
5
8
10
17
11
16
3
18
20
19
12
21
2
1
13
15
14
4
FIT
1:1
100%

Артикул

Название

Примечание

Количество

1

1257 939 H1

PLUG, EXPANSION

1шт.

2

1240 140 H1

BOLT

17шт.

3

1240 141 H1

BOLT

5шт.

4

1240 144 H1

BOLT

6шт.

5

1240 216 H1

COVER, ACCESS HOLE

1шт.

6

1240 217 H1

O-RING

1шт.

7

1240 240 H1

PIN, TIMING

1шт.

8

1241 283 H1

O-RING

1шт.

9

1240 296 H1

RING, RETAINING

1шт.

10

1295 493 H1

HOUSING, TIMING PIN

1шт.

11

1241 284 H2

O-RING

1шт.

12

1241 282 H2

GASKET, GEAR COVER

1шт.

|$12

1241 214 H1

KIT, OIL SEAL - FRONT

1шт.

13

NSS

SEAL, OIL - FRONT

1шт.

14

1278 592 H1

COVER, GEAR

1шт.

15

1294 852 H1

DUST SHIELD

1шт.

16

1278 593 H1

GASKET, GEAR HOUSING

1шт.

17

1240 383 H1

BOLT

2шт.

18

1241 247 H92

HOUSING, GEAR

1шт.

19

1241 272 H1

GASKET, ACCESSORY DRIVE COVER

1шт.

20

1241 225 H1

COVER, ACCESSORY DRIVE

1шт.

21

1240 173 H1

BOLT

2шт.

|$24

-1шт.

|$23

F1 - INCLUDES INSTALLATION TOOLS

-1шт.

|$25

-1шт.

Выбрано товаров: 25