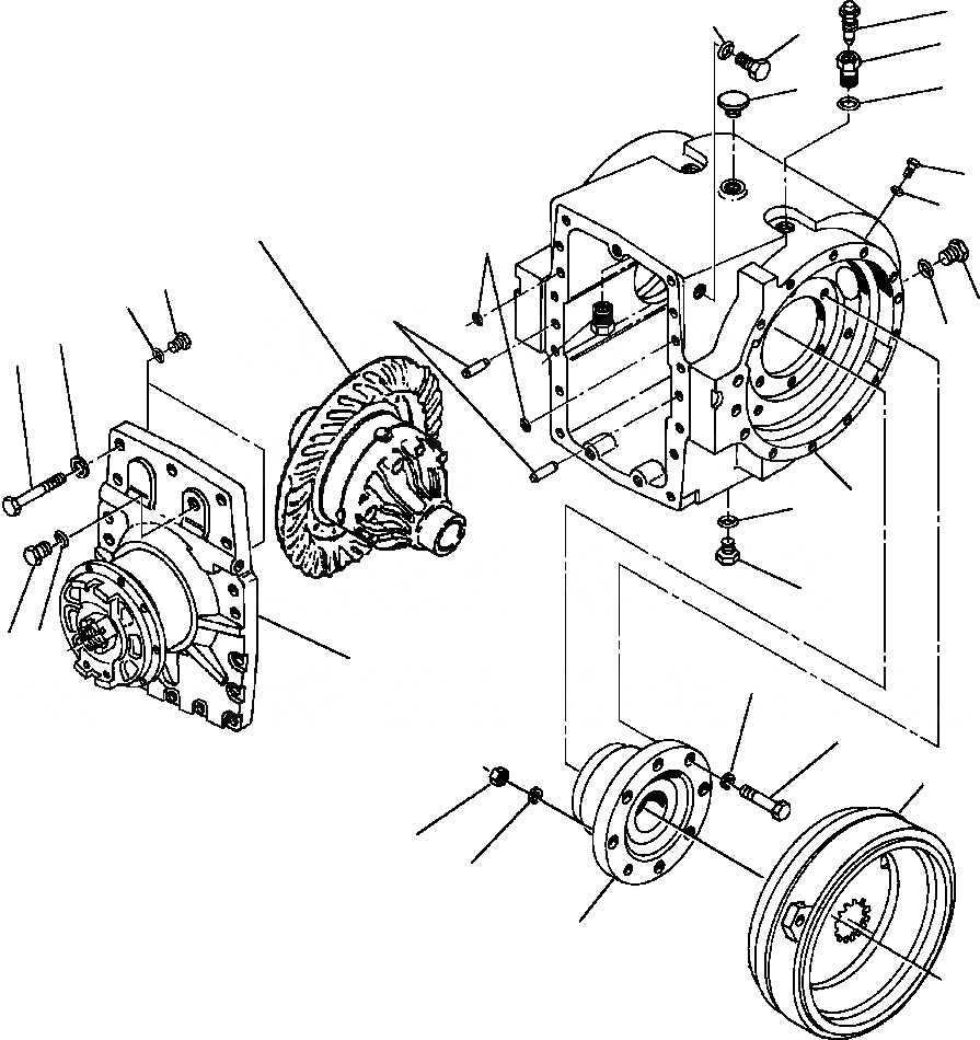
Запчасти Komatsu GD650A-1 ДИФФЕРЕНЦ. КОРПУС ASSEMBLY БЛОКИР./UNБЛОКИР. ДИФФЕРЕНЦ. ПРИВОД TRAIN

Схема запчастей Komatsu GD650A-1 - ДИФФЕРЕНЦ. КОРПУС ASSEMBLY БЛОКИР./UNБЛОКИР. ДИФФЕРЕНЦ. ПРИВОД TRAIN
17
16
15
18
19
12
28
29
8
10
6
5
9
13
4
14
3
11
20
22
21
1
2
7
24
25
27
23
24
26
FIT
1:1
100%

Артикул

Название

Примечание

Количество

|$0

1431 880 H91

CASE ASSEMBLY, DIFFERENTIAL

1шт.

1

9410 361

PLUG

1шт.

2

368 269 R1

O-RING

1шт.

3

30 068 R1

BOLT

15шт.

4

1430 248 H1

WASHER, FLAT

15шт.

5

1432 920 H1

O-RING

2шт.

6

1432 919 H1

PLUG

2шт.

7

INPUT QUILL ASSEMBLY (SEE PG 07-056)

-29шт.

8

DIFFERENTIAL ASSEMBLY (SEE PG 07-066)

-29шт.

9

19 875 R1

PIN, DOWEL

2шт.

10

606 271 C1

O-RING

2шт.

11

1431 076 H1

REDUCER

1шт.

12

1430 220 H91

BREATHER

1шт.

13

9410 361

PLUG

2шт.

14

368 269 R1

O-RING

2шт.

15

9410 360

PLUG

1шт.

16

364 885 R1

O-RING

1шт.

17

1430 204 H1

SCREW, BLEED

2шт.

18

1430 203 H1

BUSHING, BLEEDER

2шт.

19

364 839 R1

O-RING

2шт.

20

1431 834 H1

CASE

1шт.

21

1430 249 H1

PLUG

1шт.

22

368 269 R1

O-RING

1шт.

23

30 169 R1

NUT, HEX

2шт.

24

149 897

WASHER, FLAT

12шт.

25

1432 900 H1

BOLT

12шт.

26

DIFFERENTIAL BEARING QUILLS (SEE PG 07-060)

-29шт.

27

BRAKES (SEE PG 04-010)

-29шт.

28

9410 358

PLUG

1шт.

29

364 839 R1

O-RING

1шт.

Выбрано товаров: 30