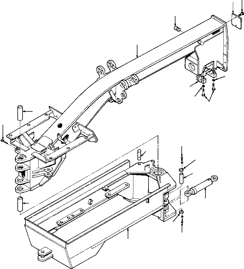
Запчасти Komatsu GD650A-1 ОСНОВН. РАМА РАМА

Схема запчастей Komatsu GD650A-1 - ОСНОВН. РАМА РАМА
6
7
9
8
11
10
11
12
15
13
4
14
3
2
5
15
1
3
4
FIT
1:1
100%

Артикул

Название

Примечание

Количество

|$0

1430 768 H91

FRAME ASSEMBLY, MAIN

1шт.

1

1278 202 H91

FRAME WELDMENT - REAR

1шт.

2

1252 547 H1

PIN, ARTICULATION CYLINDER

4шт.

3

159 277

PLATE, RETAINING

8шт.

4

24 841 R1

BOLT

16шт.

|$5

25 534 R1

WASHER, FLAT

16шт.

5

CYLINDER, ARTICULATION (SEE PG 10-154)

-29шт.

6

24 859 R1

BOLT

2шт.

|$8

25 536 R1

WASHER, FLAT

2шт.

7

1431 305 H1

PLATE, FRONT COVER

1шт.

8

1430 773 H91

FRAME WELDMENT - FRONT

1шт.

9

31 035

STUD, BALL

2шт.

10

1431 413 H91

RETAINER ASSEMBLY, FRONT AXLE

1шт.

11

25 538 R1

WASHER, FLAT

8шт.

12

25 515 R1

BOLT - TIGHTEN TO 280 FT/LBS WET

8шт.

13

139 345 H45

PIN, HITCH

1шт.

14

159 279

PIN, ARTICULATION JOINT LOCK

1шт.

15

JOINT ASSEMBLY, ARTICULATION (SEE PG 09-004)

-29шт.

Выбрано товаров: 0