Запчасти Komatsu GD650A-2 РУЛЕВ. УПРАВЛЕНИЕ КОНСОЛЬ РУЛЕВ. УПРАВЛЕНИЕ

Схема запчастей Komatsu GD650A-2 - РУЛЕВ. УПРАВЛЕНИЕ КОНСОЛЬ РУЛЕВ. УПРАВЛЕНИЕ
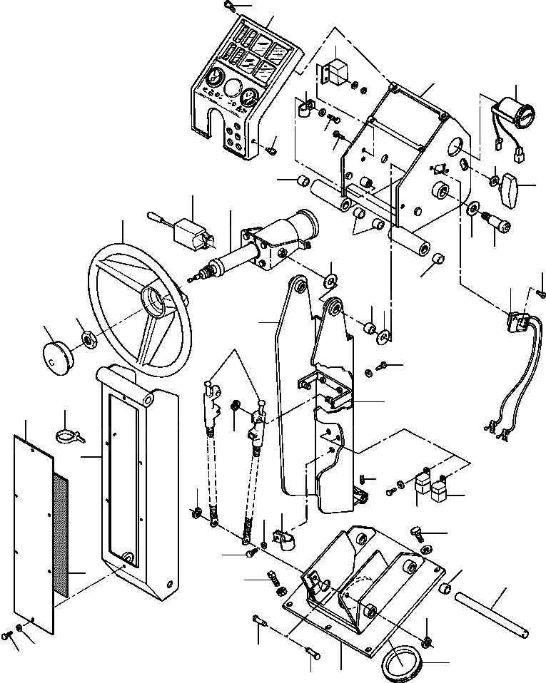
1
2
8
9
4
5
3
6
7
10
16
11
18
17
19
16
15
15
34
14
12
13
16
16
15
20
21
28
26
30
29
24
22
27
25
27
32
33
41
31
35
40
16
43
39
36
27
41
42
23
37
38
42
FIT
1:1
100%

Артикул

Название

Примечание

Количество

|$0

1433 479 H91

CONSOLE ASSEMBLY, STEERING

-54шт.

1

120 621

SCREW, OVAL HEAD

4шт.

2

PANEL, STEERING CONSOLE INSTRUMENT (SEE PG 10-130)

-29шт.

3

159 947

SCREW, PAN HEAD

2шт.

4

1281 493 H91

HEAD WELDMENT, CONSOLE

1шт.

5

299 412 C1

CLAMP, CABLE

2шт.

6

25 485 R1

BOLT

2шт.

|$7

120 380 R1

WASHER, LOCK

2шт.

7

455 858

SCREW, MACHINE

2шт.

|$9

178 378

WASHER, LOCK

2шт.

|$10

120 361

NUT, HEX

2шт.

8

1125 296 C1

FLASHER, TURN SIGNAL

1шт.

9

1220 651 H2

METER, HOUR

1шт.

10

25 555 R1

WASHER, FLAT

1шт.

11

1253 048 H1

KNOB, UTILITY

1шт.

12

23 979 R1

SCREW, FLAT HEAD

2шт.

13

1253 211 H91

CONTROL, LOCK

1шт.

14

1253 043 H1

BOLT, SHOULDER

2шт.

15

1253 026 H1

WASHER, BEARING

18шт.

16

120 437 H45

BEARING

10шт.

17

CONTROL ASSEMBLY, STEERING (SEE PG 05-010)

-29шт.

18

1253 197 H92

LEVER, TURN SIGNAL

1шт.

|$22

311 164 C91

CLAMP

1шт.

19

1244 479 H1

WHEEL, STEERING

1шт.

20

368 576 R1

NUT, STEERING WHEEL

1шт.

21

1249 404 H91

BUTTON, HORN

1шт.

22

1281 488 H1

COVER, CONSOLE

1шт.

23

25 222 R1

BOLT

6шт.

24

158 663

STRAP, TIE

10шт.

25

1281 482 H91

CHANNEL WELDMENT, REAR

1шт.

26

1253 047 H91

LOCK, CONSOLE

2шт.

27

104 977 R1

RING, RETAINING

4шт.

28

1281 487 H91

CHANNEL WELDMENT, FRONT

1шт.

29

1281 471 H92

BRACKET, LOCK MOUNTING

1шт.

30

25 493 R1

BOLT

2шт.

|$35

25 533 R1

WASHER, FLAT

2шт.

31

1432 716 H1

RELAY - 24 VOLT

1шт.

32

1433 480 H1

RELAY - 12 VOLT

1шт.

|$38

25 480 R1

BOLT

2шт.

|$39

120 380

WASHER, LOCK

2шт.

33

27 291 R1

CLAMP, CABLE

2шт.

34

192 450

SCREW, SET

2шт.

35

24 840 R1

BOLT

3шт.

|$43

25 544 R1

WASHER, FLAT

5шт.

36

1281 807 H1

SHAFT, LOWER

2шт.

37

1253 214 H1

GROMMET, BASE

1шт.

38

1281 477 H91

BASE WELDMENT

1шт.

39

102 458

SCREW, SET

2шт.

|$48

28 191 R1

NUT, JAM

2шт.

40

180 020

BOLT

2шт.

41

25 532 R1

WASHER, FLAT

8шт.

42

1260 527 H1

PIN, LOCK MOUNT

2шт.

43

1432 672 H1

PAD, HOSE

1шт.

|$53

104 696

ADHESIVE - 1 QUART CAN

-2шт.

Выбрано товаров: 54