Запчасти Komatsu GD650A-2 ГИДРАВЛИКА НАСОС ГИДРАВЛS

Схема запчастей Komatsu GD650A-2 - ГИДРАВЛИКА НАСОС ГИДРАВЛS
43
42
8
45
46
7
41
47
40
49
6
50
9
37
40
46
54
39
44
52
40
10
53
48
17
54
40
55
48
41
5
56
57
51
58
35
34
26
33
32
36
31
38
17
30
25
29
23
22
28
21
20
27
15
19
18
24
1
4
19
1
1
4
20
14
18
16
12
12
11
2
3
13
3
FIT
1:1
100%

Артикул

Название

Примечание

Количество

|$0

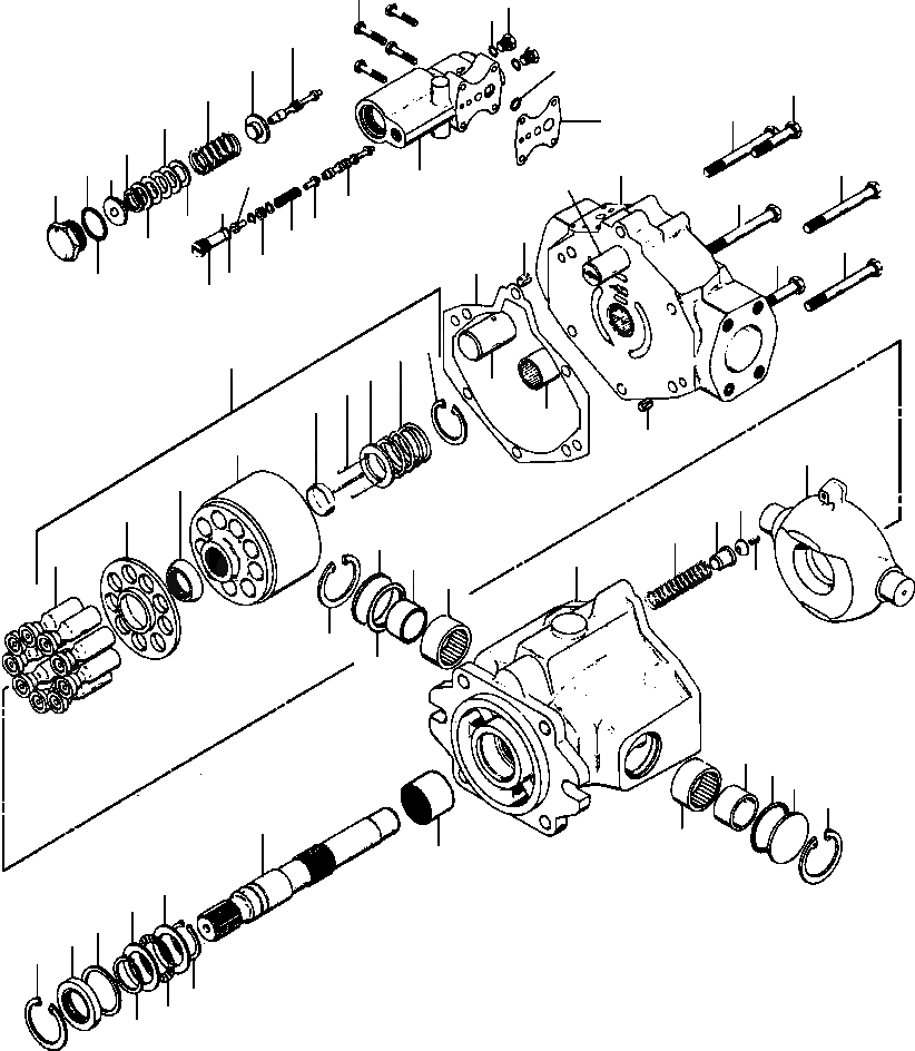
1262 494 H92

PUMP, HYDRAULIC

1шт.

|$1

149 767

KIT, SEAL REPAIR

1шт.

1

NSS

RING, RETAINING

3шт.

2

NSS

SEAL, SHAFT

1шт.

3

NSS

RING, RETAINING

2шт.

4

NSS

O-RING

2шт.

5

NSS

GASKET

1шт.

6

149 762

GASKET, COMPENSATOR

1шт.

7

NSS

O-RING

1шт.

8

NSS

O-RING

2шт.

9

NSS

O-RING

1шт.

10

NSS

O-RING

1шт.

11

NSS

WASHER

1шт.

12

149 765

RACE, THRUST

2шт.

13

149 764

BEARING, THRUST

1шт.

14

149 755

SHAFT, DRIVE

1шт.

15

149 750

HOUSING ASSEMBLY

1шт.

16

149 751

BEARING, NEEDLE

1шт.

17

149 752

PIN, DOWEL

2шт.

18

149 749

BEARING, TRUNNION

2шт.

19

149 748

RACE, TRUNNION

2шт.

20

NS

COVER

2шт.

21

149 766

SPRING

1шт.

22

149 759

COLLAR, SPRING

1шт.

23

149 747

BUTTON, PIVOT

1шт.

24

NS

PIN, SPRING

1шт.

25

149 761

PLATE, CAM

1шт.

26

149 756

KIT ASSEMBLY, ROTATING

1шт.

27

NSS

PISTON ASSEMBLY

9шт.

28

NSS

SPIDER

1шт.

29

NSS

PIVOT, SPIDER

1шт.

30

NSS

BLOCK, PISTON

1шт.

31

NSS

KEEPER, PIN

1шт.

32

NSS

PIN

3шт.

33

NSS

WASHER

1шт.

34

NSS

SPRING

1шт.

35

NSS

RING, RETAINING

1шт.

36

149 760

PISTON, CONTROL

1шт.

37

149 757

PLATE ASSEMBLY, BACK

1шт.

38

134 199

BEARING, NEEDLE

1шт.

39

NSS

PIN GUIDE

1шт.

40

NS

BOLT

4шт.

41

NS

BOLT

2шт.

42

NS

PLUG

2шт.

43

NS

BOLT

4шт.

|$45

1287 826 H91

COMPENSATOR ASSEMBLY

1шт.

44

NSS

HOUSING, COMPENSATOR

1шт.

45

NSS

SPOOL, PRESSURE

1шт.

46

NSS

CAP, SPRING PIVOT

2шт.

47

NSS

SPRING

1шт.

48

NSS

SHIM - .060

-2шт.

49

NSS

SHIM - .005

-2шт.

|$52

NSS

SHIM - .010

-2шт.

|$53

NSS

SHIM - .015

-2шт.

50

NSS

SHIM - .031

-2шт.

51

NSS

O-RING

1шт.

52

NSS

PLUG, ADJUSTMENT END

1шт.

53

NSS

SPOOL, FLOW

2шт.

54

NSS

PIVOT, SPRING

2шт.

55

NSS

SPRING

1шт.

56

NSS

SHIM - .005

-2шт.

|$61

NSS

SHIM - .010

-2шт.

|$62

NSS

SHIM - .035

-2шт.

57

NSS

O-RING

1шт.

58

NSS

PLUG, SPRING PIVOT

1шт.

|$68

-1шт.

|$66

F1 - FOR PUMP MOUNTING & DRIVE COUPLING,

-1шт.

|$67

SEE PG 10-043

-1шт.

Выбрано товаров: 68