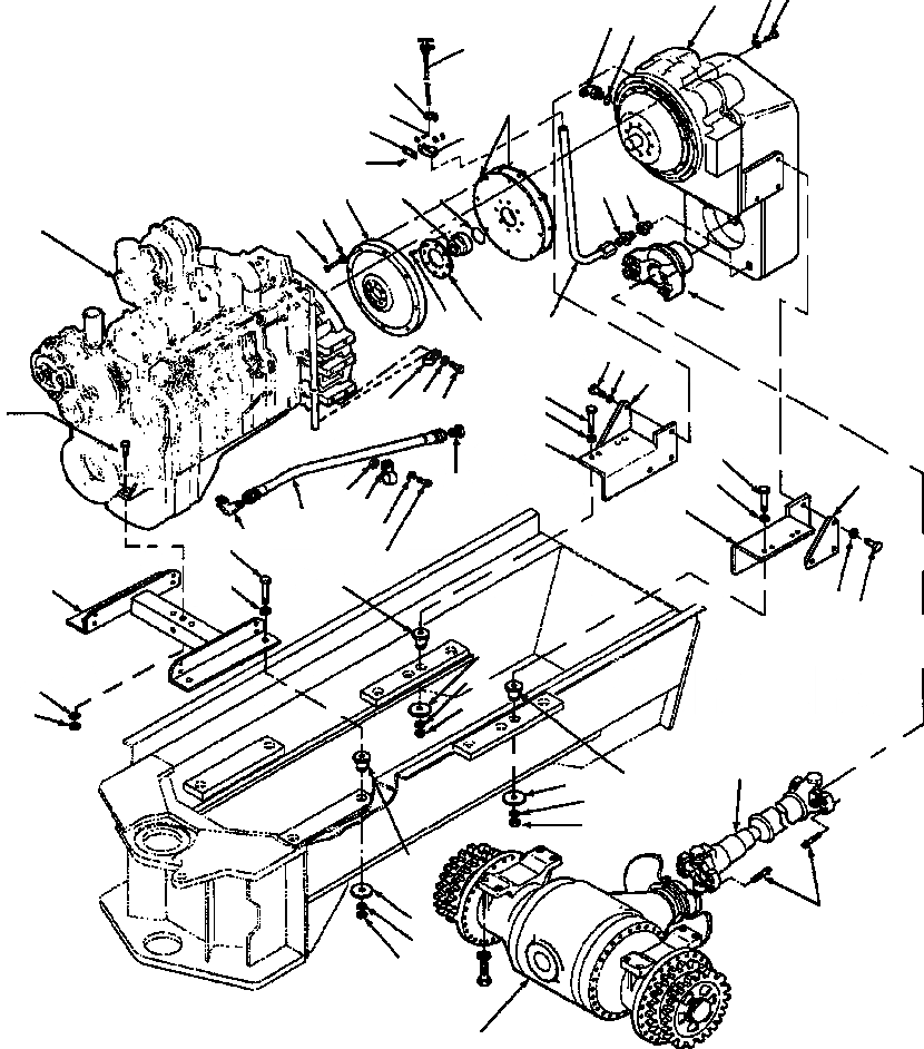
Запчасти Komatsu GD650A-2CY FIG. F-A ПРИВОД ЛИНИЯ СИЛОВАЯ ПЕРЕДАЧА И КОНЕЧНАЯ ПЕРЕДАЧА

Схема запчастей Komatsu GD650A-2CY - FIG. F-A ПРИВОД ЛИНИЯ СИЛОВАЯ ПЕРЕДАЧА И КОНЕЧНАЯ ПЕРЕДАЧА
22
14
15
12
11
23
10
8
9
7
6
50
5
4
3
2
26
25
16
24
27
28
49
29
13
19
30
40
1
31
29
49
30
39
48
32
46
45
44
13
51
47
52
33
38
28
27
34
30
36
35
37
41
33
34
30
35
33
42
34
30
35
43
17
18
20
21
FIT
1:1
100%

Артикул

Название

Примечание

Количество

1

BOLT (SEE FIG. B5100-01A0)

2шт.

2

ENGINE (SEE FIG. A9101-A3A5)

1шт.

3

25 774 R1

BOLT

8шт.

4

25 534 R1

WASHER, FLAT

8шт.

5

FLYWHEEL (SEE FIG. A2118-A3A3)

1шт.

6

1435 178 H1

SLEEVE

1шт.

7

25 493 R1

BOLT

1шт.

|$7

30 175 R1

WASHER, FLAT

1шт.

|$8

25 520 R1

NUT, HEX

1шт.

8

161 595

PLATE

1шт.

9

27 291 R1

CLAMP

1шт.

10

931 431 R1

BOLT

1шт.

|$12

30 175 R1

WASHER, FLAT

1шт.

11

27 861 R1

CLAMP, HOSE

1шт.

12

122 851

DIPSTICK

1шт.

13

WASHER, FLAT (SEE FIG. B5100-01A0)

1шт.

14

9410 981

ELBOW

1шт.

15

296 247 R1

O-RING

1шт.

16

1433 362 H1

TUBE, DIPSTICK

1шт.

17

9402 713

CONNECTOR

1шт.

18

150 615

BUSHING, REDUCER

1шт.

19

CLAMP (SEE FIG. B5100-01A0)

1шт.

20

30 022 R1

BOLT

11шт.

21

630 402 C1

WASHER, SPECIAL

11шт.

22

TRANSMISSION (SEE FIG. F5250-01A0)

1шт.

23

PLATE ASSEMBLY, CONVERTER DRIVE (SEE FIG. F5250-01A0)

1шт.

24

RING (SEE FIG. F5250-01A0)

1шт.

25

BOLT (SEE FIG. F5250-01A0)

2шт.

26

YOKE (SEE FIG. F5250-01A0)

1шт.

27

24 887 R1

BOLT

6шт.

|$30

27 437 R1

BOLT, LOCK PATCH

6шт.

28

25 548 R1

WASHER, FLAT

6шт.

29

24 881 R1

BOLT

4шт.

30

25 537 R1

WASHER, FLAT

8шт.

31

159 823

BRACKET, TRANSMISSION MOUNTING - R.H.

1шт.

32

159 824

BRACKET, TRANSMISSION MOUNTING - L.H.

1шт.

33

ENGINE MOUNT, RUBBER (SEE FIG. B5100-01A0)

4шт.

|$38

OR

-1шт.

33

ENGINE MOUNT, NEOPRENE (SEE FIG. B5100-01A0)

4шт.

34

WASHER, FLAT (SEE FIG. B5100-01A0)

4шт.

35

NUT, LOCK (SEE FIG. B5100-01A0)

4шт.

36

WASHER, FLAT (SEE FIG. B5100-01A0)

2шт.

37

NUT, HEX (SEE FIG. B5100-01A0)

2шт.

38

SUPPORT WELDMENT, ENGINE (SEE FIG. B5100-01A0)

1шт.

39

PLUG (SEE FIG. B5100-01A0)

1шт.

40

BOLT (SEE FIG. B5100-01A0)

1шт.

41

SHAFT, DRIVE (SEE FIG. F5380-01A1)

1шт.

42

1277 829 H1

BOLT

8шт.

43

DRIVE ASSEMBLY, FINAL (SEE FIG. F5550-01A1)

1шт.

44

ADAPTOR (SEE FIG. B5100-01A0)

1шт.

45

HOSE (SEE FIG. B5100-01A0)

1шт.

46

CLAMP (SEE FIG. B5100-01A0)

1шт.

47

BOLT (SEE FIG. B5100-01A0)

1шт.

48

NUT, HEX (SEE FIG. B5100-01A0)

1шт.

49

1437 300 H1

PLATE, TRANSMISSION MOUNTING

2шт.

50

28 033 R1

O-RING

1шт.

51

BOLT (SEE FIG. B5100-01A0)

1шт.

52

WASHER (SEE FIG. B5100-01A0)

1шт.

|$60

-1шт.

|$61

F1 S/N 202487 THRU 202909

-1шт.

|$63

-1шт.

|$64

F2 S/N 202910 AND UP

-1шт.

|$66

-1шт.

|$67

F3 S/N 203136 AND UP

-1шт.

|$69

-1шт.

|$70

F4 S/N 203135 AND DOWN

-1шт.

|$71

-1шт.

Выбрано товаров: 67