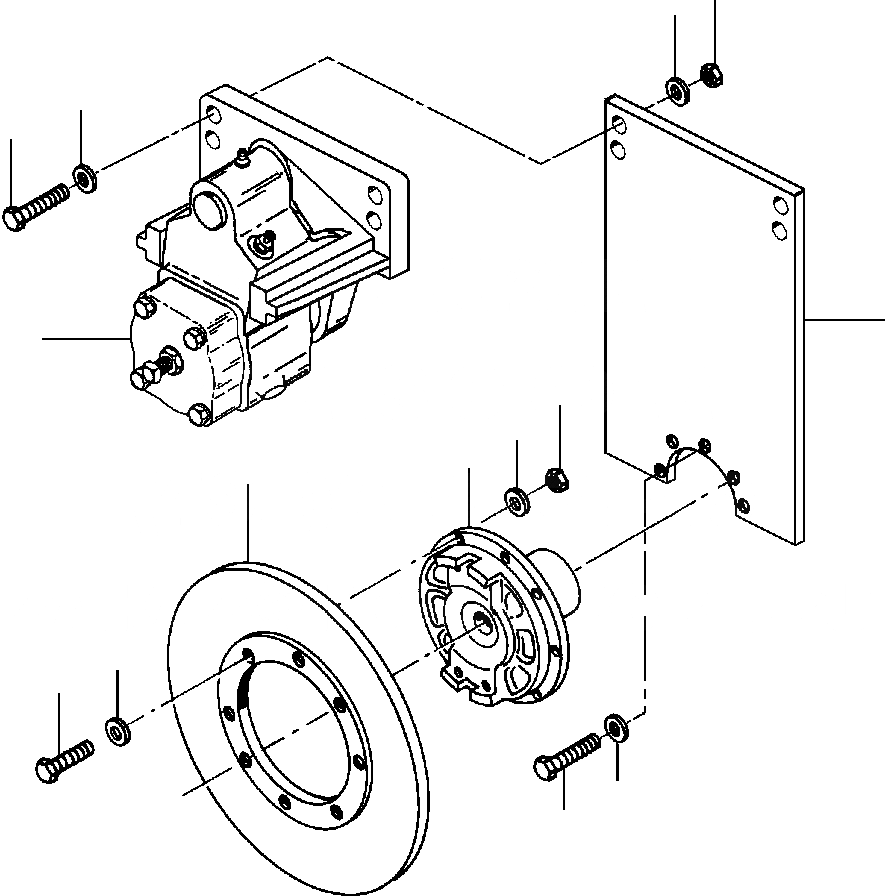
Запчасти Komatsu GD650A-2CY FIG. F9-A СТОЯНОЧНЫЙ ТОРМОЗ - заводской номер 7 И UP СИЛОВАЯ ПЕРЕДАЧА И КОНЕЧНАЯ ПЕРЕДАЧА

Схема запчастей Komatsu GD650A-2CY - FIG. F9-A СТОЯНОЧНЫЙ ТОРМОЗ - заводской номер 7 И UP СИЛОВАЯ ПЕРЕДАЧА И КОНЕЧНАЯ ПЕРЕДАЧА
11
10
10
9
7
8
12
2
4
3
2
1
6
5
FIT
1:1
100%

Артикул

Название

Примечание

Количество

1

24 841 R1

BOLT

8шт.

2

25 534 R1

WASHER, FLAT

16шт.

3

1281 013 H2

BRAKE DISK, PARKING

1шт.

4

YOKE, INPUT (SEE FIG. F5550-01A9)

1шт.

5

30 021 R1

BOLT

5шт.

6

30 176 R1

WASHER, FLAT

5шт.

7

1431 588 H1

BRACKET, PARKING BRAKE

1шт.

8

CALIPER ASSEMBLY, PARKING BRAKE (SEE FIG. F5690-01A2)

1шт.

9

24 865 R1

BOLT

4шт.

10

25 546 R1

WASHER, FLAT

8шт.

11

25 526 R1

NUT, HEX

4шт.

12

9413 979

NUT, LOCK

8шт.

Выбрано товаров: 12