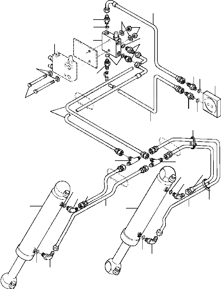
Запчасти Komatsu GD650A-2CY FIG. H-A9 SCARIFIER ЦИЛИНДР ЛИНИЯ АКТУАТОРАS ГИДРАВЛИКА

Схема запчастей Komatsu GD650A-2CY - FIG. H-A9 SCARIFIER ЦИЛИНДР ЛИНИЯ АКТУАТОРАS ГИДРАВЛИКА
4
10
20
2
11
7
7
8
6
2
10
3
6
3
2
1
9
12
3
2
5
15
13
13
14
2
16
2
14
16
15
17
17
18
18
2
19
2
19
FIT
1:1
100%

Артикул

Название

Примечание

Количество

1

VALVE, SCARIFIER (SEE FIG. H5180-02A9)

SN: 211061-211069-UP

1шт.

2

570 828 R1

ORING

SN: 211061-211069-UP

10шт.

3

9410 203

CONNECTOR

SN: 211061-211069-UP

2шт.

4

1253 470 H1

HOSE

SN: 211061-211069-UP

1шт.

5

1253 057 H1

HOSE

SN: 211061-211069-UP

1шт.

6

9410 203

CONNECTOR

SN: 211061-211069-UP

3шт.

7

VALVE, DUAL PILOT CHECK AND RELIEF (SEE FIG. H5180-02A24)

SN: 211061-211069-UP

1шт.

8

VALVE, DUAL COUNTERBALANCE AND RELIEF (SEE FIG. H5180-02A24)

SN: 211061-211069-UP

1шт.

9

26 043 R1

BOLT

SN: 211061-211069-UP

2шт.

10

27 326 R1

WASHER, FLAT

SN: 211061-211069-UP

4шт.

11

9413 977

NUT, HEX

SN: 211061-211069-UP

2шт.

12

1268 217 H1

HOSE

SN: 211061-211069-UP

2шт.

13

9402 982

TEE

SN: 211061-211069-UP

2шт.

14

1430 795 H1

HOSE

SN: 211061-211069-UP

2шт.

15

935 522 C1

STRAP, TIE

SN: 211061-211069-UP

6шт.

16

9411 105

ELBOW - 45°

SN: 211061-211069-UP

2шт.

17

CYLINDER, SCARIFIER (SEE FIG. H5200-01A12)

2шт.

18

162 917

HOSE

SN: 211061-211069-UP

2шт.

19

9410 977

ELBOW - 90°

SN: 211061-211069-UP

2шт.

20

9410 229

CONNECTOR - LONG

SN: 211061-211069-UP

1шт.

Выбрано товаров: 0