Запчасти Komatsu GD650A-2CY FIG. H-A ДИФФЕРЕНЦ. ГИДР. НАСОС. - заводской номер 7 И UP ГИДРАВЛИКА

Схема запчастей Komatsu GD650A-2CY - FIG. H-A ДИФФЕРЕНЦ. ГИДР. НАСОС. - заводской номер 7 И UP ГИДРАВЛИКА
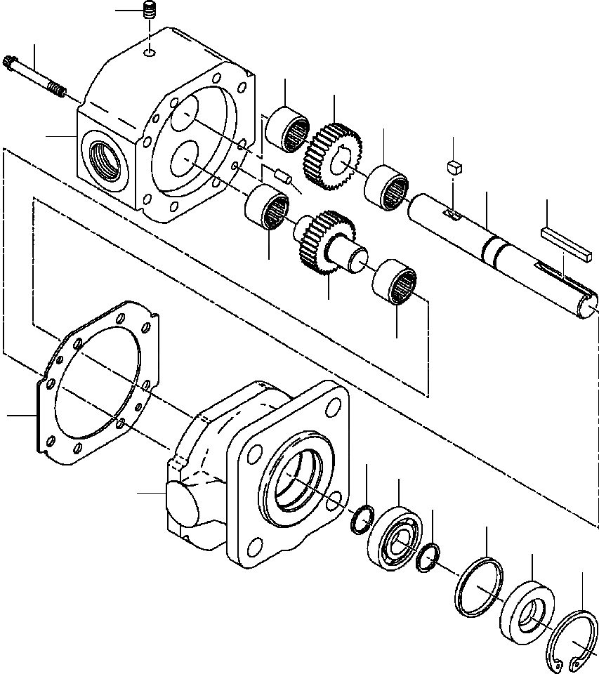
3
2
4
5
4
8
1
7
9
4
6
4
10
12
13
11
12
14
15
16
17
FIT
1:1
100%

Артикул

Название

Примечание

Количество

|$0

1436 314 H91

PUMP, DIFFERENTIAL HYDRAULIC

1шт.

1

NSS

HOUSING, REAR

1шт.

2

79 113

BOLT - .25-20 X 1.5 IN. 12-PT. FLANGED HEAD

8шт.

3

1433 232 H1

PLUG - .188 IN. D

1шт.

4

1433 235 H1

BEARING, NEEDLE - .5 IN. ID, .687 IN. OD

4шт.

5

1437 480 H1

GEAR, DRIVE

1шт.

6

NSS

SHAFT ASSEMBLY, IDLER

1шт.

|$7

1437 239 H1

SHAFT, IDLER

1шт.

|$8

1437 480 H1

GEAR, IDLER

1шт.

|$9

1236 267 H1

PIN, DRIVE

1шт.

|$10

235 529 R1

RING, RETAINING

1шт.

7

1437 481 H1

SHAFT, DRIVE

1шт.

8

124 543

KEY, WOODRUFF - .12 IN. W, .5 IN. D, .5 IN. L

1шт.

9

1433 237 H1

PIN, SHEAR - .219 IN. D X .5 IN. L

2шт.

10

1433 234 H1

GASKET

1шт.

|$15

1433 693 H1

GASKET

1шт.

|$16

1433 695 H1

GASKET

1шт.

11

NSS

HOUSING, FRONT

1шт.

12

235 529 R1

RING, RETAINING - EXT .5 IN. D

2шт.

13

1433 240 H1

BEARING, BALL - .5 IN. ID, 1.12 IN. OD

1шт.

14

1433 239 H1

SPACER - .088 IN. W, 1.03 IN. ID, 1.12 IN. OD

1шт.

15

1435 676 H1

SEAL, OIL - .5 IN. ID, 1.12 IN. D, .25 IN. W

1шт.

16

338 835 R1

RING, RETAINING - INT 1.12 IN. D

1шт.

17

1433 238 H1

KEY - .125 IN. X 1 IN. L

1шт.

Выбрано товаров: 0