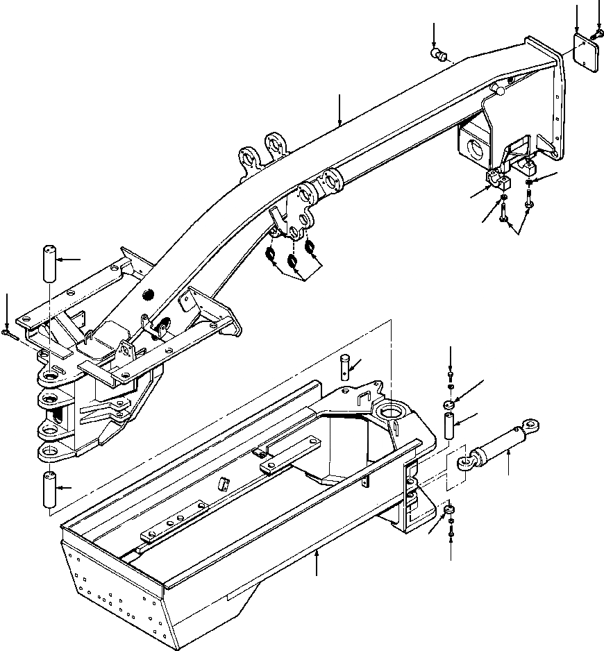
Запчасти Komatsu GD650A-2CY FIG. J-A ОСНОВН. РАМА - GD-B - ПРАВ. И ЛЕВ. 9° ОТВАЛ ПОДВЕСКА ОСНОВНАЯ РАМА И ЕЕ ЧАСТИ

Схема запчастей Komatsu GD650A-2CY - FIG. J-A ОСНОВН. РАМА - GD-B - ПРАВ. И ЛЕВ. 9° ОТВАЛ ПОДВЕСКА ОСНОВНАЯ РАМА И ЕЕ ЧАСТИ
6
7
9
8
11
10
11
12
15
13
16
4
14
3
2
5
15
3
4
1
FIT
1:1
100%

Артикул

Название

Примечание

Количество

|$0

1436 850 H91

FRAME ASSEMBLY, MAIN

1шт.

1

1433 143 H94

FRAME WELDMENT REAR

1шт.

2

1252 547 H1

PIN, ARTICULATION CYLINDER

4шт.

3

1437 167 H1

PLATE, RETAINING

8шт.

4

140 483 H

BOLT

16шт.

|$5

25 896 R1

WASHER, FLAT

16шт.

5

CYLINDER, ARTICULATION (SEE FIG. H5200-01A2)

2шт.

6

24 859 R1

BOLT

2шт.

|$8

25 536 R1

WASHER, FLAT

2шт.

7

1434 247 H1

PLATE, FRONT COVER

1шт.

8

1436 716 H91

FRAME WELDMENT FRONT

1шт.

9

31 035

STUD, BALL

2шт.

10

1431 413 H91

RETAINER ASSEMBLY, FRONT AXLE

1шт.

11

25 538 R1

WASHER, FLAT

8шт.

12

25 515 R1

BOLT

8шт.

13

139 345 H45

PIN, HITCH

1шт.

14

1433 910 H1

PIN, ARTICULATION JOINT LOCK

1шт.

15

JOINT ASSEMBLY, ARTICULATION (SEE FIG. J5120-01A0)

2шт.

16

INSERT, SADDLE (SEE FIG. T5480-01A0)

5шт.

Выбрано товаров: 19