Запчасти Komatsu GD650A-2CY FIG. K9-A КОНДИЦ. ВОЗДУХА ЛИНИИ - заводской номер 98 И UP КАБИНА ОПЕРАТОРА И СИСТЕМА УПРАВЛЕНИЯ

Схема запчастей Komatsu GD650A-2CY - FIG. K9-A КОНДИЦ. ВОЗДУХА ЛИНИИ - заводской номер 98 И UP КАБИНА ОПЕРАТОРА И СИСТЕМА УПРАВЛЕНИЯ
7
8
3
10
8
6
4
3
21
10
9
17
1
5
2
19
3
18
20
13
15
12
4
19
16
14
11
9
10
FIT
1:1
100%

Артикул

Название

Примечание

Количество

1

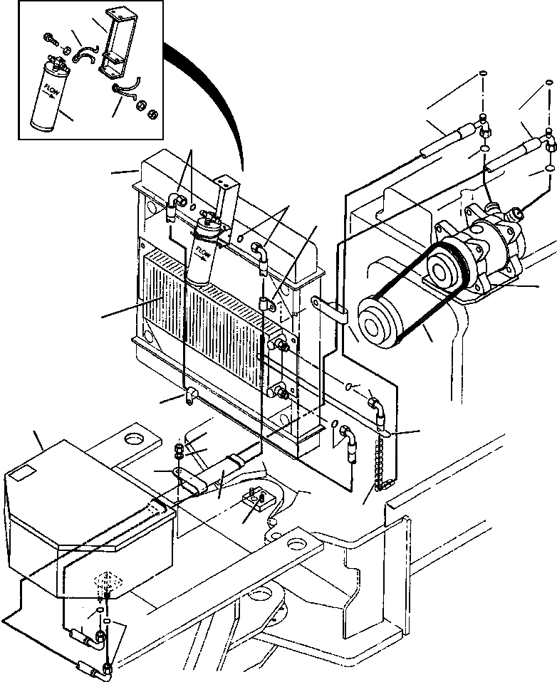
COMPRESSOR MOUNTING (SEE FIG. K5300-01A0)

1шт.

2

BELT, COMPRESSOR DRIVE (SEE FIG. K5300-01A0)

1шт.

|$2

1439 656 H91

KIT, CONDENSER

1шт.

3

1433 065 H1

HOSE ASSEMBLY

1шт.

|$4

1309 636 H1

O-RING

2шт.

4

1439 701 H1

HOSE ASSEMBLY

1шт.

|$6

1440 151 H1

O-RING

2шт.

5

1431 742 H2

COIL, CONDENSER

1шт.

|$8

1439 742 H91

RECEIVER/DRYER ASSEMBLY

1шт.

6

1439 698 H1

RECEIVER/DRYER

1шт.

7

1439 704 H91

BRACKET, DRYER MOUNTING

1шт.

8

1439 705 H1

CLAMP, MOTOR - WIRE

2шт.

|$12

30 209 R1

WASHER, 6.4 MM FLAT

2шт.

|$13

30 365 R1

SCREW - M6 X 440 MM

1шт.

|$14

31 107 R1

LOCKNUT, M6

1шт.

|$15

1439 653 H91

KIT, HOSE

1шт.

9

1439 702 H1

HOSE - 5/16 X 7.5 FT.

1шт.

|$17

1440 151 H1

O-RING

2шт.

10

1433 066 H1

HOSE - 1/2 X 8 FT.

1шт.

|$19

1440 152 H1

O-RING

2шт.

11

105 899

STUD, WELD

1шт.

12

25 553 R1

WASHER, FLAT

1шт.

13

17 044 R1

NUT, HEX

1шт.

14

161 496

SLEEVE, PROTECTIVE - 22 IN.

1шт.

15

935 522 C1

STRAP, TIE

4шт.

16

1431 377 H1

HOSE WRAP - CUT TO LENGTH

1шт.

17

93 958

CLAMP

1шт.

|$27

27 326 R1

WASHER, 5/16 IN. HARDENED

1шт.

|$28

25 653 R1

BOLT, HEX 5/16 - 18

1шт.

18

93 958

CLAMP

1шт.

|$30

28 422 R1

WASHER, 3/8 IN. HARDENED

2шт.

|$31

17 044 R1

LOCKING NUT, 3/8 - 16

1шт.

|$32

20 537 R1

BOLT, 3/8 - 16 X 1 IN.

1шт.

19

27 843 R1

CLAMP (USE EXISTING HARDWARE)

1шт.

20

BOX ASSEMBLY, HEATER & A/C (SEE FIG. K5350-01A3)

1шт.

21

RADIATOR (SEE FIG. C5110-01A1)

1шт.

Выбрано товаров: 36