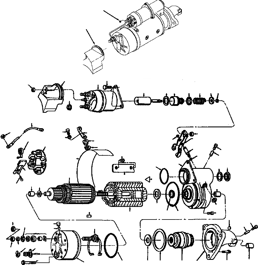
Запчасти Komatsu GD650A-2CY FIG. A-AA СТАРТЕР - DELCO REMY MT - V - 7. KW ДВИГАТЕЛЬ

Схема запчастей Komatsu GD650A-2CY - FIG. A-AA СТАРТЕР - DELCO REMY MT - V - 7. KW ДВИГАТЕЛЬ
72
73
36
66
12
24
16
38
17
50
27
40
32
26
37
19
14
56
47
15
46
65
43
55
35
71
45
7
58
51
44
13
3
60
49
2
22
30
8
20
68
57
64
34
53
4
59
29
42
41
70
39
5
69
48
63
23
6
28
31
11
1
33
54
21
9
52
10
25
61
18
62
67
FIT
1:1
100%

Артикул

Название

Примечание

Количество

|$0

1219 521 H92

MOTOR, STARTING

1шт.

1

1223 255 H1

FRAME

1шт.

2

88 797

BUSHING

1шт.

3

1223 256 H1

ARMATURE

1шт.

4

1228 605 H1

FIELD COIL

4шт.

5

1223 265 H1

LEAD

1шт.

6

NOT USED

-1шт.

7

1228 447 H91

LEVER, HOUSING

1шт.

8

1307 315 H1

BUSHING, LEVER HOUSING

1шт.

9

1228 604 H1

DRIVE ASSEMBLY

1шт.

10

1223 260 H91

DRIVE, HOUSING

1шт.

11

1211 288 H1

BUSHING, DRIVE HOUSING

1шт.

12

1284 359 H1

SWITCH

1шт.

13

1303 561 H1

BRUSH

4шт.

14

1283 451 H1

SPRING BRUSH

4шт.

15

1284 360 H91

BRUSH PLATE ASSEMBLY

1шт.

16

1228 450 H1

PLUNGER

1шт.

17

1210 071 H1

BOOT

1шт.

18

1210 073 H1

PLUNGER, SPRING

1шт.

19

1307 316 H1

SHIFT, LEVER

1шт.

20

1211 356 H1

WASHER

1шт.

21

1211 286 H1

WASHER, BRAKE

1шт.

22

1232 885 H1

WASHER, THRUST

1шт.

23

120 239

WASHER, LOCK

-2шт.

24

NOT USED

-1шт.

25

1211 267 H1

NUT, FLD COIL CONNECTION TO SWITCH ATCH

1шт.

26

19 839 R1

NUT, PLUNGER ROD GUIDE ADJUSTING

1шт.

27

1305 531 H1

NUT, ASM SHUNT LEAD TO SWITCH ATCH

1шт.

28

1249 322 H1

NUT, TERM-CE FRAME

2шт.

29

1211 267 H1

NUT & WASHER ASSEMBLY-CE FRAME

1шт.

30

1211 292 H1

BOLT, BRUSH LEAD & FLD COIL LEAD

4шт.

31

1223 263 H1

BOLT & WASHER ASSEMBLY-CE FRAME ATCH

6шт.

32

1283 448 H1

BOLT, CONNECTOR TO FIELD ATCH

3шт.

33

1251 333 H1

BOLT, DRIVE HSG ATCH

6шт.

34

1245 107 H1

BOLT, LEVER HSG ATCH

5шт.

35

1245 108 H1

BOLT, POLE SHOE

8шт.

36

1439 193 H1

STUD

1шт.

37

1307 320 H1

WASHER

1шт.

38

1210 070 H1

WASHER, PLUNGER ASSEMBLY

1шт.

39

1307 320 H1

WASHER, TERM-CE FRAME

1шт.

40

1250 268 H1

CONNECTOR, FLD TERM TO SWITCH

1шт.

41

1307 318 H1

CUP, OIL RESERVOIR-CE

1шт.

42

1211 277 H1

CUP, OIL RESERVOIR-DE

1шт.

43

1307 318 H1

CUP, OIL RESERVOIR-LEVER HSG

1шт.

44

1211 151 H1

GASKET, INSPECTION PLUG -LEVER HSG

1шт.

45

1228 453 H1

INSULATOR, FLD COIL-CE

1шт.

46

1210 061 H1

INSULATOR, FLD TERM (INSIDE FRAME)

1шт.

47

1210 062 H1

INSULATOR, FLD TERM (OUTSIDE FRAME)

1шт.

48

1223 269 H91

INSULATION, PKG-CE TERM

1шт.

49

NOT USED

-1шт.

50

1277 066 H1

LEAD, CE TERM TO SOLENOID SWITCH

1шт.

51

1307 319 H1

O-RING, BETWEEN SWITCH & LEVER HSG

1шт.

52

347 360 R1

O-RING, BETWEEN DR HSG & LEVER HSG

1шт.

53

22 411 R1

O-RING, BETWEEN LEVER HSG & FRAME

1шт.

54

1307 321 H1

O-RING, ON MOTOR FRAME CE END

1шт.

55

352 219 R1

O-RING, SHIFT LEVER SHAFT (3/8 INCH OD)

1шт.

56

355 967 R1

O-RING, SHIFT LEVER SHAFT (1/2 INCH OD)

1шт.

57

1228 454 H1

PIN, SPRING (IN FRAME)

2шт.

58

1210 066 H1

PLUG, INSPECTION - LEVER HSG

1шт.

59

NOT USED

-1шт.

60

1211 263 H1

POLE, SHOE

4шт.

61

1210 072 H1

RETAINER, PLUNGER SPRING (1 13/64 HOLE)

1шт.

62

1210 074 H1

RETAINER, PLUNGER SPRING (13/32 HOLE)

1шт.

63

NOT USED

-1шт.

64

1211 285 H1

SEAL, OIL - LEVER HSG

1шт.

65

1211 152 H1

SEAL, SHIFT LEVER

1шт.

66

1305 530 H1

TERMINAL, SHIELD

1шт.

67

213 262 R1

SNAP RING, PLUNGER ASSEMBLY

1шт.

68

213 262 R1

SNAP RING, SHIFT LEVER SHAFT

1шт.

69

1307 322 H1

WICK, OIL RESERVOIR-CE

1шт.

70

1302 333 H1

WICK, OIL RESERVOIR-DE

1шт.

71

1307 323 H1

WICK, OIL RESERVOIR-LEVER HSG

1шт.

72

103 088

NUT (M10-32)

1шт.

73

1308 919 H1

SHIELD, WIRING

1шт.

|$74

-1шт.

|$75

SERVICE REPAIR KITS

-1шт.

|$76

-1шт.

|$77

-1шт.

|$78

F1 24 VOLT BRUSH REPAIR KIT - P/N 1223 268 H91

-1шт.

|$79

-1шт.

|$80

-1шт.

|$81

F2 BUSHING REPAIR KIT - P/N 1223 266 H91

-1шт.

|$82

-1шт.

|$83

-1шт.

|$84

F3 SHIFT LEVER REPAIR KIT - P/N 1223 267 H91

-1шт.

|$85

-1шт.

Выбрано товаров: 86