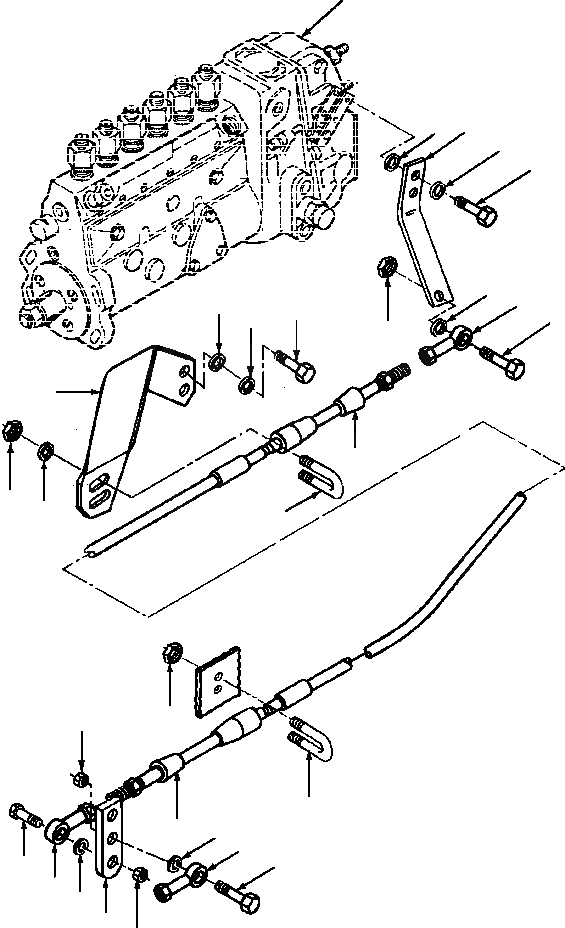
Запчасти Komatsu GD650A-2CY FIG. B8-A THROTTLE УПРАВЛ-Е КОМПОНЕНТЫ ДВИГАТЕЛЯ

Схема запчастей Komatsu GD650A-2CY - FIG. B8-A THROTTLE УПРАВЛ-Е КОМПОНЕНТЫ ДВИГАТЕЛЯ
18
20
19
3
5
15
13
16
14
6
12
7
10
9
8
6
10
8
3
7
2
1
1
5
3
4
6
11
17
FIT
1:1
100%

Артикул

Название

Примечание

Количество

1

25 483 R1

BOLT

2шт.

2

LINKAGE, CONTROL (SEE FIG. B5180-01A2)

1шт.

3

120 380 R1

WASHER, LOCK

3шт.

4

BELLCRANK (SEE FIG. B5180-01A2)

1шт.

5

899 392 C1

END, ROD

2шт.

6

26 110 R1

NUT, HEX

2шт.

7

1285 764 H1

CABLE, GOVERNOR CONTROL

1шт.

|$7

299 565 C1

CLAMP - AT ARTICULATION JOINT & ENGINE SUPPORT

2шт.

8

29 358

U-BOLT

2шт.

|$9

1430 710 H1

SHIM

2шт.

9

27 326 R1

WASHER, FLAT

2шт.

10

9413 977

NUT, LOCK

4шт.

11

30 209 R1

WASHER, FLAT

2шт.

12

1243 304 H4

BRACKET

1шт.

13

30 021 R1

BOLT

2шт.

14

933 965 R1

WASHER, LOCK

2шт.

15

30 176 R1

WASHER, FLAT

2шт.

16

25 483 R1

BOLT

1шт.

17

1244 986 H3

LEVER, THROTTLE

1шт.

18

PUMP, FUEL INJECTOR (SEE FIG. A4115-A3A5)

1шт.

19

30 191 R1

BOLT

2шт.

20

933 833 R1

WASHER, LOCK

2шт.

Выбрано товаров: 0