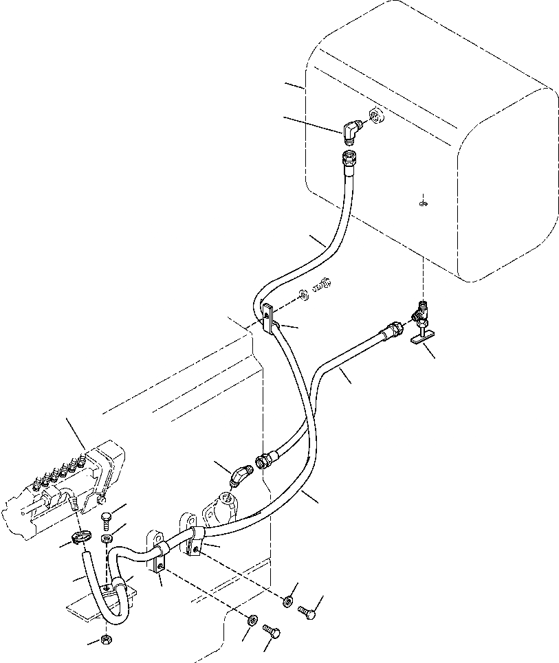
Запчасти Komatsu GD650A-2CY FIG. D-A ТОПЛИВНАЯ ЛИНИЯ ТОПЛИВН. БАК. AND КОМПОНЕНТЫ

Схема запчастей Komatsu GD650A-2CY - FIG. D-A ТОПЛИВНАЯ ЛИНИЯ ТОПЛИВН. БАК. AND КОМПОНЕНТЫ
6
5
4
3
7
8
1
9
11
4
13
10
2
10
13
4
12
10
14
13
12
FIT
1:1
100%

Артикул

Название

Примечание

Количество

1

PUMP, FUEL (SEE FIG. A4115-A3A5)

1шт.

2

279 025 R91

CLAMP, HOSE

1шт.

3

141 453 H1

CLIP, CLOSED

1шт.

4

1437 941 H1

HOSE, RETURN

1шт.

5

333 934 R1

ELBOW

1шт.

6

TANK, FUEL (SEE FIG. D5100-01A0)

1шт.

7

1432 442 H1

VALVE

1шт.

8

1432 439 H1

HOSE

1шт.

9

613 532 R1

ELBOW

1шт.

10

129 083 R1

CLIP, HOSE

3шт.

11

31 229 H45

BOLT

1шт.

12

30 019 R1

BOLT

2шт.

13

76 732

WASHER

3шт.

14

44 870

NUT

1шт.

Выбрано товаров: 0