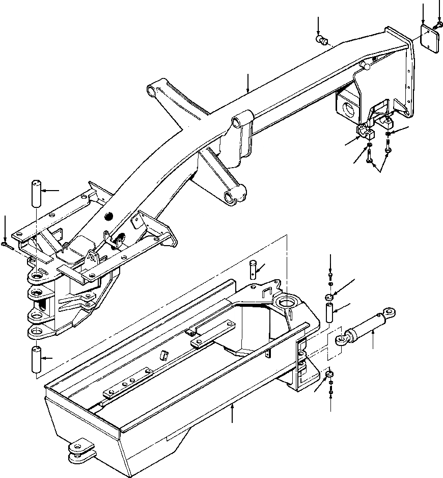
Запчасти Komatsu GD650A ОСНОВН. РАМА ПРАВ. BIASED ОТВАЛ ПОДВЕСКА - A/AW-A РАМА

Схема запчастей Komatsu GD650A - ОСНОВН. РАМА ПРАВ. BIASED ОТВАЛ ПОДВЕСКА - A/AW-A РАМА
6
7
9
8
11
10
11
12
15
13
4
14
3
2
5
15
3
4
1
FIT
1:1
100%

Артикул

Название

Примечание

Количество

|$0

1436 849 H91

FRAME ASSEMBLY, MAIN

1шт.

1

1433 143 H93

FRAME WELDMENT - REAR

1шт.

2

1252 547 H1

PIN, ARTICULATION CYLINDER

4шт.

3

1437 167 H1

PLATE, RETAINING

8шт.

4

140 483 H

BOLT

16шт.

|$5

25 896 R1

WASHER, FLAT

16шт.

5

CYLINDER, ARTICULATION (SEE PG 10-192)

-29шт.

6

24 859 R1

BOLT

2шт.

|$8

25 536 R1

WASHER, FLAT

2шт.

7

1434 247 H1

PLATE, FRONT COVER

1шт.

8

1436 843 H91

FRAME WELDMENT - FRONT

1шт.

9

31 035

STUD, BALL

2шт.

10

1431 413 H91

RETAINER ASSEMBLY, FRONT AXLE

1шт.

11

25 538 R1

WASHER, FLAT

8шт.

12

25 515 R1

BOLT

-2шт.

13

139 345 H45

PIN, HITCH

1шт.

14

1433 910 H1

PIN, ARTICULATION JOINT LOCK

1шт.

15

JOINT ASSEMBLY, ARTICULATION (SEE PG 09-012)

-29шт.

Выбрано товаров: 18