Запчасти Komatsu GD650A БОКОВ. СДВИГ СЦЕПН. УСТР-ВА АККУМУЛЯТОР ПРАВ. BIASED ОТВАЛ ПОДВЕСКА ГИДРАВЛS

Схема запчастей Komatsu GD650A - БОКОВ. СДВИГ СЦЕПН. УСТР-ВА АККУМУЛЯТОР ПРАВ. BIASED ОТВАЛ ПОДВЕСКА ГИДРАВЛS
3
16
14
1
12
12
4
13
2
15
1
2
5
10
4
6
7
9
3
8
7
6
8
9
5
11
10
13
FIT
1:1
100%

Артикул

Название

Примечание

Количество

|$0

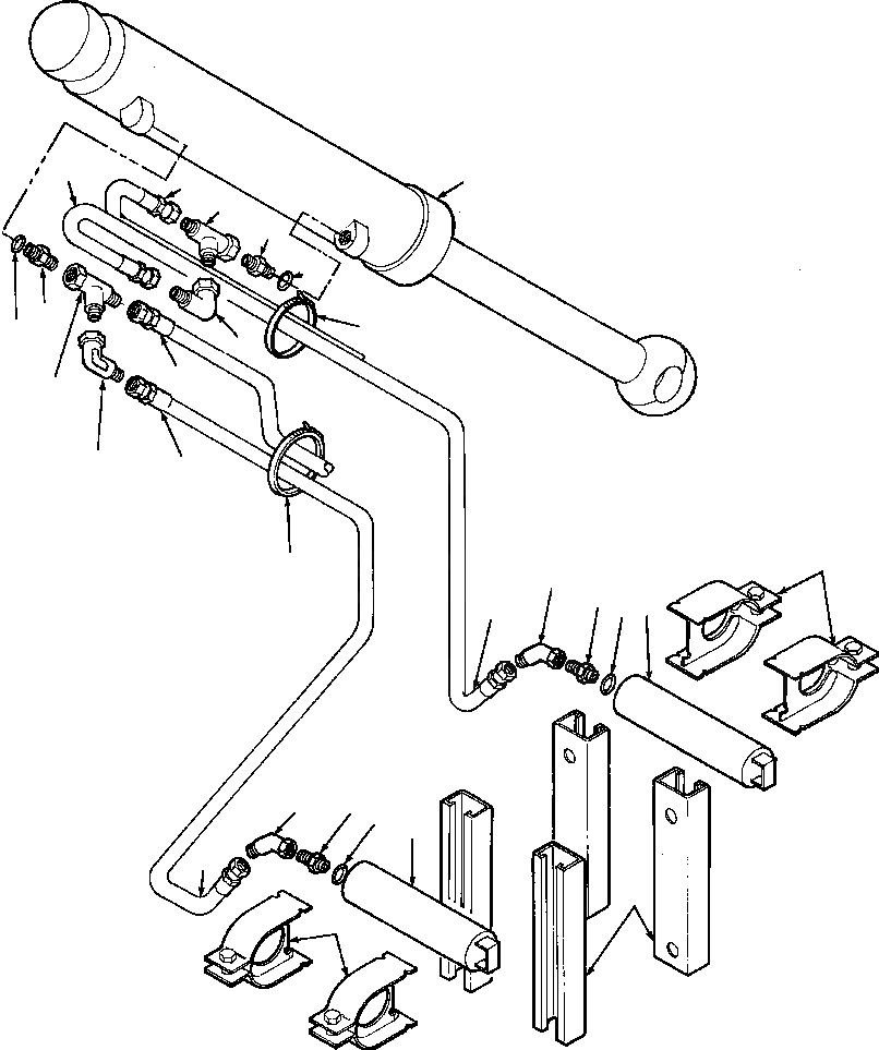
1281 861 H91

ACCUMULATOR INSTALLATION, DRAWBAR SIDE SHIFT

1шт.

1

9410 333

TEE, SWIVEL NUT

2шт.

2

9410 281

ELBOW, SWIVEL NUT - 90°

2шт.

3

162 457

HOSE

1шт.

4

306 132 C1

STRAP, TIE

2шт.

5

148 817

HOSE

1шт.

6

9410 255

ELBOW - 45°

2шт.

7

380 632 R1

CONNECTOR, REDUCING

2шт.

8

570 828 R1

O-RING

2шт.

9

ACCUMULATOR (SEE PG 10-224)

-29шт.

10

1279 538 H1

CLAMP, ACCUMULATOR

4шт.

11

CHANNEL (SEE PG 10-032)

-29шт.

12

481 352 R1

CONNECTOR (SEE PG 10-040)

-29шт.

13

364 885 R1

O-RING

2шт.

14

1258 685 H1

HOSE (SEE PG 10-040)

-29шт.

15

1258 730 H1

HOSE (SEE PG 10-040)

-29шт.

16

CYLINDER, DRAWBAR SIDE SHIFT (SEE PG 10-202)

-29шт.

Выбрано товаров: 0