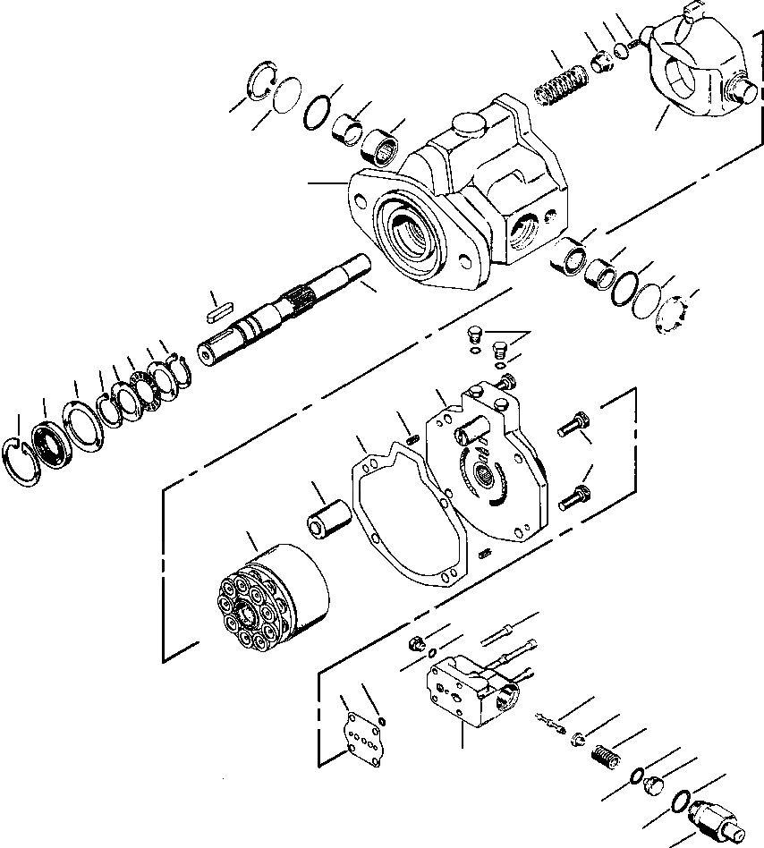
Запчасти Komatsu GD650A РУЛЕВ. УПРАВЛЕНИЕ & ТОРМОЗ. НАСОС ГИДРАВЛS

Схема запчастей Komatsu GD650A - РУЛЕВ. УПРАВЛЕНИЕ & ТОРМОЗ. НАСОС ГИДРАВЛS
24
23
22
21
4
19
1
18
5
20
25
17
18
19
4
20
15
5
16
32
3
13
14
9
13
3
12
29
2
28
6
30
27
26
31
33
34
9
8
7
35
36
37
38
39
42
40
10
11
41
FIT
1:1
100%

Артикул

Название

Примечание

Количество

|$0

1279 536 H91

PUMP, STEERING & BRAKE

1шт.

|$1

1287 648 H1

KIT, SEAL REPAIR

1шт.

1

NSS

RING, RETAINING

1шт.

2

NSS

SEAL, SHAFT

1шт.

3

NSS

RING, RETAINING

2шт.

4

NSS

O-RING

2шт.

5

NSS

RING, RETAINING

2шт.

6

NSS

GASKET

1шт.

7

NSS

GASKET, COMPENSATOR

1шт.

8

NSS

O-RING

1шт.

9

NSS

O-RING

3шт.

10

NSS

O-RING

1шт.

11

NSS

O-RING

1шт.

12

1287 626 H1

WASHER

1шт.

13

1287 627 H1

WASHER, THRUST

2шт.

14

1287 628 H1

BEARING, THRUST

1шт.

15

1287 629 H1

KEY

1шт.

16

1287 630 H1

SHAFT, DRIVE

1шт.

17

1287 631 H1

HOUSING ASSEMBLY

1шт.

18

1287 632 H1

BEARING, NEEDLE

2шт.

19

1287 633 H1

RACE, INNER

2шт.

20

1287 634 H1

COVER, TRUNNION

2шт.

21

1287 635 H1

SPRING, CAM PLATE CONTROL

1шт.

22

1287 636 H1

COLLAR, SPRING

1шт.

23

1287 637 H1

BUTTON, PIVOT

1шт.

24

1287 638 H1

PIN, ROLL

1шт.

25

1287 639 H1

PLATE, CAM

1шт.

26

1287 640 H1

KIT, ROTATING

1шт.

27

1287 641 H1

PISTON, CONTROL

1шт.

28

1287 642 H1

PIN, ROLL

2шт.

29

1287 643 H1

PLATE ASSEMBLY, BACK

1шт.

30

1287 644 H1

BOLT

4шт.

31

1287 645 H1

BOLT, ALLEN HEAD

4шт.

32

1287 647 H1

PLUG

2шт.

|$34

1287 646 H1

COMPENSATOR ASSEMBLY, PRESSURE

1шт.

33

1287 647 H1

PLUG

1шт.

34

NSS

O-RING

1шт.

35

NSS

SPOOL, PRESSURE COMPENSATOR

1шт.

36

NSS

CAP, SPRING PIVOT

1шт.

37

NSS

SPRING, PRESSURE COMPENSATOR

1шт.

38

NSS

O-RING

1шт.

39

NSS

FOLLOWER, PRESSURE SPRING

1шт.

40

NSS

O-RING

1шт.

41

NSS

CAP, PRESSURE ADJUSTMENT

1шт.

42

NSS

HOUSING, COMPENSATOR

1шт.

|$50

-1шт.

|$46

F1 - INCLUDED IN THE FOLLOWING:

-1шт.

|$47

1287 648 H1

KIT, SEAL

1шт.

|$51

-1шт.

|$49

F2 - FOR PUMP MOUNTING, SEE PG 10-077

-1шт.

|$52

-1шт.

Выбрано товаров: 51