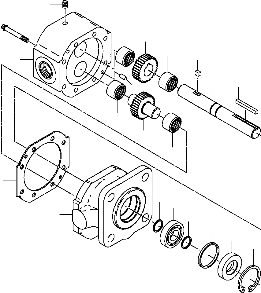
Запчасти Komatsu GD650A ДИФФЕРЕНЦ. ГИДР. НАСОС. заводской номер 7 И UP ГИДРАВЛS

Схема запчастей Komatsu GD650A - ДИФФЕРЕНЦ. ГИДР. НАСОС. заводской номер 7 И UP ГИДРАВЛS
3
1
2
4
5
4
8
7
17
9
4
6
4
10
12
13
11
12
14
15
16
FIT
1:1
100%

Артикул

Название

Примечание

Количество

|$0

1436 314 H91

PUMP, DIFFERENTIAL HYDRAULIC

1шт.

1

NSS

HOUSING, REAR

1шт.

2

79 113

BOLT - .25-20 X 1.5 IN 12-PT FLANGED HEAD

8шт.

3

1433 232 H1

PLUG - .188 IN D

1шт.

4

1433 235 H1

BEARING, NEEDLE - .5 IN ID, .687 IN OD

4шт.

5

1437 480 H1

GEAR, DRIVE

1шт.

6

NS

SHAFT ASSEMBLY, IDLER

1шт.

|$7

1437 239 H1

SHAFT, IDLER

1шт.

|$8

1437 480 H1

GEAR, IDLER

1шт.

|$9

1236 267 H1

PIN, DRIVE

1шт.

|$10

235 529 R1

RING, RETAINING

1шт.

7

1437 481 H1

SHAFT, DRIVE

1шт.

8

124 543

KEY, WOODRUFF - .12 IN W, .5 IN D, .5 IN L

1шт.

9

1433 237 H1

PIN, SHEAR - .219 IN D X .5 IN L

2шт.

10

1433 234 H1

GASKET

1шт.

|$15

1433 693 H1

GASKET

1шт.

|$16

1433 695 H1

GASKET

1шт.

11

NSS

HOUSING, FRONT

1шт.

12

235 529 R1

RING, RETAINING - EXT .5 IN D

2шт.

13

1433 240 H1

BEARING, BALL - .5 IN ID, 1.12 IN OD

1шт.

14

1433 239 H1

SPACER - .088 IN W, 1.03 IN ID, 1.12 IN OD

1шт.

15

1435 676 H1

SEAL, OIL - .5 IN ID, 1.12 IN D, .25 IN W

1шт.

16

338 835 R1

RING, RETAINING - INT 1.12 IN D

1шт.

17

1433 238 H1

KEY - .125 IN X 1 IN L

1шт.

Выбрано товаров: 24