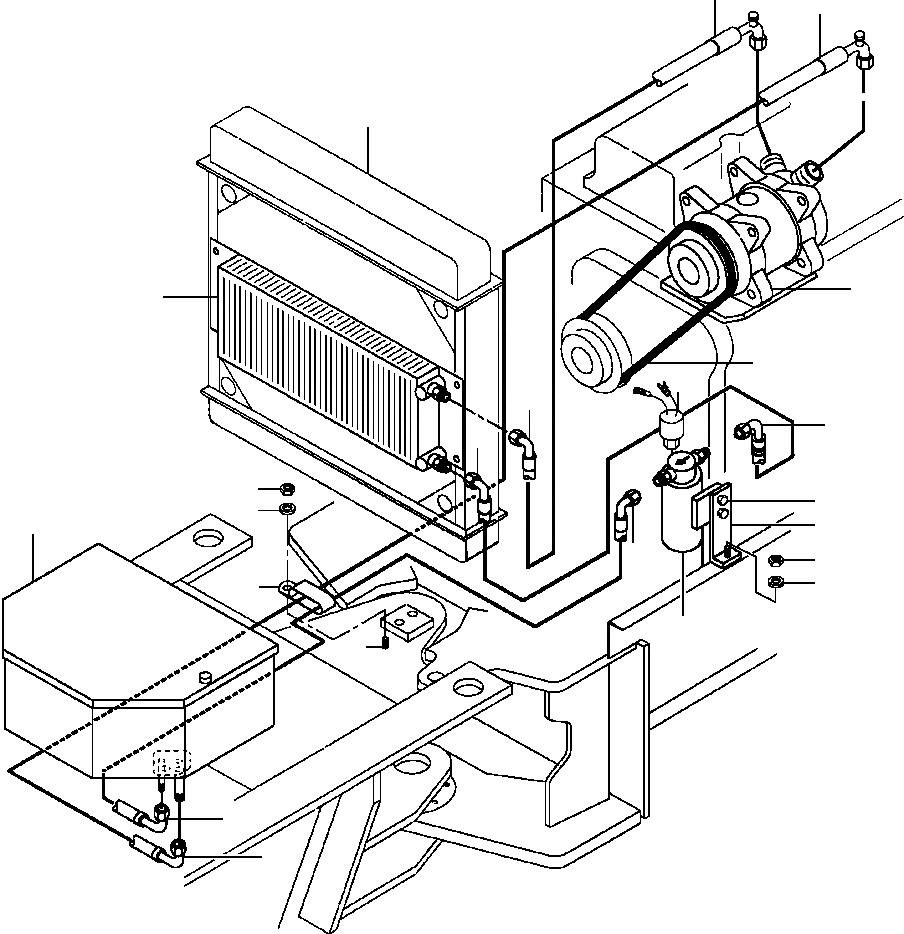
Запчасти Komatsu GD650A КОНДИЦ. ВОЗДУХА ЛИНИИ SUPERSTRUCTURE

Схема запчастей Komatsu GD650A - КОНДИЦ. ВОЗДУХА ЛИНИИ SUPERSTRUCTURE
4
13
19
1
6
2
8
4
5
5
17
9
16
18
7
12
10
11
15
3
14
12
13
FIT
1:1
100%

Артикул

Название

Примечание

Количество

1

COMPRESSOR MOUNTING (SEE PG 13-144)

-29шт.

2

BELT, COMPRESSOR DRIVE (SEE PG 13-144)

-29шт.

|$2

1437 198 H91

KIT, CONDENSER HOSE & COIL

12шт.

3

1431 743 H1

DRIER/RECEIVER

1шт.

4

1433 065 H1

HOSE - 13/32 X 5'

1шт.

5

1433 068 H1

HOSE - 5/16 X 6'

1шт.

6

1431 742 H1

COIL, CONDENSER

1шт.

7

1431 745 H1

BRACKET, DRIER/RECEIVER MOUNTING

1шт.

8

NS

SWITCH, HIGH PRESSURE

1шт.

9

25 493 R1

BOLT

2шт.

|$10

25 533 R1

WASHER, FLAT

2шт.

|$11

25 520 R1

NUT, HEX

2шт.

N/I

161 496

SLEEVE, PROTECTIVE - 22 IN

1шт.

10

25 522 R1

NUT, HEX

1шт.

11

25 534 R1

WASHER, FLAT

1шт.

|$15

1432 856 H91

KIT, HOSE

1шт.

12

1433 067 H1

HOSE - 5/16 X 6'

1шт.

13

1433 066 H1

HOSE - 1/2 X 8'

1шт.

N/I

1431 737 H1

FITTING, EVAPORATOR DRAIN

2шт.

14

105 899

STUD, WELD

1шт.

15

651 569 C1

CLAMP

2шт.

16

25 553 R1

WASHER, FLAT

1шт.

17

17 044 R1

NUT, HEX

1шт.

N/I

1431 377 H1

SLEEVE, HOSE WRAP - 20 IN

1шт.

|$24

935 522 C1

STRAP, TIE

4шт.

18

EVAPORATOR, AIR CONDITIONER (SEE PG 13-138)

-29шт.

19

RADIATOR (SEE PG 06-010)

-29шт.

|$39

-1шт.

|$28

F1 - WRAP HOSES TOGETHER AT CONDENSER COIL WITH

-1шт.

|$29

PROTECTIVE SLEEVE 161 496 CUT TO LENGTH

-1шт.

|$40

-1шт.

|$31

F2 - SOME UNITS HAVE TWO HIGH-PRESSURE SWITCHES: ONE IN THE EVAPORATOR CASE AND

-1шт.

|$32

ONE IN-LINE. HOWEVER, ONLY ONE SWITCH IS NEEDED. IF YOUR UNIT HAS AN IN-LINE

-1шт.

|$33

SWITCH, CONNECT THE IN-LINE SWITCH WIRES TOGETHER AND REPLACE THE IN-LINE SWITCH

-1шт.

|$34

WITH THE FOLLOWING CAP:

-1шт.

8

9403 369

CAP

1шт.

|$41

-1шт.

|$37

F3 - WRAP HOSES TOGETHER WITH BULK HOSE WRAP

-1шт.

|$38

1431 377 H1 CUT TO LENGTH

-1шт.

Выбрано товаров: 39