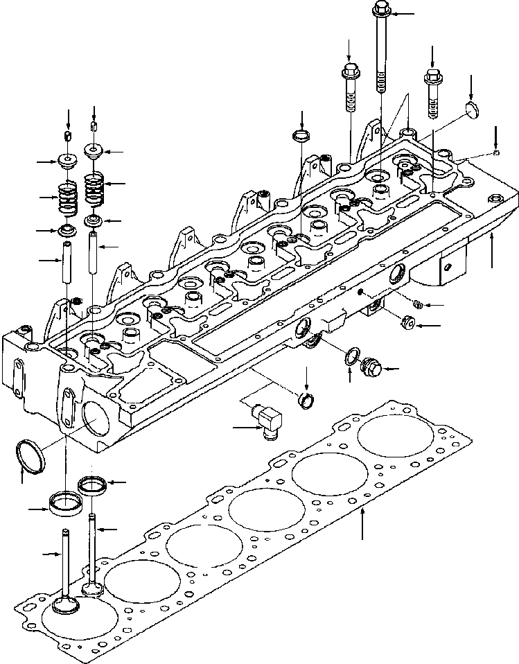
Запчасти Komatsu GD650A ГОЛОВКА ЦИЛИНДРОВ ГОЛОВКА ЦИЛИНДРОВ

Схема запчастей Komatsu GD650A - ГОЛОВКА ЦИЛИНДРОВ ГОЛОВКА ЦИЛИНДРОВ
24
23
23
2
13
13
3
8
18
18
17
17
19
11
5
5
1
9
10
20
16
15
21
6
4
7
14
22
12
FIT
1:1
100%

Артикул

Название

Примечание

Количество

|$0

1294 846 H92

HEAD, CYLINDER

1шт.

1

NSS

HEAD, CYLINDER

1шт.

2

1240 889 H1

PLUG, EXPANSION

1шт.

3

1246 342 H1

PLUG, EXPANSION

5шт.

4

1240 154 H2

PLUG, EXPANSION

2шт.

5

1304 934 H1

GUIDE, VALVE STEM

12шт.

6

1241 192 H1

INSERT, VALVE - EXHAUST

6шт.

7

1241 223 H2

INSERT, VALVE - INTAKE

6шт.

8

1241 158 H1

PLUG, PIPE (1/16 - 27)

1шт.

9

1239 158 H1

PLUG, PIPE (1/4 NPT)

1шт.

10

6732-11-1910

PLUG, PIPE (1/2 NPT)

1шт.

11

1241 663 H1

SEAL, VALVE STEM - INTAKE

6шт.

|$12

1241 171 H91

VALVE, INTAKE

6шт.

12

1294 848 H1

VALVE, INTAKE

1шт.

13

1304 934 H1

COLLET, VALVE

12шт.

|$15

1241 172 H91

VALVE, EXHAUST

6шт.

14

NSS

VALVE, EXHAUST

6шт.

13

1240 898 H1

COLLET, VALVE

12шт.

15

6732-21-5170

WASHER, SPRING

2шт.

16

1240 255 H1

PLUG, THREADED

2шт.

17

1241 009 H1

SPRING, VALVE - INTAKE

6шт.

17

1241 009 H1

SPRING, VALVE - EXHAUST

6шт.

18

1241 211 H2

RETAINER, VALVE SPRING

12шт.

19

1241 663 H1

SEAL, VALVE STEM - EXHAUST

6шт.

20

1294 849 H1

PLUG, EXPANSION

1шт.

21

1294 847 H2

COUPLING, ELBOW HOSE

1шт.

22

1295 449 H2

GASKET, CYLINDER HEAD (STD)

1шт.

23

1294 851 H1

BOLT (M14x2.00x80)

12шт.

24

1294 850 H1

BOLT (M14x2.00x160)

14шт.

|$39

-1шт.

|$30

SERVICE PARTS

-1шт.

|$31

1304 870 H1

GASKET, CYLINDER HEAD (0.25 mm OVERSIZE)

1шт.

|$32

1307 581 H1

GASKET, CYLINDER HEAD (0.50 mm OVERSIZE)

1шт.

|$40

-1шт.

|$34

F1 - REPLACES ITEM 20 P/N 1294 849 H1 PLUG WHEN AIR

-1шт.

|$35

COMPRESSOR IS USED.

-1шт.

|$41

-1шт.

|$37

R1 - REMANUFACTURED ASSEMBLY AVAILABLE; REFER TO REMANUFACTURED

-1шт.

|$38

ASSEMBLIES CATALOG.

-1шт.

Выбрано товаров: 0