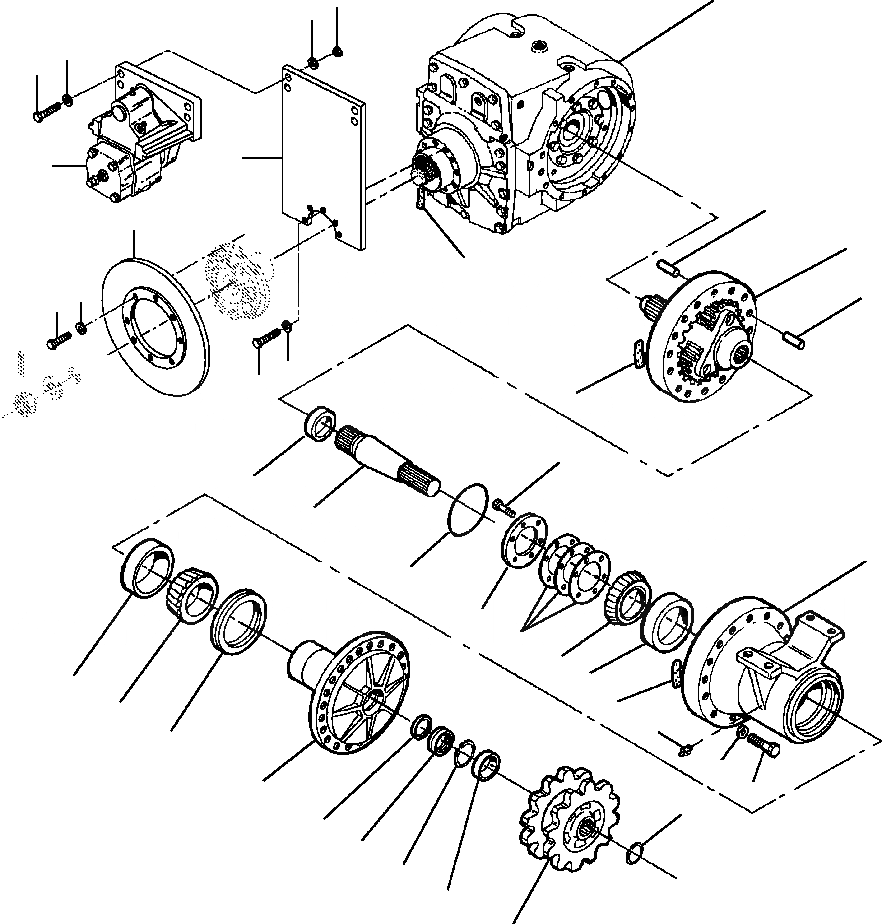
Запчасти Komatsu GD650A КОНЕЧНАЯ ПЕРЕДАЧА - С PLANETARY заводской номер & UP ПРИВОД TRAIN

Схема запчастей Komatsu GD650A - КОНЕЧНАЯ ПЕРЕДАЧА - С PLANETARY заводской номер & UP ПРИВОД TRAIN
9
36
35
35
34
6
7
33
3
29
8
33
2
1
5
4
8
26
27
28
17
25
24
23
22
21
16
8
15
20
14
19
13
18
30
12
11
10
32
31
FIT
1:1
100%

Артикул

Название

Примечание

Количество

|$0

1431 781 H94

AXLE ASSEMBLY - NoSPIN DIFFERENTIAL

a

1шт.

|$1

1432 005 H94

AXLE ASSEMBLY - LOCK/UNLOCK DIFFERENTIAL

b

1шт.

1

25 772 R1

BOLT

8шт.

2

25 534 R1

WASHER, FLAT

8шт.

3

1281 013 H2

DISK, PARKING BRAKE

1шт.

4

30 023 R1

BOLT

8шт.

5

30 176 R1

WASHER, FLAT

8шт.

6

1431 588 H1

BRACKET, PARKING BRAKE

1шт.

7

CALIPER ASSEMBLY, PARKING BRAKE (SEE PG 04-016)

-29шт.

8

159 906

GASKET, LIQUID - 300 ML CARTRIDGE

1шт.

9

CASE, DIFFERENTIAL (SEE PG 07-076)

-29шт.

10

1277 410 H1

RING, RETAINING

2шт.

11

1286 766 H91

BEARING, SPHERICAL ROLLER

2шт.

12

1286 767 H1

SEAL, OIL

2шт.

13

1435 732 H91

SLEEVE, TANDEM MOUNTING

2шт.

14

1285 337 H1

SEAL, GREASE

2шт.

|$16

1286 765 H91

BEARING ASSEMBLY

2шт.

15

1286 764 H91

BEARING, CONE

1шт.

16

1286 763 H1

BEARING, CUP

1шт.

17

1277 395 H93

HOUSING, FINAL DRIVE - R.H

1шт.

|$20

1277 791 H93

HOUSING, FINAL DRIVE - L.H

1шт.

18

30 076 R1

BOLT

24шт.

19

25 547 R1

WASHER, FLAT

24шт.

20

109 461

FITTING, LUBE

2шт.

|$24

625 365 C91

BEARING ASSEMBLY

2шт.

21

625 364 C1

BEARING, CUP

1шт.

22

625 363 C91

BEARING, CONE

1шт.

23

1435 733 H1

SHIM - 0.13 mm

-2шт.

|$28

1435 734 H1

SHIM - 0.18 mm

-2шт.

|$29

1435 735 H1

SHIM - 0.50 mm

-2шт.

24

1435 079 H1

RETAINER, BEARING

2шт.

25

22 422 R1

O-RING

2шт.

26

31 148 R1

BOLT

36шт.

27

1277 403 H1

SPACER, PLANETARY

2шт.

28

1431 425 H91

SHAFT, AXLE TANDEM

2шт.

29

PLANETARY & RING GEAR (SEE PG 07-074)

-29шт.

30

1281 948 H1

RING, RETAINING

2шт.

31

1286 993 H1

SPROCKET, OUTPUT SHAFT

2шт.

32

1286 994 H1

SPACER, OUTPUT SPROCKET

2шт.

33

19 875 R1

DOWEL, LOCATING

8шт.

34

24 865 R1

BOLT

4шт.

35

25 546 R1

WASHER, FLAT

8шт.

36

25 526 R1

NUT, HEX

4шт.

Выбрано товаров: 43