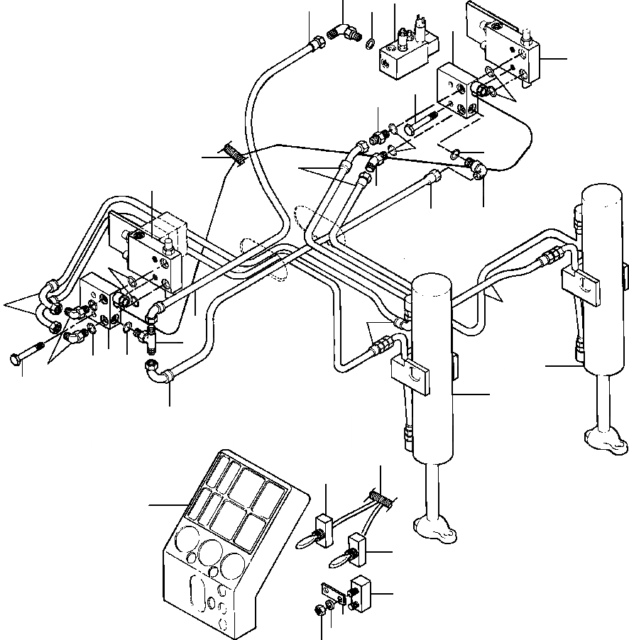
Запчасти Komatsu GD650A MOLDBOARD ПЛАВАЮЩ КЛАПАН УСТАНОВКА ГИДРАВЛS

Схема запчастей Komatsu GD650A - MOLDBOARD ПЛАВАЮЩ КЛАПАН УСТАНОВКА ГИДРАВЛS
2
1
4
23
7
5
10
14
6
8
3
16
24
5
15
13
12
6
24
24
24
4
11
7
3
8
25
9
10
25
12
17
18
26
18
19
20
21
22
FIT
1:1
100%

Артикул

Название

Примечание

Количество

|$0

1278 428 H91

VALVE INSTALLATION, MOLDBOARD FLOAT

1шт.

1

BLOCK, JUNCTION (SEE PG 10-118)

-29шт.

2

ELBOW, REDUCING - 90° (SEE PG 10-008)

-29шт.

3

570 828 R1

O-RING

2шт.

4

1278 036 H1

HOSE

1шт.

5

VALVE, DUAL COUNTERBALANCE/RELIEF (SEE PG 10-160)

-29шт.

6

376 769 R1

O-RING

4шт.

7

VALVE, FLOAT (SEE PG 10-166)

-29шт.

8

364 885 R1

O-RING

4шт.

9

936 450 R91

ELBOW - 90°

2шт.

10

26 269 R1

BOLT

4шт.

|$11

25 533 R1

WASHER, FLAT

4шт.

11

9411 118

TEE

1шт.

12

1259 786 H1

HOSE

1шт.

13

9410 977

ELBOW

1шт.

14

103 071

ELBOW - 45°

a

1шт.

|$16

481 352 R1

CONNECTOR

b

1шт.

15

103 071

ELBOW - 45°

1шт.

16

HARNESS, MAIN WIRING (SEE PG 08-002)

-29шт.

17

HARNESS, INSTRUMENT PANEL (SEE PG 11-006)

-29шт.

18

1252 855 H1

SWITCH, MOLDBOARD FLOAT

2шт.

19

1109 633 C1

BREAKER, CIRCUIT - 6 AMP

1шт.

20

1106 459 C1

BAR, BUSS - 2 HOLE

1шт.

21

120 217

WASHER, LOCK

2шт.

22

120 614

NUT, HEX

2шт.

23

364 839 R1

O-RING

1шт.

24

ACTUATOR LINES, DRAWBAR LIFT (SEE PG 10-030)

-29шт.

25

CYLINDER, DRAWBAR LIFT (SEE PG 10-186)

-29шт.

26

PANEL, STEERING CONSOLE INSTRUMENT (SEE PG 11-006)

-29шт.

Выбрано товаров: 29