Запчасти Komatsu GD650A РУЛЕВ. УПРАВЛЕНИЕ И ТОРМОЗ. НАСОС ГИДРАВЛS

Схема запчастей Komatsu GD650A - РУЛЕВ. УПРАВЛЕНИЕ И ТОРМОЗ. НАСОС ГИДРАВЛS
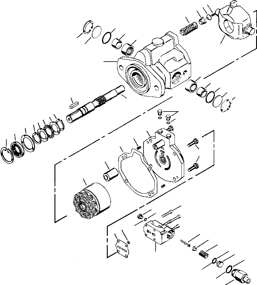
24
23
22
21
4
19
18
5
20
25
17
18
19
4
20
15
5
16
30
3
13
14
9
13
3
12
29
2
28
1
6
31
27
26
32
33
34
9
8
7
35
36
37
38
39
42
40
10
11
41
FIT
1:1
100%

Артикул

Название

Примечание

Количество

|$0

1279 536 H92

PUMP, STEERING AND BRAKE

1шт.

|$1

1287 648 H91

KIT, SEAL REPAIR

1шт.

1

1439 599 H1

RING, RETAINING

1шт.

2

1439 598 H1

SEAL, SHAFT

1шт.

3

1439 597 H1

RING, RETAINING

2шт.

4

22 277 R1

O-RING

2шт.

5

1439 596 H1

RING, RETAINING

2шт.

6

1439 518 H1

GASKET

1шт.

|$8

1438 878 H91

KIT, COMPENSATOR SEAL

1шт.

7

1439 519 H1

GASKET, COMPENSATOR

1шт.

8

920 186 C1

O-RING

1шт.

9

379 795 R1

O-RING

3шт.

10

28 377 R1

O-RING

1шт.

11

610 547 C1

O-RING

1шт.

12

1287 626 H1

WASHER

1шт.

13

1287 627 H1

WASHER, THRUST

2шт.

14

1287 628 H1

BEARING, THRUST

1шт.

15

1287 629 H1

KEY

1шт.

16

1287 630 H1

SHAFT, DRIVE

1шт.

17

1287 631 H1

HOUSING ASSEMBLY

1шт.

18

1287 632 H1

BEARING, NEEDLE

2шт.

19

1287 633 H1

RACE, INNER

2шт.

20

1287 634 H1

COVER, TRUNNION

2шт.

21

1287 635 H1

SPRING, CAM PLATE CONTROL

1шт.

22

1287 636 H1

COLLAR, SPRING

1шт.

23

1287 637 H1

BUTTON, PIVOT

1шт.

24

1287 638 H1

PIN, ROLL

1шт.

25

1287 639 H1

PLATE, CAM

1шт.

26

1439 517 H91

KIT, ROTATING

1шт.

27

1287 641 H1

PISTON, CONTROL

1шт.

28

1287 642 H1

PIN, ROLL

2шт.

29

1287 643 H91

PLATE ASSEMBLY, BACK

1шт.

30

1287 647 H91

PLUG

2шт.

|$33

379 795 R1

O-RING

1шт.

31

1287 644 H1

BOLT

4шт.

32

1287 645 H1

BOLT, SOCKET HEAD

4шт.

|$36

1287 646 H92

COMPENSATOR ASSEMBLY, PRESSURE

1шт.

33

1287 647 H91

PLUG

1шт.

34

379 795 R1

O-RING

1шт.

35

NSS

SPOOL, PRESSURE COMPENSATOR

1шт.

36

NSS

CAP, SPRING PIVOT

1шт.

37

NSS

SPRING, PRESSURE COMPENSATOR

1шт.

38

28 377 R1

O-RING

1шт.

39

NSS

FOLLOWER, PRESSURE SPRING

1шт.

40

610 547 C1

O-RING

1шт.

41

NSS

CAP, PRESSURE ADJUSTMENT

1шт.

42

NSS

HOUSING, COMPENSATOR

1шт.

|$53

-1шт.

|$48

F1 - FOR PUMP MOUNTING, SEE PG 10-069.

-1шт.

|$54

-1шт.

|$55

-1шт.

|$51

F2 - INCLUDED IN THE FOLLOWING:

-1шт.

|$52

1438 878 H91

KIT, COMPENSATOR SEAL

1шт.

Выбрано товаров: 53