Запчасти Komatsu GD650A СТОЯНОЧНЫЙ ТОРМОЗ ЛИНИИ ТОРМОЗ.S

Схема запчастей Komatsu GD650A - СТОЯНОЧНЫЙ ТОРМОЗ ЛИНИИ ТОРМОЗ.S
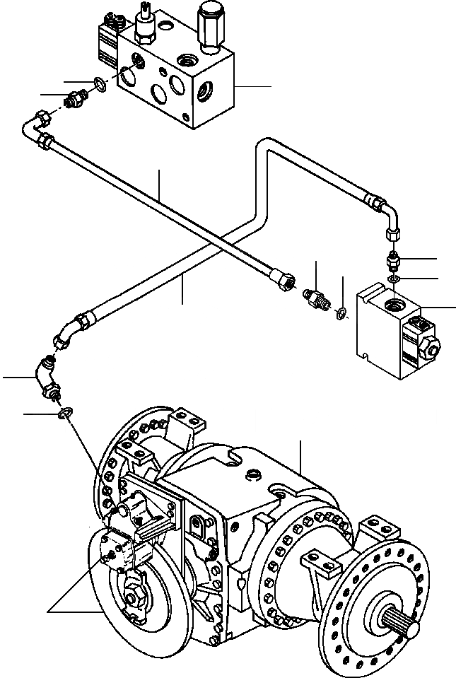
2
1
3
4
5
8
6
6
7
9
10
11
13
12
FIT
1:1
100%

Артикул

Название

Примечание

Количество

1

BLOCK, JUNCTION (SEE PG 10-118)

-29шт.

2

369 751 R1

O-RING

1шт.

3

394 955 R1

CONNECTOR

1шт.

4

1281 008 H1

HOSE

1шт.

5

9410 202

CONNECTOR

1шт.

6

364 839 R1

O-RING

2шт.

7

VALVE, PARKING BRAKE SOLENOID (SEE PG 10-120)

-29шт.

|$7

25 532 R1

BOLT

2шт.

|$8

25 542 R1

WASHER, FLAT

8шт.

|$9

26 110 R1

NUT, LOCK

2шт.

8

157 519 C1

CONNECTOR

1шт.

9

1285 746 H1

HOSE

1шт.

10

9410 974

ELBOW - 90°

1шт.

11

369 751 R1

O-RING

1шт.

12

BRAKE, PARKING (SEE PG 04-014)

-29шт.

13

AXLE, REAR (SEE PG 07-044)

a

-29шт.

|$16

AXLE, REAR (SEE PG 07-048)

b

-29шт.

Выбрано товаров: 17