Качественные детали и логистика
Оригинальные и аналоговые запчасти с доставкой по России, Казахстану и Беларуси
©2022 PartSell ООО "Система" ИНН 2463123282 ОГРН 1212400004838
Центральный офис: г. Красноярск, Академика Киренского, д.87, пом.4
Телефон: 8 (800) 777-65-74 Email: zakaz@partsell.ru
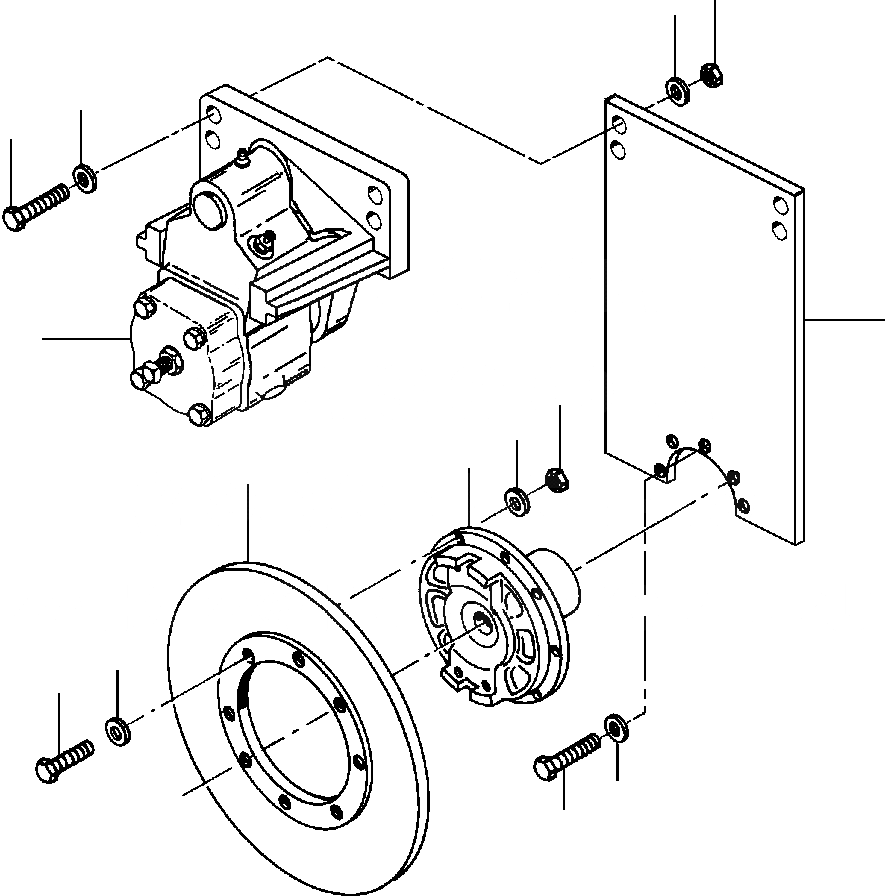
СТОЯНОЧНЫЙ ТОРМОЗ
№
Артикул
Название
Примечание
Количество
1
24 841 R1
BOLT
8шт.
2
25 534 R1
WASHER, FLAT
16шт.
3
1281 013 H2
DISK, PARKING BRAKE
1шт.
4
YOKE, INPUT (SEE PG 07-058)
-29шт.
5
30 021 R1
5шт.
6
30 176 R1
7
1431 588 H1
BRACKET, PARKING BRAKE
8
CALIPER ASSEMBLY, PARKING BRAKE (SEE PG 04-016)
9
24 865 R1
4шт.
10
25 546 R1
11
25 526 R1
NUT, HEX
12
9413 979
NUT, LOCK
Выбрано товаров: 0