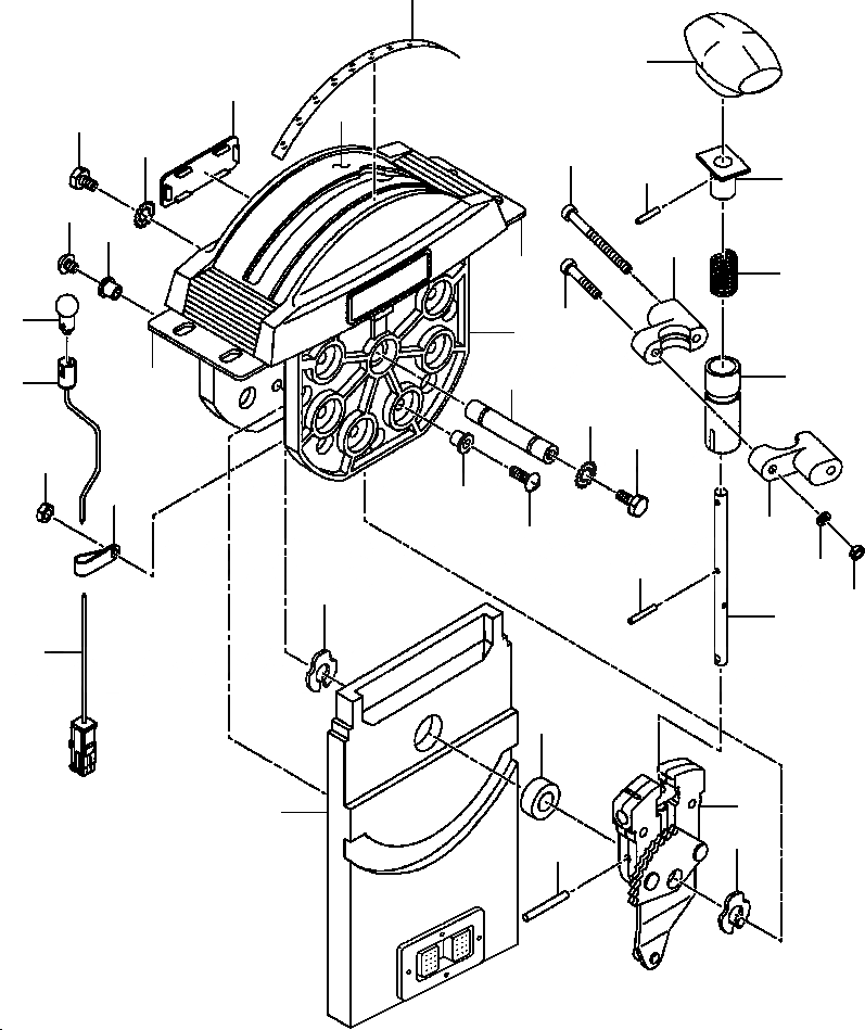
Запчасти Komatsu GD650A ТРАНСМИССИЯ SHIFTER IN-ЛИНИЯ SHIFT PATTERN POWER

Схема запчастей Komatsu GD650A - ТРАНСМИССИЯ SHIFTER IN-ЛИНИЯ SHIFT PATTERN POWER
5
32
6
4
7
8
25
31
30
1
2
24
3
29
15
26
10
23
3
9
14
8
7
13
12
2
24
11
22
27
17
28
21
14
18
19
16
17
20
FIT
1:1
100%

Артикул

Название

Примечание

Количество

|$0

1433 426 H91

SHIFTER, TRANSMISSION

1шт.

1

132 900

SCREW, MACHINE - #10-32 X .375

4шт.

2

NSS

BUSHING, NYLON SHOULDER

7шт.

3

1432 785 H1

BRACKET, SURFACE MOUNT

2шт.

|$4

443 874

SCREW, HEX HEAD MACHINE - #10-24 X .50

4шт.

|$5

120 217

WASHER, LOCK - #10

4шт.

4

NSS

PLATE, GATE

1шт.

5

1432 789 H1

STRIP, POSITION

1шт.

6

NSS

COVER, ACCESS

2шт.

7

180 016

BOLT - .250-20 X .50

2шт.

8

174 916

WASHER, EXTERNAL/INTERNAL LOCK

2шт.

9

NSS

SHAFT

1шт.

10

NSS

HOUSING

1шт.

11

132 911

SCREW, MACHINE - #10-32 X .625

1шт.

12

NSS

CLIP, CABLE

1шт.

13

27 017 R1

NUT, LOCK - #10-32

4шт.

14

NSS

SOCKET, LAMP - WITH PIGTAIL

1шт.

15

20 274 R1

BULB - #356 28V

1шт.

16

NSS

ELECTRONIC SUB-ASSEMBLY

1шт.

17

NSS

RING, RETAINING

2шт.

18

NSS

SPACER

1шт.

19

NSS

ACTUATOR ASSEMBLY

1шт.

20

265 923 R1

PIN, SPRING

1шт.

21

1432 781 H1

HANDLE

1шт.

22

17 271 R1

PIN, SPRING

1шт.

23

1432 783 H1

SLEEVE, LOCKING

1шт.

24

1137 307 C1

HANDLE, RATCHET

1шт.

25

132 080

SCREW, FILLISTER HEAD MACHINE - #10-24 X 2

1шт.

26

110 490

SCREW, FILLISTER HEAD MACHINE - #10-24 X .875

1шт.

27

120 217

WASHER, LOCK - #10

2шт.

28

120 361

NUT, HEX - #10-24

2шт.

29

1432 784 H1

SPRING, COMPRESSION

1шт.

30

1432 786 H1

FASTENER, KNOB

1шт.

31

17 064 R1

PIN, ROLL

1шт.

32

1432 788 H1

KNOB

1шт.

Выбрано товаров: 0