Запчасти Komatsu GD650A ПЕРЕДН. ПРИВОД COVER БЛОК ЦИЛИНДРОВ

Схема запчастей Komatsu GD650A - ПЕРЕДН. ПРИВОД COVER БЛОК ЦИЛИНДРОВ
3
2
7
10
4
9
5
6
11
13
14
1
8
12
FIT
1:1
100%

Артикул

Название

Примечание

Количество

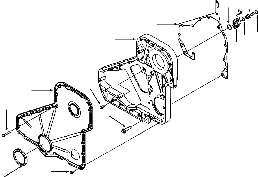
1

1241 110 H1

BOLT

4шт.

2

1240 383 H1

BOLT (M5x0.80x17)

2шт.

3

1240 240 H1

PIN, TIMING

1шт.

4

1240 296 H1

RING, RETAINING

1шт.

5

1241 283 H1

O-RING

1шт.

6

1295 493 H1

HOUSING, TIMING PIN

1шт.

7

1241 284 H2

SEAL, RECTANGULAR RING

1шт.

8

6736-21-5310

BOLT (M8x1.25x16)

16шт.

9

1241 247 H93

HOUSING, GEAR

1шт.

10

1278 593 H3

GASKET, GEAR HOUSING

1шт.

11

1307 190 H1

BOLT (M8x1.25x20)

5шт.

12

1295 997 H1

SEAL, OIL

1шт.

13

1307 191 H1

COVER, GEAR

1шт.

14

1307 192 H1

BOLT (M8x1.25x50)

6шт.

Выбрано товаров: 14