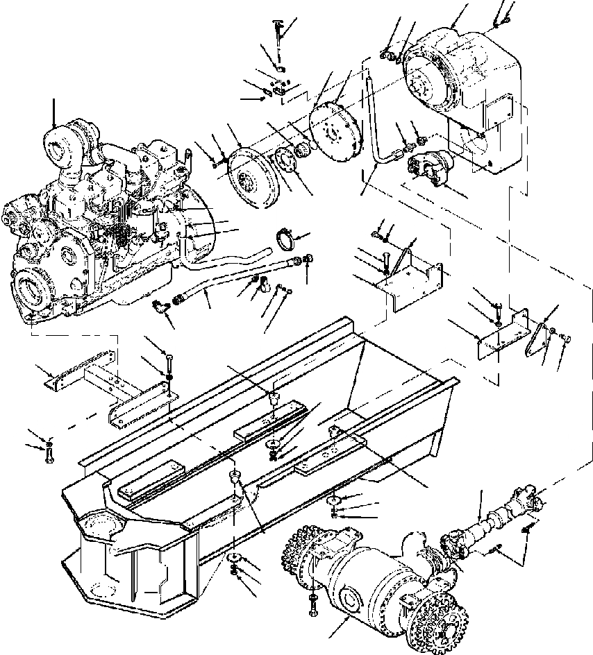
Запчасти Komatsu GD650A ПРИВОД ЛИНИЯ ПРИВОД TRAIN

Схема запчастей Komatsu GD650A - ПРИВОД ЛИНИЯ ПРИВОД TRAIN
19
1
21
12
10
22
14
17
18
16
11
51
15
31
41
54
48
7
23
13
8
9
6
49
5
4
3
25
26
24
20
27
28
2
9
38
50
52
51
45
52
50
44
32
40
43
29
39
42
53
36
28
27
54
52
30
55
37
46
53
52
55
33
34
47
30
35
30
FIT
1:1
100%

Артикул

Название

Примечание

Количество

1

BOLT (SEE PG 12-002)

-29шт.

2

ENGINE (SEE PG 12-002)

-29шт.

|$2

ENGINE - DUAL HP GD650 (SEE PG 12-002)

-29шт.

|$3

ENGINE - GD670 (SEE PG 12-002)

-29шт.

3

25 774 R1

BOLT

8шт.

4

25 534 R1

WASHER, FLAT

8шт.

5

FLYWHEEL (SEE PG E2-008)

-29шт.

6

1435 178 H1

SLEEVE

1шт.

7

25 493 R1

BOLT

1шт.

|$9

30 175 R1

WASHER, FLAT

1шт.

|$10

25 520 R1

NUT, HEX

1шт.

8

161 595

PLATE

1шт.

9

27 291 R1

CLAMP

1шт.

10

931 431 R1

BOLT

1шт.

|$14

30 175 R1

WASHER, FLAT

1шт.

11

27 861 R1

CLAMP, HOSE

1шт.

12

122 851

DIPSTICK

1шт.

13

WASHER, FLAT (SEE PG 12-002)

-29шт.

14

9410 981

ELBOW

1шт.

15

296 247 R1

O-RING

1шт.

16

1433 362 H1

TUBE, DIPSTICK

1шт.

17

9402 713

CONNECTOR

1шт.

18

150 615

BUSHING, REDUCER

1шт.

19

CLAMP (SEE PG 12-002)

-29шт.

20

30 022 R1

BOLT

11шт.

21

630 402 C1

WASHER, SPECIAL

11шт.

22

TRANSMISSION (SEE PG 07-006)

-29шт.

23

PLATE ASSEMBLY, CONVERTER DRIVE (SEE PG 07-006)

-29шт.

24

RING (SEE PG 07-006)

-29шт.

25

BOLT (SEE PG 07-006)

-29шт.

26

YOKE (SEE PG 07-006)

-29шт.

27

24 887 R1

BOLT

6шт.

|$32

27 437 R1

BOLT, LOCK PATCH

6шт.

28

25 548 R1

WASHER, FLAT

6шт.

29

BOLT (SEE PG 12-002)

-29шт.

30

WASHER, FLAT (SEE PG 12-002)

-29шт.

31

159 823

BRACKET, TRANSMISSION MOUNTING - R.H

1шт.

32

159 824

BRACKET, TRANSMISSION MOUNTING - L.H

1шт.

33

MOUNT, NATURAL RUBBER (SEE PG 12-002)

-29шт.

|$39

MOUNT, NEOPRENE (SEE PG 12-002)

-29шт.

34

WASHER, FLAT (SEE PG 12-002)

-29шт.

35

NUT, LOCK (SEE PG 12-002)

-29шт.

36

WASHER, FLAT (SEE PG 12-002)

-29шт.

37

NUT, HEX (SEE PG 12-002)

-29шт.

38

SUPPORT WELDMENT, ENGINE (SEE PG 12-002)

-29шт.

39

PLUG (SE PG 12-003)

1шт.

40

BOLT (SEE PG 12-002)

-29шт.

41

SHAFT, DRIVE (SEE PG 07-038)

-29шт.

42

1277 829 H1

BOLT

8шт.

43

DRIVE ASSEMBLY, FINAL (SEE PG 07-040)

a

-29шт.

|$50

DRIVE ASSEMBLY, FINAL (SEE PG 07-042)

b

-29шт.

44

ADAPTOR (SEE PG 12-002)

-29шт.

45

HOSE (SEE PG 12-002)

-29шт.

46

CLAMP (SEE PG 12-002)

-29шт.

47

BOLT (SEE PG 12-002)

-29шт.

48

NUT, HEX (SEE PG 12-002)

-29шт.

49

1437 300 H1

PLATE, TRANSMISSION MOUNTING

2шт.

50

28 033 R1

O-RING

1шт.

51

24 881 R1

BOLT

4шт.

52

25 537 R1

WASHER

8шт.

53

1437 243 H1

MOUNT, NATURAL RUBBER

4шт.

|$61

58 502

MOUNT, NEOPRENE

4шт.

54

65 536

WASHER

4шт.

55

9412 231

NUT

4шт.

|$82

-1шт.

|$65

F1 - SEE SECTION E1 FOR ENGINE PARTS

-1шт.

|$66

-1шт.

|$83

-1шт.

|$68

F2 - S/N 202487 THRU 202909

-1шт.

|$84

-1шт.

|$85

-1шт.

|$71

F3 - S/N 202910 AND UP

-1шт.

|$86

-1шт.

|$87

-1шт.

|$74

F4 - WHEN REPLACING THE MOUNTS, DO NOT MIX NEOPRENE AND

-1шт.

|$75

NATURAL RUBBER MOUNTS. USE ALL NATURAL RUBBER MOUNTS OR

-1шт.

|$76

ALL NEOPRENE.

-1шт.

|$88

-1шт.

|$78

F5 - S/N 203136 AND UP

-1шт.

|$89

-1шт.

|$90

-1шт.

|$81

F6 - S/N 203135 AND DOWN

-1шт.

|$91

-1шт.

Выбрано товаров: 0