Запчасти Komatsu GD650A ОСНОВН. КОРПУС ПРИВОД TRAIN

Схема запчастей Komatsu GD650A - ОСНОВН. КОРПУС ПРИВОД TRAIN
18
17
19
1
14
15
16
13
2
18
3
16
15
14
13
12
2
4
11
10
5
6
9
8
7
FIT
1:1
100%

Артикул

Название

Примечание

Количество

|$0

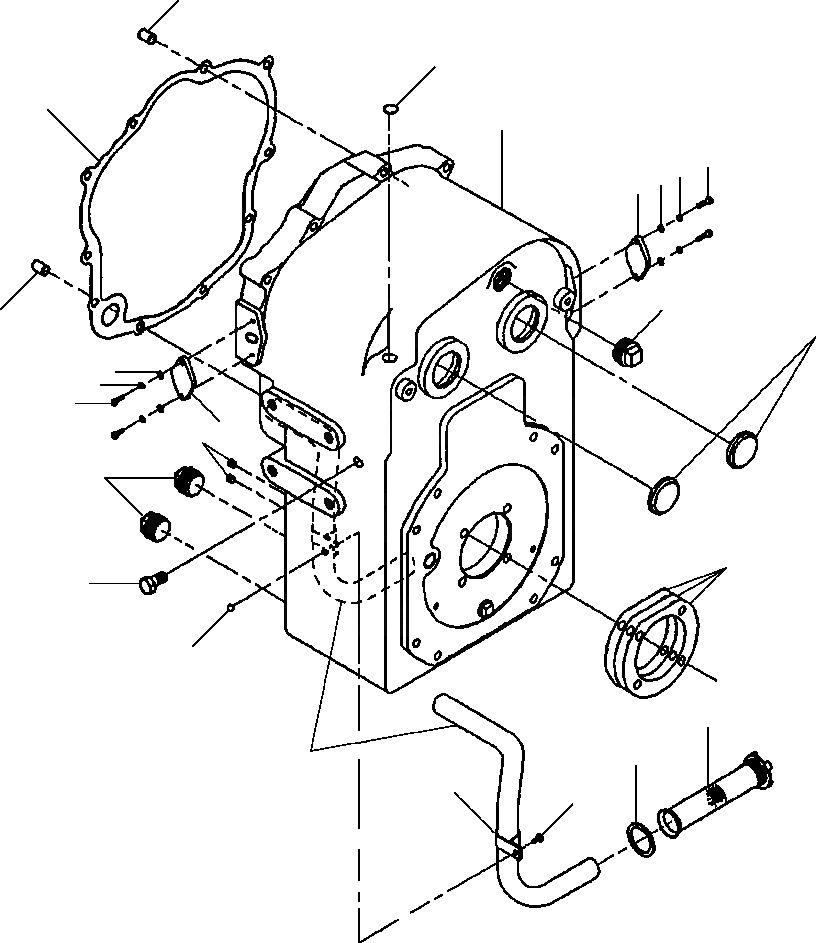
TRANSMISSION (SEE PG 07-006)

-29шт.

1

134 361

CASE, MAIN

1шт.

2

20 973 R1

PLUG, PIPE

3шт.

3

134 395

PLUG, EXPANSION

2шт.

4

134 363

SHIM PACK

1шт.

|$5

134 364

SHIM - 0.005 IN

3шт.

|$6

134 365

SHIM - 0.007 IN

4шт.

|$7

134 366

SHIM - 0.020 IN

3шт.

5

134 937

SCREEN, SUCTION

1шт.

6

134 945

GASKET, SUCTION SCREEN

1шт.

7

25 752 R1

BOLT

1шт.

8

134 944

CLAMP, TUBE

1шт.

9

134 362

TUBE, SUCTION

1шт.

10

17 012 R1

BALL

1шт.

11

25 851 R1

BOLT

1шт.

12

149 491

PLUG, PIPE

2шт.

13

1432 522 H1

PLATE, COVER

2шт.

14

25 480 R1

BOLT

4шт.

15

120 380

WASHER, LOCK

4шт.

16

103 339

WASHER. FLAT

4шт.

17

172 541

PLUG, EXPANSION

1шт.

18

560 457 C1

BUSHING, LOCATING

2шт.

19

564 887 C2

GASKET, MAIN HOUSING

1шт.

Выбрано товаров: 23