Запчасти Komatsu GD650A NOSПАЛЕЦ ДИФФЕРЕНЦ. ПОДШИПНИК QUILLS ПРИВОД TRAIN

Схема запчастей Komatsu GD650A - NOSПАЛЕЦ ДИФФЕРЕНЦ. ПОДШИПНИК QUILLS ПРИВОД TRAIN
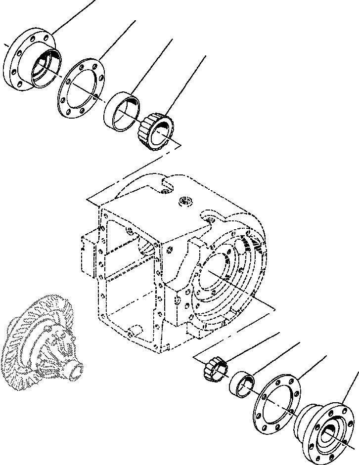
2
2
1
3
4
5
6
7
FIT
1:1
100%

Артикул

Название

Примечание

Количество

|$0

CASE ASSEMBLY, DIFFERENTIAL (SEE PG 07-054)

a

-29шт.

|$1

CASE ASSEMBLY, DIFFERENTIAL (SEE PG 07-056)

b

-29шт.

1

149 884

QUILL

1шт.

2

149 885

SHIM - 0.003 IN

-2шт.

|$4

149 886

SHIM - 0.005 IN

-2шт.

|$5

149 887

SHIM - 0.010 IN

-2шт.

|$6

622 335 C91

BEARING ASSEMBLY

1шт.

3

622 337 C1

BEARING, CUP

1шт.

4

622 336 C91

BEARING, CONE

1шт.

|$9

131 474 R91

BEARING ASSEMBLY

1шт.

5

131 475 R91

BEARING, CONE

1шт.

6

972 466 R1

BEARING, CUP

1шт.

7

149 883

QUILL

1шт.

Выбрано товаров: 13