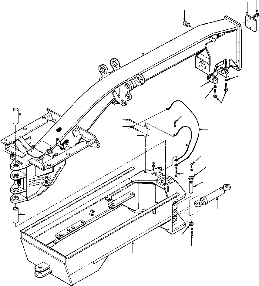
Запчасти Komatsu GD650A ОСНОВН. РАМА GDA И GDAW РАМА

Схема запчастей Komatsu GD650A - ОСНОВН. РАМА GDA И GDAW РАМА
6
7
9
8
11
10
11
12
19
16
17
18
13
15
13
4
3
14
2
5
19
3
4
1
FIT
1:1
100%

Артикул

Название

Примечание

Количество

|$0

1436 719 H91

FRAME ASSEMBLY, MAIN

1шт.

1

1433 143 H94

FRAME WELDMENT - REAR

1шт.

2

1252 547 H1

PIN, ARTICULATION CYLINDER

4шт.

3

159 277

PLATE, RETAINING

8шт.

4

24 841 R1

BOLT

16шт.

|$5

25 534 R1

WASHER, FLAT

16шт.

5

CYLINDER, ARTICULATION (SEE PG 10-184)

-29шт.

6

24 859 R1

BOLT

2шт.

|$8

25 536 R1

WASHER, FLAT

2шт.

7

1434 247 H1

PLATE, FRONT COVER

1шт.

8

1436 716 H91

FRAME WELDMENT - FRONT

1шт.

9

31 035

STUD, BALL

2шт.

10

1431 413 H91

RETAINER ASSEMBLY, FRONT AXLE

1шт.

11

25 538 R1

WASHER, FLAT

8шт.

12

25 515 R1

BOLT

8шт.

13

1433 073 H1

LANYARD

2шт.

14

25 672 R1

BOLT

1шт.

|$17

25 532 R1

WASHER, FLAT

2шт.

|$18

25 519 R1

NUT, HEX

1шт.

15

1433 910 H1

PIN, ARTICULATION JOINT LOCK

1шт.

16

25 752 R1

BOLT

1шт.

|$21

25 532 R1

WASHER, FLAT

1шт.

17

48 729

PIN, ROLL

1шт.

18

139 345 H45

PIN, HITCH

1шт.

19

JOINT ASSEMBLY, ARTICULATION (SEE PG 09-006)

-29шт.

Выбрано товаров: 25