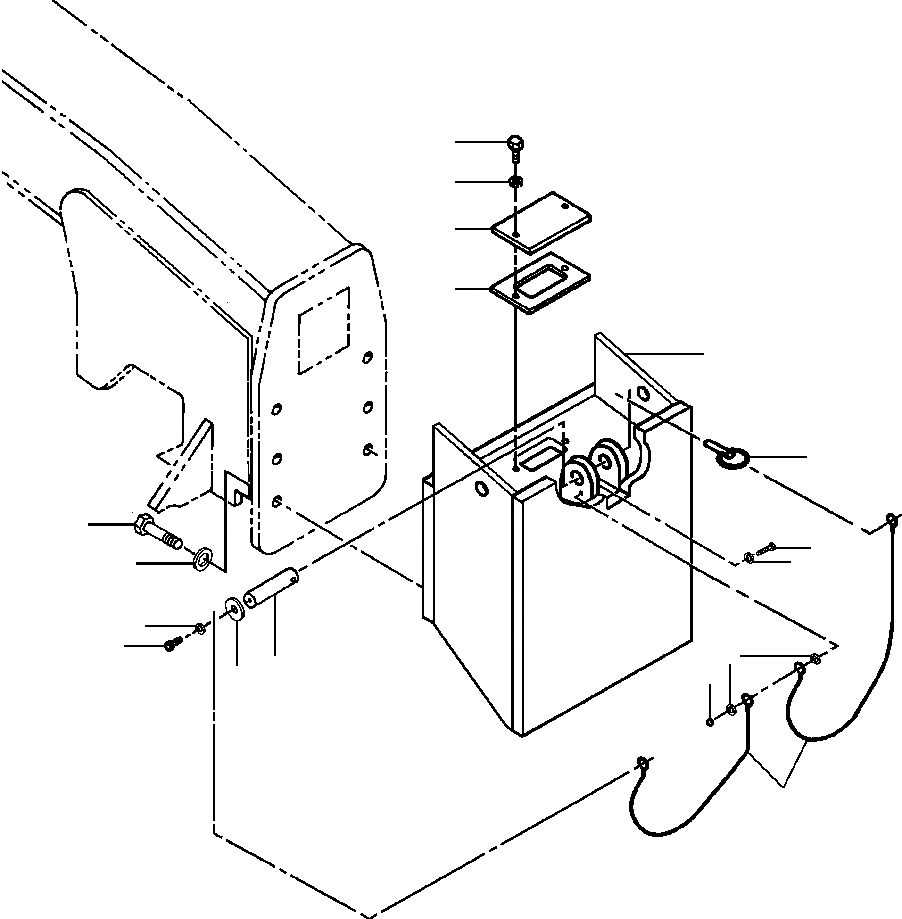
Запчасти Komatsu GD650A ТОЛКАЮЩ. ПЛАСТИНА РАМА

Схема запчастей Komatsu GD650A - ТОЛКАЮЩ. ПЛАСТИНА РАМА
1
2
3
4
5
16
6
15
14
7
9
8
14
11
13
10
12
FIT
1:1
100%

Артикул

Название

Примечание

Количество

|$0

1434 410 H91

PLATE INSTALLATION, PUSH - 1000 LB

1шт.

1

24 861 R1

BOLT

2шт.

2

25 546 R1

WASHER, FLAT

2шт.

3

159 002

COVER

1шт.

4

159 003

GASKET

1шт.

5

1434 877 H91

PLATE WELDMENT, PUSHER

1шт.

6

25 894 R1

BOLT

6шт.

7

25 550 R1

WASHER, LOCK

6шт.

8

25 752 R1

BOLT

1шт.

9

25 532 R1

WASHER, FLAT

1шт.

10

62 935

WASHER, FLAT

1шт.

11

1434 880 H1

PIN, HITCH

1шт.

12

1433 073 H1

LANYARD

2шт.

13

25 519 R1

NUT, HEX

1шт.

14

25 532 R1

WASHER, FLAT

3шт.

15

25 489 R1

BOLT

1шт.

16

1433 035 H1

PIN, SELF-LOCKING

1шт.

|$17

1434 411 H91

PLATE INSTALLATION, PUSH - 2000 LB

1шт.

|$21

-1шт.

|$19

SAME AS ABOVE WITH THE FOLLOWING:

-1шт.

|$20

84 526

STEEL SCRAP

10шт.

Выбрано товаров: 21