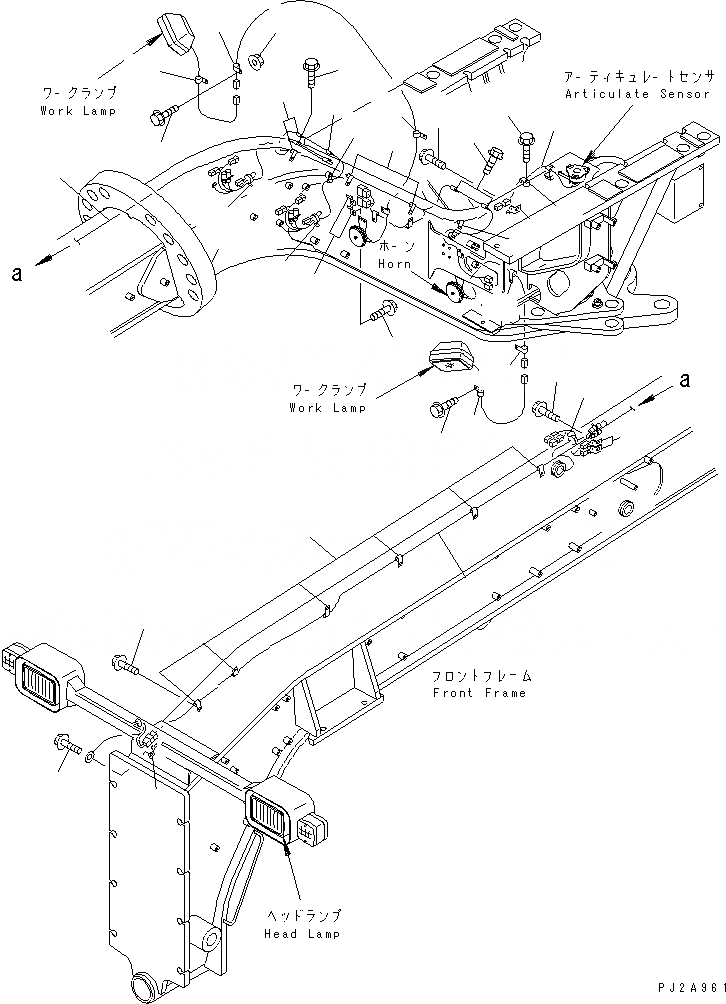
Запчасти Komatsu GD655-3 ПЕРЕДН. РАМА Э/ПРОВОДКА ЭЛЕКТРИКА

Схема запчастей Komatsu GD655-3 - ПЕРЕДН. РАМА Э/ПРОВОДКА ЭЛЕКТРИКА
1
1
2
3
3
4
5
6
7
9
10
10
10
10
10
11
12
12
12
13
13
14
14
16
17
19
20
21
21
21
25
25
26
27
FIT
1:1
100%

Артикул

Название

Примечание

Количество

1

23B-06-41421

WIRING HARNESS

SN: 1103-UP

1шт.

|1

23B-06-41420

WIRING HARNESS

SN: 1001-1002

1шт.

2

23B-06-41352

WIRING HARNESS

SN: 1001-UP

1шт.

3

04434-51010

CLIP

SN: 1001-UP

2шт.

4

01435-01016

BOLT

SN: 1001-UP

2шт.

5

08193-21012

CLIP

SN: 1001-UP

1шт.

6

01435-01016

BOLT

SN: 1001-UP

1шт.

7

01435-01016

BOLT

SN: 1001-UP

4шт.

9

01435-01016

BOLT

SN: 1001-UP

2шт.

10

04434-51010

CLIP

SN: 1001-UP

5шт.

11

01435-01016

BOLT

SN: 1001-UP

5шт.

12

08034-20519

BAND

SN: 1001-UP

3шт.

13

08193-21012

CLIP

SN: 1001-UP

4шт.

14

01435-01016

BOLT

SN: 1001-UP

4шт.

16

01435-01016

BOLT

SN: 1001-UP

2шт.

17

08193-31012

CLIP

SN: 1001-UP

2шт.

19

04434-51410

CLIP

SN: 1001-UP

5шт.

20

01435-01016

BOLT

SN: 1001-UP

5шт.

21

04434-51810

CLIP

SN: 1001-UP

5шт.

25

04434-51010

CLIP

SN: 1001-UP

4шт.

26

01435-00820

BOLT

SN: 1001-UP

2шт.

27

01584-00806

NUT

SN: 1001-UP

2шт.

Выбрано товаров: 22