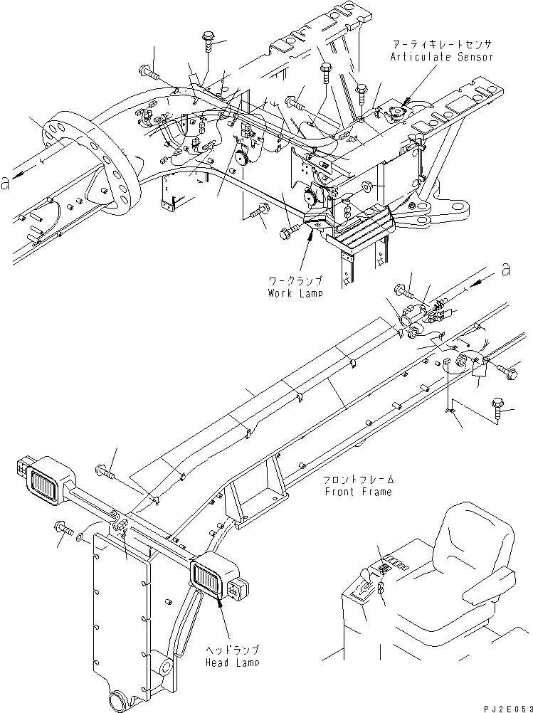
Запчасти Komatsu GD655-3 ПЕРЕДН. РАМА Э/ПРОВОДКА (С ОТВАЛ АККУМУЛЯТОР) ЭЛЕКТРИКА

Схема запчастей Komatsu GD655-3 - ПЕРЕДН. РАМА Э/ПРОВОДКА (С ОТВАЛ АККУМУЛЯТОР) ЭЛЕКТРИКА
1
1
2
3
3
4
5
6
7
8
9
10
10
10
11
12
13
14
14
14
15
15
16
16
17
18
25
25
26
27
29
31
32
33
33
34
34
35
FIT
1:1
100%

Артикул

Название

Примечание

Количество

1

23B-06-41421

WIRING HARNESS

SN: 1003-UP

1шт.

|1

23B-06-41420

WIRING HARNESS

SN: 1001-1002

1шт.

2

23B-06-41352

WIRING HARNESS

SN: 1001-UP

1шт.

3

04434-51010

CLIP

SN: 1001-UP

2шт.

4

01435-01016

BOLT

SN: 1001-UP

2шт.

5

08193-21012

CLIP

SN: 1001-UP

1шт.

6

01435-01016

BOLT

SN: 1001-UP

1шт.

7

01435-01016

BOLT

SN: 1001-UP

4шт.

8

08193-21012

CLIP

SN: 1001-UP

1шт.

9

01435-01016

BOLT

SN: 1001-UP

2шт.

10

04434-51410

CLIP

SN: 1001-UP

5шт.

11

01435-01016

BOLT

SN: 1001-UP

5шт.

12

04434-51010

CLIP

SN: 1001-UP

5шт.

13

01435-01016

BOLT

SN: 1001-UP

5шт.

14

08034-20519

BAND,(WITHOUT ACCUMULATOR)

SN: 1001-UP

3шт.

15

08193-21012

CLIP,(WITHOUT ACCUMULATOR)

SN: 1001-UP

1шт.

16

01435-01016

BOLT,(WITHOUT ACCUMULATOR)

SN: 1001-UP

1шт.

17

04434-51010

CLIP

SN: 1001-UP

6шт.

18

01435-01016

BOLT

SN: 1001-UP

6шт.

25

04434-51010

CLIP

SN: 1001-UP

4шт.

26

01435-00820

BOLT

SN: 1001-UP

2шт.

27

01584-00806

NUT

SN: 1001-UP

2шт.

29

23B-06-42640

SWITCH,FLOAT ACCUMULATOR

SN: 1001-UP

1шт.

31

08034-20519

BAND

SN: 1001-UP

2шт.

32

23B-06-41430

WIRING HARNESS,(WITH ACCUMULATOR)

SN: 1001-UP

1шт.

33

04434-51410

CLIP,(WITH ACCUMULATOR)

SN: 1001-UP

5шт.

34

01435-01016

BOLT,(WITH ACCUMULATOR)

SN: 1001-UP

5шт.

35

08193-21012

CLIP

SN: 1001-UP

1шт.

Выбрано товаров: 28