Запчасти Komatsu GD655-3A ПЕРЕДН. РАМА И ПАЛЕЦ (БЕЗ SCARIFIER) РАМА И КОМПОНЕНТЫ

Схема запчастей Komatsu GD655-3A - ПЕРЕДН. РАМА И ПАЛЕЦ (БЕЗ SCARIFIER) РАМА И КОМПОНЕНТЫ
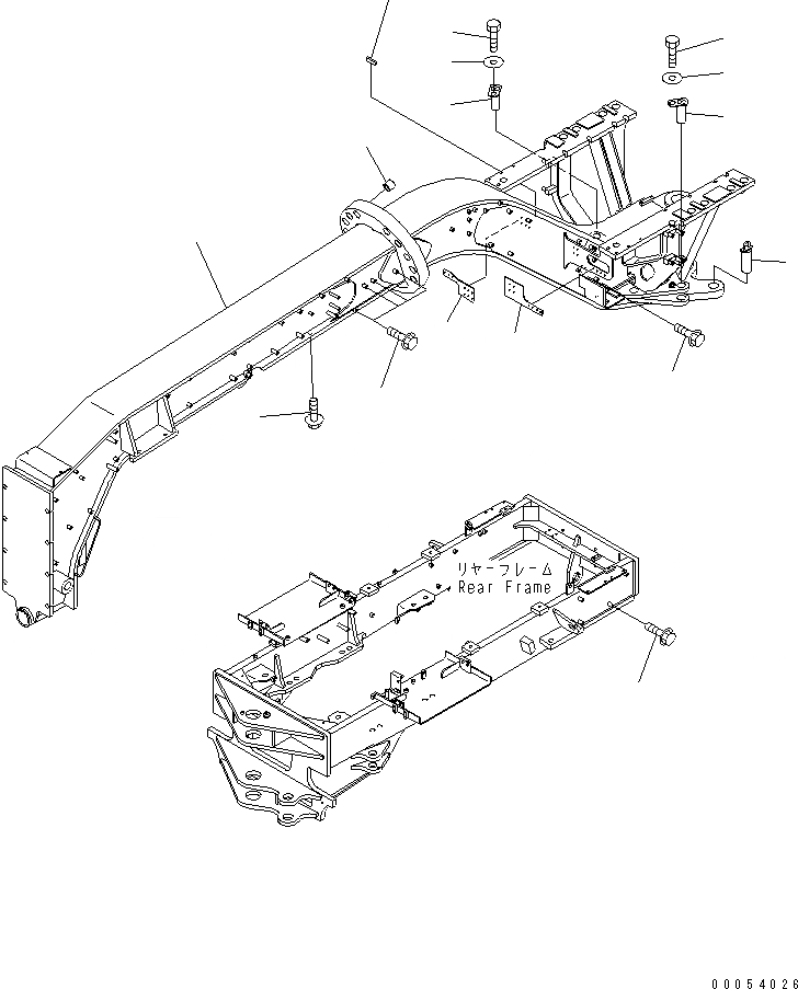
1
1A
2
2
3
3
4
4
5
6
7
8
9
9
10
11
FIT
1:1
100%

Артикул

Название

Примечание

Количество

1

23B-46-31502

FRAME,FRONT (WITHOUT SCARIFIER)

SN: 11001-UP

1шт.

1

23B-46-31500

FRAME,FRONT (WITHOUT SCARIFIER)

SN: 10001-11000

1шт.

1A

23B-70-14350

BUSHING

SN: 10001-UP

10шт.

2

23B-46-31361

PIN

SN: 10001-UP

2шт.

3

01010-81220

BOLT

SN: 10001-UP

2шт.

4

175-54-34170

WASHER

SN: 10001-UP

2шт.

5

23B-46-31423

PIN

SN: 10001-UP

1шт.

6

23B-60-32770

SHEET

SN: 10001-UP

1шт.

7

23B-60-32780

SHEET

SN: 10001-UP

1шт.

8

23B-60-35841

SEAL,EDGE

SN: 10001-UP

1шт.

9

01435-01014

BOLT

SN: 10001-UP

3шт.

10

01435-01014

BOLT

SN: 10001-UP

8шт.

11

01435-01014

BOLT

SN: 10001-UP

4шт.

Выбрано товаров: 13