Запчасти Komatsu GD655-3A КОНСОЛЬН. БЛОК¤ ПРАВ. (ЭЛЕКТРИКА) КАБИНА ОПЕРАТОРА И СИСТЕМА УПРАВЛЕНИЯ

Схема запчастей Komatsu GD655-3A - КОНСОЛЬН. БЛОК¤ ПРАВ. (ЭЛЕКТРИКА) КАБИНА ОПЕРАТОРА И СИСТЕМА УПРАВЛЕНИЯ
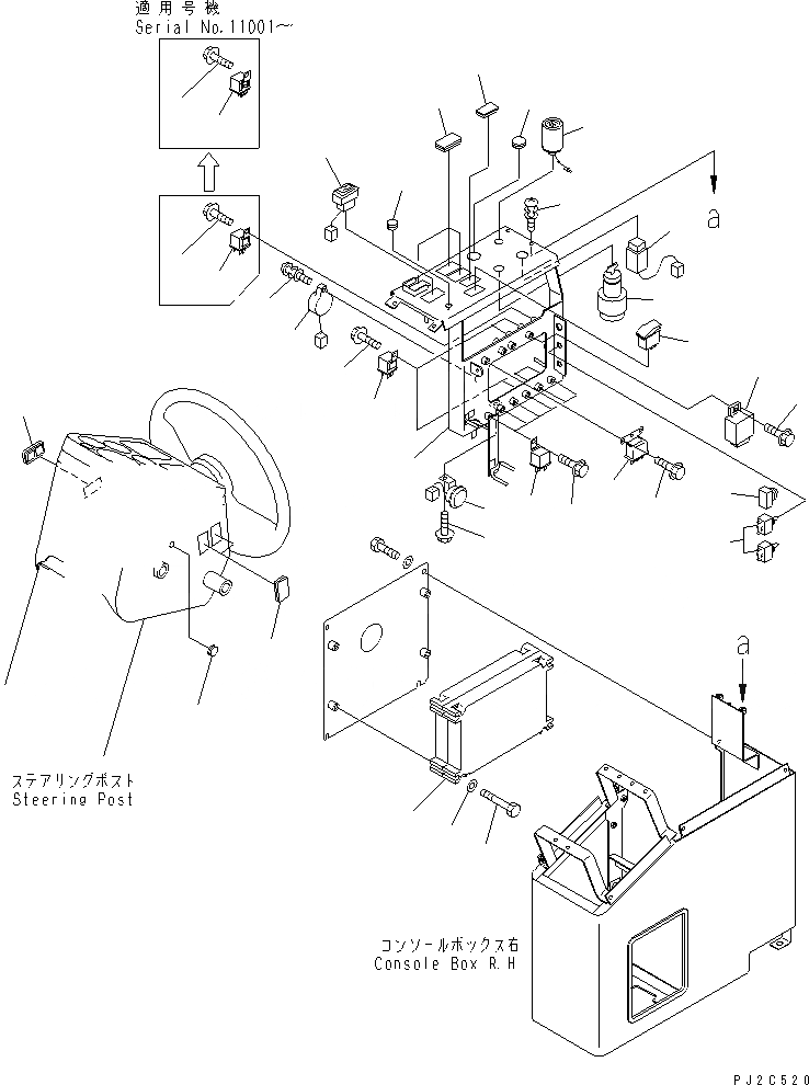
1
2
3
4
5
6
6
6
6A
7
7
7
7
8
9
10
11
12
13
14
15
16
17
18
19
20
21
22
23
23
23
25
26
27
28
FIT
1:1
100%

Артикул

Название

Примечание

Количество

1

7821-25-2006

CONTROLLER

SN: 11327-UP

1шт.

1

7821-25-2005

CONTROLLER

SN: 11303-11326

1шт.

1

7821-25-2004

CONTROLLER

SN: 11220-11302

1шт.

1

7821-25-2002

CONTROLLER

SN: 10001-11219

1шт.

1

0

CONTROLLER

SN: (10001-11156)

1шт.

2

01010-80885

BOLT

SN: 10001-UP

4шт.

3

01643-30823

WASHER

SN: 10001-UP

4шт.

4

23B-06-42570

SWITCH,LIFTER LOCK

SN: 10001-UP

1шт.

5

23B-06-44391

PANEL

SN: 10001-UP

1шт.

6

569-06-61960

RELAY

SN: 11001-UP

7шт.

6

569-06-61960

RELAY

SN: 10001-11000

8шт.

6A

569-06-61970

RELAY

SN: 11001-UP

1шт.

7

01435-00608

BOLT

SN: 10001-UP

8шт.

8

203-06-56230

BUZZER ASS'Y

SN: 10001-UP

1шт.

9

01435-00608

BOLT

SN: 10001-UP

1шт.

10

23B-06-42431

BUZZER

SN: 10001-UP

1шт.

11

01023-70520

SCREW

SN: 10001-UP

1шт.

12

23B-06-42310

SWITCH,HEAD LAMP

SN: 10001-UP

1шт.

13

42C-06-11350

SWITCH,TRANSMISSION LOCK-UP

SN: 10001-UP

1шт.

14

08086-20000

SWITCH,STARTING

SN: 10001-UP

1шт.

15

01023-70614

SCREW

SN: 10001-UP

4шт.

16

08064-10000

HORN SWITCH,RESET

SN: 10001-UP

1шт.

17

26A-06-11570

SWITCH,MEMORY CLEAR

SN: 10001-UP

2шт.

18

08163-02400

RELAY,HORN

SN: 10001-UP

1шт.

19

01435-00608

BOLT

SN: 10001-UP

2шт.

20

23D-06-33280

RELAY

SN: 10001-UP

1шт.

21

01435-00614

BOLT

SN: 10001-UP

1шт.

22

23B-06-42440

LAMP,PANEL

SN: 10001-UP

1шт.

23

23B-06-44270

CAP

SN: 10001-UP

6шт.

25

130-911-1640

PLUG,(WITHOUT WIPER)

SN: 10001-UP

1шт.

26

232-06-57190

CAP,(WITHOUT LIGHTER)

SN: 10001-UP

1шт.

27

09415-00706

CAP,(WITHOUT HEAD LAMP)

SN: 10001-UP

1шт.

28

273-06-63130

CAP,(WITHOUT HAZARD SWITCH)

SN: 10001-UP

1шт.

Выбрано товаров: 33