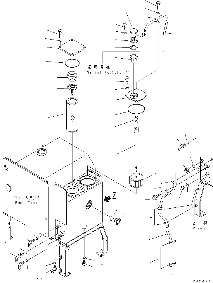
Запчасти Komatsu GD655-3C ГИДР. БАК. (АКСЕССУАРЫ)(№-) ГИДРАВЛИКА

Схема запчастей Komatsu GD655-3C - ГИДР. БАК. (АКСЕССУАРЫ)(№-) ГИДРАВЛИКА
1
2
3
4
5
6
7
8
9
10
11
11
12
13
14
15
16
17
18
19
20
21
21
22
22
23
24
25
26
27
28
29
30
31
31
32
32
33
34
35
35
36
37
38
39
40
41
42
FIT
1:1
100%

Артикул

Название

Примечание

Количество

1

201-60-12190

CAP ASS'Y

SN: 50001-@

1шт.

2

203-60-61130

COVER

SN: 50001-@

1шт.

3

07000-15155

O-RING

SN: 50001-@

1шт.

4

01010-81225

BOLT

SN: 50001-@

4шт.

5

01643-31232

WASHER

SN: 50001-@

4шт.

6

175-60-27340

SPRING

SN: 50001-@

1шт.

7

203-60-52250

VALVE ASS'Y

SN: 50001-@

1шт.

8

07063-51100

ELEMENT

SN: 50001-@

1шт.

9

421-60-11622

GAUGE,SIGHT

SN: 50001-@

1шт.

10

07002-15234

O-RING

SN: 50001-@

1шт.

11

07270-60817

TUBE

SN: 50001-@

1шт.

12

07280-01110

CLAMP

SN: 50001-@

1шт.

13

08036-01014

CLIP

SN: 50001-@

1шт.

14

04434-51010

CLIP

SN: 50001-@

2шт.

15

201-60-12171

FILLER NECK

SN: 50001-@

1шт.

16

205-60-51460

GASKET

SN: 50001-@

2шт.

17

205-60-51480

SCREEN

SN: 50001-.

1шт.

18

01220-40516

SCREW

SN: 50001-@

6шт.

19

01641-20508

WASHER

SN: 50001-@

6шт.

20

23B-60-32111

COVER

SN: 50001-@

1шт.

21

01010-81225

BOLT

SN: 50001-@

4шт.

22

01643-31232

WASHER

SN: 50001-@

4шт.

23

07000-15180

O-RING

SN: 50001-@

1шт.

24

12R-60-11230

SPRING

SN: 50001-@

1шт.

25

23B-60-32121

ROD

SN: 50001-@

1шт.

26

20Y-60-21311

STRAINER

SN: 50001-@

1шт.

27

07235-10423

ELBOW

SN: 50001-51000

1шт.

28

07002-12034

O-RING

SN: 50001-@

1шт.

29

07235-10628

ELBOW

SN: 50001-51000

1шт.

30

07002-12434

O-RING

SN: 50001-@

1шт.

31

07235-10522

ELBOW

SN: 50001-51000

2шт.

32

07002-12434

O-RING

SN: 50001-@

2шт.

33

07235-10210

ELBOW

SN: 50001-51000

2шт.

34

07002-11423

O-RING

SN: 50001-@

2шт.

35

04434-51010

CLIP

SN: 50001-@

5шт.

36

01435-01016

BOLT

SN: 50001-@

5шт.

37

23B-60-32350

PLUG

SN: 50001-@

1шт.

38

07005-01612

SEAL, WASHER

SN: 50001-@

1шт.

39

07040-12412

PLUG

SN: 50001-@

1шт.

40

07002-12434

O-RING

SN: 50001-@

1шт.

41

07040-13316

PLUG

SN: 50001-51000

1шт.

42

07002-13334

O-RING

SN: 50001-51000

1шт.

Выбрано товаров: 42