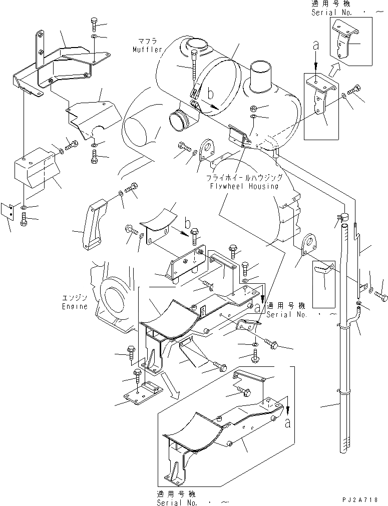
Запчасти Komatsu GD655-3C ВПУСК ВОЗДУХА (ВОЗДУХООЧИСТИТЕЛЬ ЭЛЕМЕНТЫ КРЕПЛЕНИЯ)(№-) КОМПОНЕНТЫ ДВИГАТЕЛЯ

Схема запчастей Komatsu GD655-3C - ВПУСК ВОЗДУХА (ВОЗДУХООЧИСТИТЕЛЬ ЭЛЕМЕНТЫ КРЕПЛЕНИЯ)(№-) КОМПОНЕНТЫ ДВИГАТЕЛЯ
1
1
2
3
4
4
5
6
7
8
9
10
11
12
13
14
15
16
16
17
17
17
18
19
20
21
22
23
25
26
27
28
29
29
30
30
31
31
32
33
34
35
36
37
38
39
40
41
42
43
43
44
44
45
46
47
48
51
FIT
1:1
100%

Артикул

Название

Примечание

Количество

1

23B-02-33113

BRACKET

SN: .-51000

1шт.

1

23B-02-33112

BRACKET

SN: 50001-.

1шт.

2

01010-81230

BOLT

SN: 50001-51000

2шт.

3

01643-31232

WASHER

SN: 50001-51000

2шт.

4

23B-02-33151

BRACKET

SN: .-51000

1шт.

4

23B-02-33150

BRACKET

SN: 50001-.

1шт.

5

01010-81230

BOLT

SN: 50001-51000

2шт.

6

01643-31232

WASHER

SN: 50001-51000

2шт.

7

23B-02-33230

PLATE

SN: .-51000

1шт.

7

0

PLATE

SN: 50001-.

1шт.

8

01435-01025

BOLT

SN: 50001-51000

2шт.

9

01435-01030

BOLT

SN: 50001-51000

2шт.

10

01643-31232

WASHER

SN: 50001-51000

2шт.

11

01643-31032

WASHER

SN: 50001-51000

2шт.

12

01580-11008

NUT

SN: 50001-51000

2шт.

13

23B-02-33210

BRACKET

SN: .-51000

1шт.

13

0

BRACKET

SN: 50001-.

1шт.

14

01435-01020

BOLT

SN: 50001-51000

2шт.

15

01435-01025

BOLT

SN: 50001-51000

4шт.

16

23B-02-33221

PLATE

SN: ..-51000

1шт.

16

23B-02-33220

PLATE

SN: .-..

1шт.

16

0

PLATE

SN: 50001-.

1шт.

17

01435-01020

BOLT

SN: 50001-51000

2шт.

18

23B-02-33140

BRACKET

SN: 50001-51000

1шт.

19

01435-01070

BOLT

SN: 50001-51000

2шт.

20

23B-02-33130

BRACKET

SN: .-51000

1шт.

20

23B-02-33130

BRACKET

SN: 50001-.

2шт.

21

01435-01030

BOLT

SN: 50001-51000

2шт.

22

01643-31232

WASHER

SN: 50001-51000

2шт.

23

6151-11-5770

BAND ASS'Y

SN: 50001-51000

1шт.

25

6643-11-4641

BOLT

SN: 50001-51000

1шт.

26

23B-02-36211

TUBE

SN: 50001-51000

1шт.

27

07260-20971

HOSE

SN: 50001-51000

1шт.

28

07281-00197

CLAMP

SN: 50001-51000

1шт.

29

23B-02-33160

PLATE

SN: 50001-51000

2шт.

30

01010-81235

BOLT

SN: 50001-51000

4шт.

31

01643-31232

WASHER

SN: 50001-51000

4шт.

32

23B-02-33170

PLATE

SN: 50001-51000

1шт.

33

01435-01016

BOLT

SN: 50001-51000

2шт.

34

07287-02611

HOSE

SN: 50001-51000

1шт.

35

07285-00280

CLIP

SN: 50001-51000

1шт.

36

23B-03-31882

BRACKET

SN: 50001-51000

1шт.

37

01010-E1025

BOLT

SN: 50001-51000

3шт.

38

01643-31032

WASHER

SN: 50001-51000

3шт.

39

23B-02-31411

COVER

SN: 50001-51000

1шт.

40

01010-81020

BOLT

SN: 50001-51000

2шт.

41

01643-31032

WASHER

SN: 50001-51000

2шт.

42

23B-02-31422

COVER

SN: 50001-51000

1шт.

43

01010-81020

BOLT

SN: 50001-51000

2шт.

44

01643-31032

WASHER

SN: 50001-51000

2шт.

45

23B-02-31430

COVER

SN: 50001-51000

1шт.

46

23B-02-31520

COVER

SN: 50001-51000

1шт.

47

01011-81015

BOLT

SN: 50001-51000

2шт.

48

01643-31032

WASHER

SN: 50001-51000

2шт.

51

23B-02-36220

PLATE

SN: .-51000

1шт.

Выбрано товаров: 55