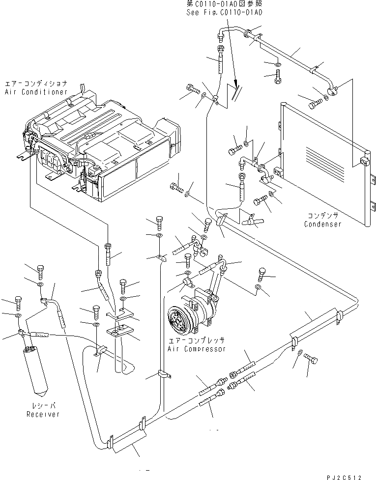
Запчасти Komatsu GD655-3C КОНДИЦ. ВОЗДУХА (ТРУБЫ)(№-) КАБИНА ОПЕРАТОРА И СИСТЕМА УПРАВЛЕНИЯ

Схема запчастей Komatsu GD655-3C - КОНДИЦ. ВОЗДУХА (ТРУБЫ)(№-) КАБИНА ОПЕРАТОРА И СИСТЕМА УПРАВЛЕНИЯ
1
1
2
2
3
4
5
5
5
5
6
6
6
6
7
7
7A
7B
8
8
8
9
9
9
10
10
11
11
12
12
13
14
15
15
16
16
17
18
19
19
20
20
21
21
22
23
24
25
26
27
28
29
30
31
32
33
34
35
36
36
FIT
1:1
100%

Артикул

Название

Примечание

Количество

1

23B-809-7822

HOSE

SN: 50001-@

1шт.

2

23B-809-7811

HOSE

SN: 50001-@

1шт.

3

23B-809-7362

CUSHION

SN: 50001-@

1шт.

4

23B-809-8740

PLATE

SN: 50001-@

1шт.

5

01010-80625

BOLT

SN: 50001-@

2шт.

6

01643-30623

WASHER

SN: 50001-@

2шт.

7

04435-52110

CLIP

SN: 50001-@

4шт.

7A

04434-52210

CLIP

SN: .-@

1шт.

7B

04434-51810

CLIP

SN: .-@

1шт.

8

01010-81016

BOLT

SN: 50001-@

6шт.

9

01643-31032

WASHER

SN: 50001-@

6шт.

10

23B-809-7783

HOSE

SN: 50001-@

1шт.

11

23B-809-7793

HOSE

SN: 50001-@

1шт.

12

04435-51910

CLIP

SN: 50001-@

4шт.

13

01010-81016

BOLT

SN: 50001-@

4шт.

14

01643-31032

WASHER

SN: 50001-@

4шт.

15

23B-809-8651

HOSE

SN: 50001-51000

1шт.

16

23B-809-8661

HOSE

SN: 50001-51000

1шт.

17

23B-809-8711

TUBE

SN: 50001-51000

1шт.

18

23B-809-8721

TUBE

SN: 50001-51000

1шт.

19

01010-80830

BOLT

SN: 50001-@

2шт.

20

01643-30823

WASHER

SN: 50001-@

2шт.

21

04434-51208

CLIP

SN: 50001-51000

2шт.

22

01010-80812

BOLT

SN: 50001-51000

2шт.

23

01643-30823

WASHER

SN: 50001-51000

2шт.

24

208-06-12160

CLIP

SN: 50001-@

1шт.

25

01010-80812

BOLT

SN: 50001-51000

1шт.

26

01643-30823

WASHER

SN: 50001-@

1шт.

27

04434-51810

CLIP

SN: 50001-51000

1шт.

28

01010-81016

BOLT

SN: 50001-51000

1шт.

29

01643-31032

WASHER

SN: 50001-51000

1шт.

30

04435-51910

CLIP

SN: 50001-@

1шт.

31

04434-51810

CLIP

SN: 50001-@

1шт.

32

01010-81016

BOLT

SN: 50001-@

1шт.

33

01643-31032

WASHER

SN: 50001-@

1шт.

34

01050-81040

BOLT

SN: 50001-@

1шт.

35

01643-31032

WASHER

SN: 50001-@

1шт.

36

23B-03-31270

CAP,(WITH AIR CONDITIONER)

SN: 50001-@

2шт.

Выбрано товаров: 38